lemon-mirror:
Home >> Ford >> 1990 >> Probe LX, Automatic >> Repair and Diagnosis >> Engine Performance >> System >> Engine Controls - Tests W/Codes - 3.0L >> Test X - Integral Relay Control Module (IRCM)

Test X - Integral Relay Control Module (IRCM)

NOTE: Perform this test only when Codes 72, 78, 82, 83, 87, 88, 95 or 96 are displayed, or when you are directed here by TEST A, TEST C, or by a driveability symptom.
NOTE: This test is intended to diagnose only the following systems or components:
Fig 1: ECA & IRCM Connectors
G90D14525
Fig 2: 3.0L PFI (AXOD) IRCM Circuits
G90J14521
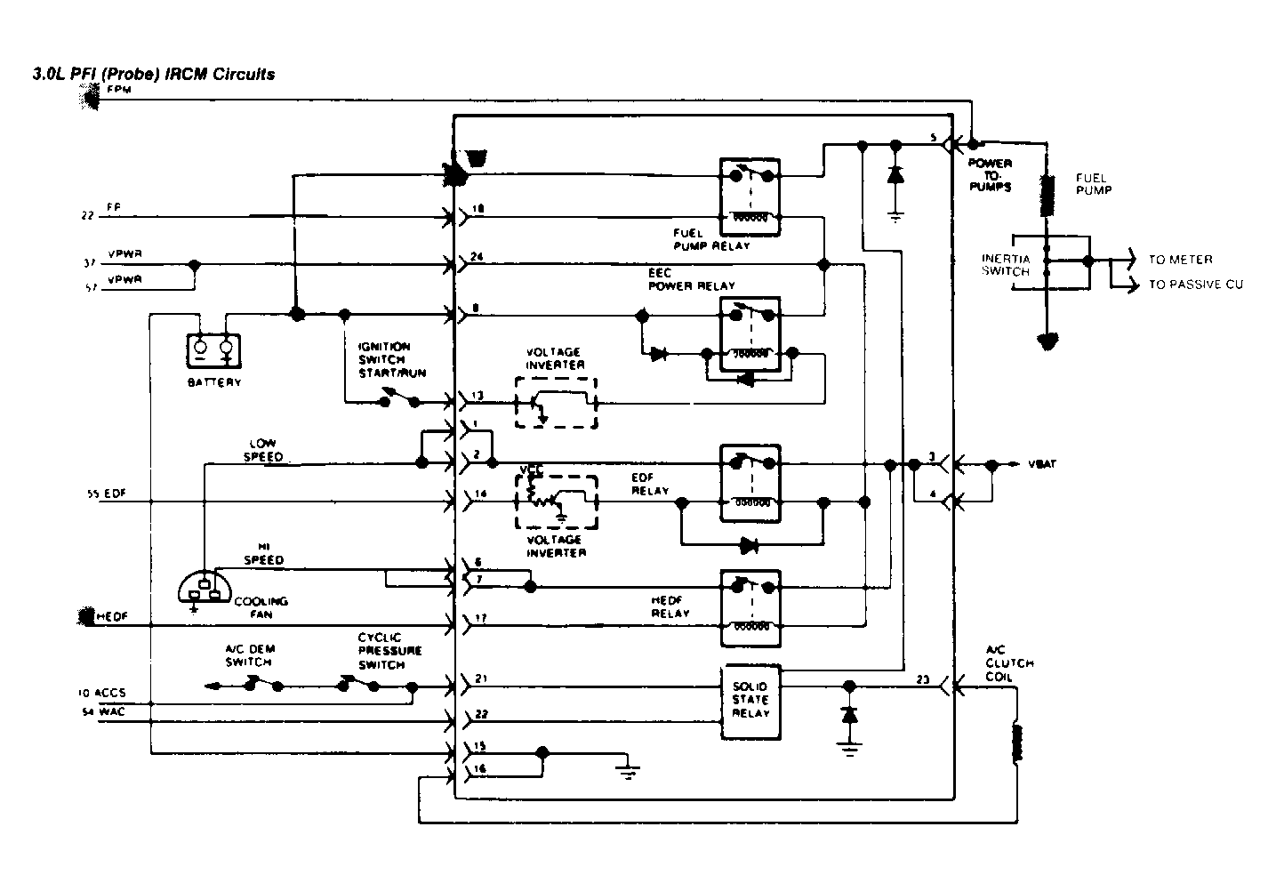
Fig 3: 3.0L PFI (Probe) IRCM Circuits
G90I13670
Fig 4: IRCM Circuits
G90A14522

1) Check Battery Supply Voltage  With KOEO, set DVOM on 20-volt scale. Measure voltage across battery terminals. If reading is less than 10.5 volts, service or replace discharged battery. If reading is 10.5 volts or more, go to next step.

2) Check Battery Ground  With KOEO, set DVOM on 20-volt scale. Measure voltage between negative battery terminal and SIG RTN circuit in Self-Test connector. If reading is less than .5 volt, go to step 6). If reading is .5 volt or more, go to next step.

3) Isolating Ground Fault  Turn key off. Disconnect ECA 60-pin connector. Inspect for and repair any damaged wiring. Install breakout box and connect ECA. Turn key on, leaving engine off. Set DVOM on 20-volt scale. Measure voltage between negative battery terminal and test pins No. 40 and 60. If each voltage reading is .5 volt or more, repair open ground circuit. Remove breakout box and repeat QUICK TEST. If both readings are less than .5 volt, go to next step.

4) ECA Ground Fault Isolation  Turn key off and wait 10 seconds. With breakout box installed and ECA connected, set DVOM on 200-ohm scale. Measure resistance between test pins No. 46 and test pins No. 40 and 60. If each resistance is 5 ohms or more, replace ECA. Remove breakout box and repeat QUICK TEST. If both readings are less than 5 ohms, go to next step.

5) Check Continuity of SIG RTN Circuit  Turn key off and wait 10 seconds. With breakout box and ECA connected, set DVOM on 200-ohm scale. Measure resistance between test pin No. 46 and SIG RTN circuit at Self-Test connector. If reading is less than 5 ohms, system is okay. Remove breakout box and reconnect ECA. Repeat QUICK TEST. If reading is 5 ohms or more, repair open SIG RTN circuit. Remove breakout box and reconnect all components. Repeat QUICK TEST.

6) Measure Voltage & Ground to IRCM  Turn key off and disconnect IRCM. Set DVOM on 20-volt scale. Measure voltage between pin No. 8 and pin No. 15 at the IRCM vehicle harness connector. If voltage is greater than 10.5 volts, go to next step. If not, go to step 9).

7) Check Key Power to IRCM  With key off, disconnect IRCM and set DVOM on 20-volt scale. With KOEO, measure voltage between pins No. 13 (+) and 15 (-) at IRCM vehicle harness connector. If reading is less than 10.5 volts, repair open between pin No. 13 and ignition switch. Reconnect IRCM and repeat QUICK TEST. If reading is 10.5 volts or more, go to next step.

8) Check Continuity of VPWR Circuit  Turn key off. Disconnect IRCM and ECA 60-pin connector. Inspect for and repair any damaged wiring. Install breakout box, leaving ECA disconnected. Set DVOM on 200-ohm scale. Measure resistance between test pins No. 37 and 57 at the breakout box to pin No. 24 at the IRCM vehicle harness connector. If reading is 5 ohms or more, repair open in VPWR circuit. Remove breakout box. Reconnect IRCM and repeat QUICK TEST. If reading is less than 5 ohms, replace IRCM. Remove breakout box and reconnect all components. Repeat QUICK TEST.

9) Check Continuity of Power Ground to IRCM  With key off and IRCM disconnected, set DVOM on 200-ohm scale. Measure resistance between negative battery terminal to IRCM harness connector pin No. 15. If resistance is 5 ohms or more, repair open in ground circuit to IRCM harness connector pin No. 15. Remove breakout box and reconnect all components. Repeat QUICK TEST. If reading is less than 5 ohms, repair open in battery positive to pin No. 8 of IRCM harness connector. Reconnect IRCM and repeat QUICK TEST.

10) Code 72: Intermittent Open in VPWR Circuit  Code 72 indicates that while key power was present VPWR (voltage) to the IRCM was interrupted, or electrical noise caused the ECA to reset. Driveability problems such as, stalling, high idle, lack of power on acceleration or other drive symptoms could result. Possible causes for this fault are:

Using KOER Continuous Monitor Mode (WIGGLE TEST), observe VOM or diagnostic tester for indication of fault while wiggling, bending, or twisting harness from IRCM to ECA and from ignition switch to battery positive terminal. If fault is indicated or if Code 72 reappears, repair intermittent fault in VPWR circuit. Check for correct routing of harness. Repeat QUICK TEST. If fault is not found or if codes do not reappear, inspect all component and harness connectors for damaged pins, corrosion, or loose wires. Repair if necessary. If okay, replace IRCM and repeat QUICK TEST.

11) Check POWER-to-PUMPS Circuit Voltage  With KOEO, locate and disconnect fuel pump(s). Set DVOM on 20-volt scale. Measure voltage between CHASSIS GROUND and POWER-to-PUMP circuit at fuel pump vehicle harness connector while cranking engine. If reading is 8.0 volts or more, service electric fuel pump system. If reading is less than 8.0 volts, go to next step.

12) Check POWER-to-PUMP Circuit Continuity  With key off and DVOM on 200-ohm scale, disconnect IRCM and fuel pump(s). Measure resistance between IRCM harness connector pin No. 5 and POWER-to-PUMP circuit at harness connector at fuel pump(s). If reading is less than 5 ohms, replace IRCM. Reconnect all components and repeat QUICK TEST. If reading is 5 ohms or more, repair open in POWER-to-PUMP circuit. Reconnect all components and repeat QUICK TEST.

NOTE: There is a break in the step numbering sequence at this point, skipping from step 12) to step 14). Break is due to previous chart references to these testing procedures. No test procedures have been omitted.

14) Check POWER-to-PUMP Circuit For Shorts to Power  With key off and DVOM on 200-k/ohm scale, disconnect IRCM and fuel pump(s). Measure resistance between pin No. 5 and pin No. 24 at IRCM harness connector. Measure resistance between pin No. 5 at the IRCM harness connector and battery positive terminal. If any reading is less than 10 k/ohms, repair short circuit. Reconnect all components and attempt to start vehicle. If vehicle runs, repeat QUICK TEST. If vehicle does not run, replace IRCM and repeat QUICK TEST. If all readings are 10 k/ohms or more, replace IRCM. Reconnect fuel pump and repeat QUICK TEST.

15) Code 83 or 87: Check Continuity of Fuel Pump Circuit  Code 83 or 87 indicates voltage output for the high or low fuel pump circuit did not change when activated during KOEO Self-Test. Possible causes for this fault are:

Turn key off. Disconnect ECA 60-pin connector. Inspect for and repair any damaged wiring. Install breakout box, leaving ECA disconnected. Disconnect IRCM and set DVOM on 200-ohm scale. Perform the following appropriate procedure:

Measure resistance between test pin No. 41 at the breakout box and pin No. 11 at the IRCM vehicle harness connector. If resistance is 5 ohms or more, repair open in fuel pump circuit. Remove breakout box. Reconnect all components and repeat QUICK TEST. If reading is less than 5 ohms, go to next step.

16) Check Fuel Pump Circuit For Shorts to Power & Ground  With key off, install breakout box. Disconnect ECA and IRCM. Set DVOM on 200-k/ohm scale.

If any reading is less than 10 k/ohms, repair fuel pump(s) circuit shorts to power or ground. Remove breakout box and reconnect all components. Repeat QUICK TEST. If Code 83 or 87 is still present, go to next step. If all readings are 10 k/ohms or more, go to next step.

17) Check Fuel Pump Relay Coil Resistance  Turn key off. Disconnect IRCM and set DVOM on 200-ohm scale. Disconnect ECA and install breakout box. Measure resistance of IRCM between pins No. 18 and 24 or pins No. 11 and 24. If resistance is 65-100 ohms, replace ECA. Remove breakout box and reconnect all components. Repeat QUICK TEST. If resistance is not 65-100 ohms, replace IRCM. Remove breakout box and reconnect all components and repeat QUICK TEST.

18) No Fan Operation  Turn key off. Disconnect IRCM and set DVOM on 20-volt scale. Measure voltage between battery negative terminal and IRCM vehicle harness connector pins No. 1, 2, 6, and 7 (pins No. 3 and 4 on 3.0L Probe). If any reading is less than 10.5 volts, service open in battery power circuit. Reconnect IRCM and recheck system operation. If all readings are 10.5 volts or more, go to next step.

19) Check Fan Motor Operation  Turn key off and disconnect IRCM connector. Install a jumper wire between IRCM harness connector pins No. 3 and 6. If cooling fan does not run, go to step 21). If cooling fan runs, go to next step for 3.0L (Probe) or step 25) for all other engines.

20) Check Fan Motor Operation  Turn key off. Disconnect IRCM. Install a jumper between pins No. 3 and 2 at the IRCM vehicle harness connector. If fan does not run, go to step 23). If fan runs, go to step 25).

21) Measuring Battery Voltage Supply at Fan With IRCM By-Passed  With key off, disconnect cooling fan and IRCM. Install a jumper wire between IRCM vehicle harness connector pins No. 3 and 6. Set DVOM on 20-volt scale and measure voltage at cooling fan harness connector. If reading is 8.0 volts or more, replace cooling fan motor. Reconnect IRCM and re-evaluate symptom. If reading is less than 8.0 volts, go to next step.

22) Check Cooling Fan Ground Circuit  Turn key off. Disconnect cooling fan and IRCM. Install a jumper wire between IRCM harness connector pins No. 3 and 6. Set DVOM on 20-volt scale. Measure voltage between positive terminal at cooling fan harness connector and battery negative terminal. If reading is 8 volts or more, repair open in ground circuit to fan. After repairs, reconnect IRCM and re-evaluate symptom. If reading is less than 8 volts, repair open in POWER-to-FAN circuit from pins No. 3 and 4 (pins No. 6 and 7 on 3.0L Probe) of IRCM vehicle harness connector to cooling fan vehicle harness connector. Reconnect all components and recheck system operation.

23) Measure Battery Voltage Supply at Fan With IRCM By-Passed  Turn key off. Disconnect cooling fan and IRCM. Install a jumper wire between pins No. 2 and 3 at the IRCM vehicle harness connector. Set DVOM on 20-volt scale. Measure voltage at cooling fan vehicle harness connector. If voltage is greater than 8 volts, replace fan motor. Reconnect IRCM and recheck system operation. If voltage is less than 8 volts, go to next step.

24) Check Cooling Fan Ground Circuit  Turn key off. Disconnect cooling fan and IRCM. Install a jumper wire between IRCM vehicle harness connector pins No. 2 and 3. Set DVOM on 20-volt scale. Measure voltage between positive terminal at cooling fan harness connector and battery negative terminal. If reading is greater than 8 volts, repair open in ground circuit to fan. After repairs, reconnect IRCM and re-evaluate symptom. If reading is less than 8 volts, repair open in POWER-to-FAN circuit from pins No. 1 and 2 of IRCM vehicle harness connector to cooling fan vehicle harness connector. Reconnect all components and recheck system operation.

25) Check Fan Running Mode (Low Speed)  Turn key off. Disconnect ECA. Reconnect IRCM. With KOEO, if fan runs at low speed, replace IRCM. Reconnect ECA and recheck system operation. If not, go to next step.

26) Jumper High Speed Electric-Drive Fan Signal (HEDF) to Ground  Turn key off. Disconnect ECA 60-pin connector. Inspect for and repair any damaged wiring. Install breakout box, leaving ECA disconnected. Ensure IRCM is connected. With KOEO, install a jumper wire between test pins No. 52 and 40 at the breakout box. If fan speed changes from low to high, go to next step. If not, replace IRCM. Remove breakout box and reconnect ECA. Recheck system operation.

27) Check ECT Sensor  Turn key off and wait 10 seconds. With breakout box installed, connect ECA and check engine coolant level. Warm engine to normal operating temperature. Turn key off and wait 10 seconds. Disconnect Engine Coolant Temperature (ECT) sensor harness. Set DVOM on 200-k/ohm scale. Measure resistance of ECT sensor. If reading is 1500-2000 ohms, replace ECA. Remove breakout box and reconnect all components. recheck system operation. If reading is not 1500-2000 ohms, replace ECT sensor. Remove breakout box. Reconnect all components and re-evaluate symptom.

28) Check A/C Pressure Switch Harness Continuity  With key off, install breakout box and connect ECA. Disconnect A/C pressure switch. Set DVOM on 200-ohm scale. Measure resistance between test pin No. 2 at the breakout box and A/C pressure switch circuit at the harness connector. Measure resistance between test pin No. 46 at the breakout box and SIG RTN at the A/C pressure switch vehicle harness connector. If both resistances are less than 5 ohms, go to next step. If resistances are greater than 5 ohms, remove breakout box and reconnect all components. Repair open circuit and rerun QUICK TEST.

29) Check HEDF Operation  With key off, install breakout box and reconnect ECA. Disconnect A/C pressure switch. Jumper A/C pressure circuit to SIG RTN at the switch vehicle harness connector. Turn key on. If HEDF is on, replace A/C pressure switch and retest system. If HEDF is not on, replace ECA, reconnect components and rerun QUICK TEST.

30) Code 83 Displayed: Check HEDF Controller Resistance  Code 83 indicates a failed HEDF circuit. Turn key off and disconnect IRCM. Set DVOM on 200-ohm scale. Measure resistance of IRCM between pins No. 17 and 24. If reading is not between 50 and 100 ohms, replace IRCM and repeat QUICK TEST. If reading is between 50 and 100 ohms, go to next step.

31) Check HEDF Circuit Continuity  Turn key off. Disconnect ECA 60-pin connector. Inspect for and repair any damaged wiring. Install breakout box, leaving ECA disconnected. Disconnect IRCM connector. Set DVOM on 200-ohm scale. Measure resistance between test pin No. 52 and IRCM vehicle harness connector pin No. 17. If resistance is greater than 5 ohms, repair open in HEDF circuit. Remove breakout box and reconnect all components. Repeat QUICK TEST. If reading is 5 ohms or less, go to next step.

32) Check HEDF Circuit For Shorts to Ground  With key off and breakout box installed. Disconnect ECA and IRCM. Set DVOM on 200-k/ohm scale. Measure resistance between test pins No. 52 and 40 at the breakout box. If resistance is 10 k/ohms or less, repair short to ground in HEDF circuit. Reconnect components and repeat QUICK TEST. If reading is greater than 10 k/ohms, go to next step.

33) Check HEDF Circuit For Short to Power  With key off and breakout box installed, disconnect ECA and IRCM. Set DVOM on 200-k/ohm scale. Measure resistance between test pins No. 52 and 37 at the breakout box.

If resistance is greater than 10 k/ohms, replace ECA. Remove breakout box and reconnect all components. Repeat QUICK TEST. If reading is 10 k/ohms or less, repair short to power. Remove breakout box and reconnect all components. Repeat QUICK TEST. If Code 83 is still present, replace ECA and repeat QUICK TEST.

NOTE: There is a break in the step numbering sequence at this point, skipping from step 33) to step 35). Break is due to previous chart references to these testing procedures. No test procedures have been omitted.

35) Low Speed Fan Always On  Turn key off. Disconnect ECA 60-pin connector. Inspect for and repair any damaged wiring. Install breakout box, leaving ECA disconnected. Disconnect IRCM and set DVOM on 200-ohm scale. Measure resistance between test pins No. 55 at the breakout box and test pin No. 14 at the IRCM vehicle harness connector. If resistance is greater than 5 ohms, repair open in EDF circuit. Remove breakout box. Reconnect all components and re-evaluate symptom. If reading is 5 ohms or less, go to next step.

36) Check EDF Circuit For Shorts to Power  With key off, install breakout box. Disconnect ECA and IRCM. Set DVOM on 200-k/ohm scale. Measure resistance between test pins No. 55 and 37, and between test pin No. 55 and battery positive terminal. If each resistance is 10 k/ohms or less, repair short to power in EDF circuit, and then go to next step. If reading is more than 10 k/ohms, go to next step.

37) Check EDF Circuit For Short to Ground  With KOEO, breakout box installed and ECA disconnected, connect IRCM. Install a jumper wire between test pin No. 55 and test pins No. 40 or 60 (ground). If cooling fan continues to run, replace IRCM. Remove breakout box and reconnect components. Recheck system operation. If cooling fan stops running, replace ECA. Remove breakout box and reconnect all components. Recheck system operation.

38) Check A/C Pressure Switch Input  With key off, disconnect vehicle harness at A/C pressure switch. Turn key on, leaving engine off. If fan still runs, reconnect components and go to next step. If fan does not run, replace A/C pressure switch and re-evaluate symptom.

39) Check A/C Pressure Switch Circuit For Short to Ground  With key on, disconnect ECA 60-pin connector. Inspect for and repair any damaged wiring. Install breakout box, leaving ECA disconnected. Disconnect IRCM and set DVOM on 200-k/ohm scale. Measure resistance between test pin No. 2 and test pins No. 40, 46 and 60. If resistance is less than 10 k/ohms, repair short circuit, remove breakout box and reconnect components. Re-evaluate system. If resistance is greater than 10 k/ohms, go back to step 35), of this test.

40) Check Fan Voltage  Turn key off. Disconnect IRCM and set DVOM on 20-volt scale. Measure voltage between battery negative terminal and pins No. 1 and 2 at IRCM harness connector. If readings are less than 10.5 volts, repair open in battery power circuit. Reconnect IRCM and re-evaluate symptom. If reading is 10.5 volts or more, go to next step.

41) Check Fan Motor  Turn key off and disconnect IRCM. Install a jumper wire between IRCM vehicle harness connector pins No. 1 and 3. Turn key on. If cooling fan does not run, go to step 43). If cooling fan runs, go to next step.

42) Check Fan Run Mode  With key off and ECA disconnected, connect IRCM. Turn key on. If cooling fan does not run, go to step 46). If cooling fan runs, go to step 44).

43) Measure Battery Voltage at Fan: By-Pass IRCM  Turn key off. Disconnect cooling fan harness and IRCM connector. Install a jumper wire between IRCM vehicle harness connector pins No. 1 and 3. Set DVOM on 20-volt scale and measure voltage at cooling fan vehicle harness connector. If reading is 8.0 volts or more, replace cooling fan. Reconnect all components and re-evaluate symptom. If reading is less than 8.0 volts, go to step 45).

44) Check EDF Circuit For Short to Ground  Turn key off. Disconnect ECA and IRCM. Set DVOM on 200-k/ohm scale and measure resistance between IRCM vehicle harness connector pins No. 14 and 15. If resistance is 10 k/ohms or more, replace IRCM. Reconnect all components and re-evaluate symptom. If reading is less than 10 k/ohms, repair short to ground in EDF circuit. Reconnect all components and re-evaluate symptom.

45) Check Cooling Fan Ground Circuit  Turn key off and disconnect cooling fan. Disconnect IRCM connector. Install a jumper wire between IRCM harness connector pins No. 1 and 3. Set DVOM on 20-volt scale and measure voltage between cooling fan harness connector (+) and battery negative terminal (-). If reading is 8.0 volts or more, repair open in fan ground circuit. Reconnect all components and re-evaluate symptom. If reading is less than 8.0 volts, repair open in POWER-to-FAN circuit from IRCM harness connector pins No. 3 and 4 to cooling fan connector. Connect IRCM and re-evaluate symptom.

46) Check ECT Sensor  With key off, reconnect ECA. Check engine coolant level. Warm engine to normal operating temperature. Turn key off and wait 10 seconds. Disconnect ECT sensor. Set DVOM on 200-k/ohm scale and measure resistance of ECT sensor. If resistance is 1500-2000 ohms, replace ECA. Reconnect all components and re-evaluate symptom. If reading is not 1500-2000 ohms, replace ECT sensor. Connect all components and re-evaluate symptom.

NOTE: There is a break in the step numbering sequence at this point, skipping from step 46) to step 50). Break is due to previous chart references to these testing procedures. No test procedures have been omitted.

50) Check Voltage at A/C Clutch  Disconnect A/C clutch. Turn key on, leaving engine off. Place A/C demand switch to A/C ON position. Set DVOM on 20-volt scale and check voltage at A/C clutch vehicle harness connector. If voltage reading is 10.5 volts or more, service A/C compressor and/or system. If voltage is less than 10.5 volts, go to next step.

51) Check Continuity of IRCM to A/C Clutch Circuit  Turn key off. Disconnect IRCM and A/C clutch. Set DVOM on 200-ohm scale. Measure resistance between IRCM vehicle harness connector pin No. 23 and power circuit terminal pin at A/C clutch harness connector. Also measure resistance between IRCM vehicle harness connector pin No. 16 and ground circuit at A/C clutch harness connector. If readings are more than 5 ohms, repair open in power or ground A/C circuit(s) and re-evaluate symptom. If readings are 5 ohms or less, go to next step.

NOTE: Do not use diagnostic tester in step 52), use VOM/DVOM only. Enter Output State Check as specified in test. For additional information see ADDITIONAL SYSTEM FUNCTIONS, OUTPUT STATE CHECK at beginning of this article.

52)  Turn key off and wait 10 seconds. Disconnect ECA 60-pin connector. Inspect for and repair any damaged electrical wiring. After inspection, reconnect breakout box and ECA. Disconnect vehicle harness connector to speed control servo (if equipped). Set DVOM on 20-volt scale. Connect DVOM negative test lead to Self-Test Output (STO) and positive lead to battery positive terminal. Using jumper wire, connect Self-Test Input (STI) to SIG RTN at Self-Test connector. Perform KOEO Self-Test until completion of Continuous Memory Code output (DVOM will read zero volts). Depress and release throttle. DVOM voltage reading should increase. If DVOM did not change, depress throttle to WOT and release. If STO voltage still does not increase, leave equipment hooked up and go to TEST QC, step 1). If DVOM reading changes, remain in Output State Check and go to next step.

53) Check WAC Output Operation  With KOEO, place A/C demand switch to A/C ON position. Set DVOM on 20-volt scale. Connect DVOM positive test lead to pin No. 37 and negative test lead to test pin No. 54. While observing DVOM, depress and release throttle several times (to cycle output on and off). If voltage output does not change, go to step 57). If voltage output changes, go to next step.

54) Check Voltage at A/C Clutch Switch  With key on, engine off and A/C demand switch in A/C ON position, verify that breakout box is installed and that ECA and IRCM are connected. Set DVOM on 20-volt scale and measure voltage between test pins No. 10 and 40. If reading is less than 10.5 volts, go to step 56). If reading is 10.5 volts or more, go to next step.

55) Check Continuity of ACCS Circuit to IRCM  Turn key off and wait 10 seconds. Install breakout box. Disconnect ECA and IRCM connectors. Set DVOM on 200-ohm scale and measure resistance between test pin No. 10 and IRCM harness connector pin No. 21. If reading is more than 5 ohms, service open in ACCS circuit. Remove breakout box and reconnect all components. Re-evaluate symptom. If reading is 5 ohms or less, replace IRCM. Remove breakout box and reconnect all components. Re-evaluate symptom.

56) Check ACCS Circuit Continuity  Turn key off and wait 10 seconds. Install breakout box and reconnect ECA. Place A/C demand switch to A/C ON position. Set DVOM on 200-ohm scale and measure resistance between test pin No. 10 and A/C demand switch. If reading is 5 ohms or less, EEC-IV system is okay. Service or repair A/C system. If reading is more than 5 ohms, repair open in switch circuit. Remove breakout box and reconnect all components. Repeat QUICK TEST.

57) Check Continuity in WAC to IRCM Circuit  Turn key off and wait 10 seconds. Install breakout box. Disconnect ECA and IRCM. Set DVOM on 200-ohm scale and measure resistance between test pin No. 54 and IRCM vehicle harness connector pin No. 22. If reading is more than 50 ohms, repair open in WAC circuit. Remove breakout box and reconnect all components. Re-evaluate symptom. If reading is 50 ohms or less, go to next step.

58) Check WAC Circuit For Shorts to Ground  Turn key off and wait 10 seconds. Leave breakout box installed, and ECA disconnected. Disconnect IRCM connector. Set DVOM on 200-k/ohm scale. Measure resistance between test pins No. 54 and 40, and between test pins No. 54 and 46, and between test pin No. 54 and battery negative terminal. If any reading is less than 10 k/ohms, repair shorts to ground in WAC circuit. Remove breakout box and reconnect all components. Re-evaluate symptom. If all readings are 10 k/ohms or more, go to next step.

59) Check WAC Circuit For Short to Power  Turn key off and wait 10 seconds. Leave breakout box installed, and ECA disconnected. Disconnect IRCM connector. Set DVOM on 200-k/ohm scale. Measure resistance between test pins No. 54 and 37, and between test pin No. 54 and battery positive terminal. If any reading is less than 10 k/ohms, repair shorts to power in WAC circuit. Remove breakout box, reconnect all components and go to next step. If all readings are 10 k/ohms or more, go to next step.

60) Check Voltage at A/C Clutch  Turn key off and wait 10 seconds. Leave breakout box installed, and ECA disconnected. Connect IRCM connector and disconnect A/C clutch. Place A/C demand switch to A/C ON position. With KOEO, set DVOM on 20-volt scale and measure voltage at A/C clutch harness connector. If voltage is greater than 10.5 volts, replace ECA. Remove breakout box and reconnect all components. Re-evaluate symptom. If reading is less than 10.5 volts, replace IRCM. Remove breakout box and reconnect all components. Re-evaluate symptom.

NOTE: There is a break in the step numbering sequence at this point, skipping from step 60) to step 80). Break is due to previous chart references to these testing procedures. No test procedures have been omitted.

80) Code 88: Check EDF Signal to IRCM For Short to Ground  If fan is always on with Code 88, go to step 82). With key off, disconnect ECA 60-pin connector. Inspect for and repair any damaged wiring. Install breakout box, leaving ECA disconnected. Disconnect IRCM connector. Set DVOM on 200-k/ohm scale and measure resistance between test pins No. 40 and 55. If reading is 10 k/ohms or less, repair short to ground in EDF circuit. Reconnect all components and repeat QUICK TEST. If reading is more than 10 k/ohms, go to next step.

81) Check Fan Running Mode  With key off and breakout box installed, disconnect ECA and connect IRCM connector. Turn key on. If fan runs at low speed, replace ECA. Remove breakout box and reconnect all components. Repeat QUICK TEST. If fan does not run as indicated, replace IRCM. Remove breakout box. Reconnect all components and repeat QUICK TEST.

82) Fan Always On With Code 88: Check EDF Signal Circuit to IRCM Continuity  Turn key off. Disconnect ECA 60-pin connector. Inspect connector for damaged pins, corrosion, or loose wires. Repair if necessary. Install breakout box, leaving ECA disconnected. Disconnect IRCM connector. Set DVOM on 200-ohm scale and measure resistance between breakout box test pin No. 55 and pin No. 14 at IRCM harness connector. If reading is 5 ohms or less, go to next step. If not, repair open in EDF circuit. Remove breakout box and reconnect all components. Repeat QUICK TEST.

83) Check EDF Circuit For Short to Power  Turn key off. Install breakout box, leaving ECA disconnected. Disconnect IRCM connector. Set DVOM on 200-k/ohm scale. Measure resistance between test pins No. 55 and 37, and from test pin No. 55 to battery positive terminal. If readings are 10 k/ohms or less, repair short to power in EDF circuit. After repairs, go to next step. If readings are greater than 10 k/ohms, go to next step.

84) Check EDF For Shorts to Ground  Turn key off. Install breakout box, leaving ECA disconnected. Ensure IRCM is properly connected. Turn key on. Using jumper wire, connect test pin No. 55 to test pins No. 40 or 60. If fan continues to run, replace IRCM. Remove breakout box and reconnect all components. Repeat QUICK TEST. If fan does not run, replace ECA. Remove breakout box. Reconnect all components and repeat QUICK TEST.

NOTE: There is a break in the step numbering sequence at this point, skipping from step 84) to step 90). Break is due to previous chart references to these testing procedures. No test procedures have been omitted.

90) Code 95: Check Inertia Switch  A KOEO Code 95 indicates one of the following:

Turn key off and wait 10 seconds. Locate and disconnect fuel pump inertia switch. Set DVOM on 200-ohm scale. Measure resistance of fuel pump inertia switch. If resistance is less than 5 ohms, reconnect inertia switch and go to next step. If resistance is more than 5 ohms, replace or reset inertia switch, rerun QUICK TEST.

91) Verify That Fuel Pump is Off  Turn key off. Listen for fuel pump. If pump is still running go to next step. If pump is off, go to step 93).

92) Check For Closed Fuel Pump Relay  With key off, locate and disconnect IRCM. If fuel pump shuts off when controller is disconnected, replace IRCM and rerun QUICK TEST. If pump does not shut off, repair short to power in POWER-to-PUMP (FPM) circuit. Reconnect IRCM and rerun QUICK TEST.

93) Check Continuity of FPM Circuit  With key off, disconnect ECA 60-pin connector. Inspect connector for damaged pins, corrosion, or loose wires. Repair if necessary. Install breakout box, leaving ECA disconnected. Disconnect IRCM. Set DVOM on 200-ohm scale and measure resistance between FPM circuit at the breakout box and pin No. 5 of IRCM vehicle harness connector. If resistance is less than 5 ohms, go to next step. If resistance is greater than 5 ohms, repair open circuit. Remove breakout box and reconnect all components. Rerun QUICK TEST.

94) Check For Continuity Between FPM Circuit & Ground  With key off, install breakout box, leaving ECA disconnected. Disconnect IRCM connector. Set DVOM on 200-ohm scale and measure resistance between FPM circuit at breakout box and battery negative terminal. If resistance is less than 5 ohms, replace ECA. Remove breakout box and reconnect all components. Retest system. If resistance is greater than 5 ohms, repair fuel pump circuit or replace fuel pump and rerun QUICK TEST.

95) Code 96: Check POWER-to-PUMP Circuit Continuity  Code 96 indicates that when fuel pump is activated, no power is supplied to pump. Turn key off and wait 10 seconds. Disconnect ECA 60-pin connector. Inspect connector for damaged pins, corrosion, or loose wires. Repair if necessary. Install breakout box, leaving ECA disconnected. Disconnect IRCM. Set DVOM on 200-ohm scale and measure resistance between FPM circuit at breakout box and pin No. 5 at IRCM vehicle harness connector. If resistance is less than 5 ohms, go to next step. If resistance is greater than 5 ohms, repair open in POWER-to-PUMP circuit between FPM splice and IRCM. Remove breakout box and reconnect all components. Rerun QUICK TEST.

96) Check Fuel Pump Operation  With key off, disconnect ECA 60-pin connector. Install breakout box, reconnect ECA and IRCM. Set DVOM on 20-volt scale. Connect DVOM between FPM circuit and test pin No. 40, at the breakout box. Observe DVOM and turn key to ON position. If voltage is greater than 9.8 volts, for approximately one second after key is turned on, replace ECA. Remove breakout box and rerun QUICK TEST. If voltage does not increase to specification, replace IRCM. Remove breakout box and reconnect all components. Rerun QUICK TEST.

97) Code 59: Measure Idle Fuel Pump Relay Power Circuit Continuity  Code 59 indicates idle fuel pump is not receiving the correct supplied voltage through the circuit. Turn key off. Disconnect IRCM. Set DVOM on 200-ohm scale. Measure resistance between pin No. 10 at the IRCM vehicle harness connector and battery positive terminal. If resistance is 1.0-1.2 ohms, go to next step. If not, repair idle fuel pump circuit. Reconnect IRCM and repeat QUICK TEST.

NOTE: There is a break in the step numbering sequence at this point, skipping from step 97) to step 100). Break is due to previous chart references to these testing procedures. No test procedures have been omitted.

100) Continuous Memory Code 95: Check EEC-IV Harness  Code 95 indicates that there is an open circuit in the fuel pump or between the fuel pump and FPM circuit in the ECA. The fuel pump ground circuit is poor.

Start engine and test for stalling or stumble while performing WIGGLE TEST on fuel pump and ECA harness. Perform WIGGLE TEST on fuel pump ground circuit. Lightly tap on fuel pump to duplicate road shock. Turn key off and inspect connections for corrosion or damage. If no fault is found, go to next step. If fault is found, repair it, clear codes, and rerun QUICK TEST.

101) Check FPM Circuit  Turn key off. Disconnect ECA 60-pin connector. Inspect connector for damaged pins, corrosion, or loose wires. Repair if necessary. Install breakout box, leaving ECA disconnected. With KOEO, connect a test light between FPM circuit and test pin No. 37. Observe test light while performing WIGGLE TEST on the fuel pump monitor circuit (pin No. 8) between the ECA and the connection at the POWER-to-PUMP circuit. If a fault is found, isolate and repair. Clear codes and rerun QUICK TEST. If no fault is found, fault cannot be duplicated at this time. Clear memory codes for future testing.

102) Continuous Memory Code 59 or 96: Check For Continuous Memory Code 83 or 87 Also Displayed  If Code 83 or 87 is also present, go to step 104). If a Code 83 or 87 is not present, proceed to the next step.

103) Check EEC-IV Harness  A Continuous Memory Code 59 or 96, without the presence of a Continuous Memory Code 83 or 87, indicates that during vehicle operation the fuel pump relay contacts have opened or that there is an open in the POWER-to-PUMP circuit from the IRCM pin No. 5 to the FPM splice. Start engine and listen for fuel pump stopping, stall or stumble while performing WIGGLE TEST on PUMP-to-POWER circuit from IRCM to FPM splice. With key off, inspect IRCM 24-pin connector and harness. If a fault is found, isolate and repair, clear codes and retest. If no fault is found, problem cannot be duplicated at this time. Clear codes and rerun QUICK TEST.

104) Continuous Memory Code 83 or 87: Check EEC-IV Harness  A Continuous Memory Code 83 or 87 indicates that during vehicle operation there has been an open condition in the VPWR circuit of the IRCM, an open coil in the fuel pump relay, or an open in the fuel pump primary circuit.

Start engine and listen for fuel pump stopping, stall or stumble while performing WIGGLE TEST on EEC-IV harness fuel pump circuit (pin No. 22 or 41) between the ECA and IRCM (pin No. 18 or 11). With key off, inspect harness and connectors. If a fault is found, isolate and repair, clear codes and retest. If no fault is found, problem cannot be duplicated at this time. Clear codes and rerun QUICK TEST.