lemon-mirror:
Home >> Ford >> 1993 >> Probe Base, Automatic >> Repair and Diagnosis >> Brakes >> Traction Control >> Anti-Lock Brake System >> Wiring Diagram

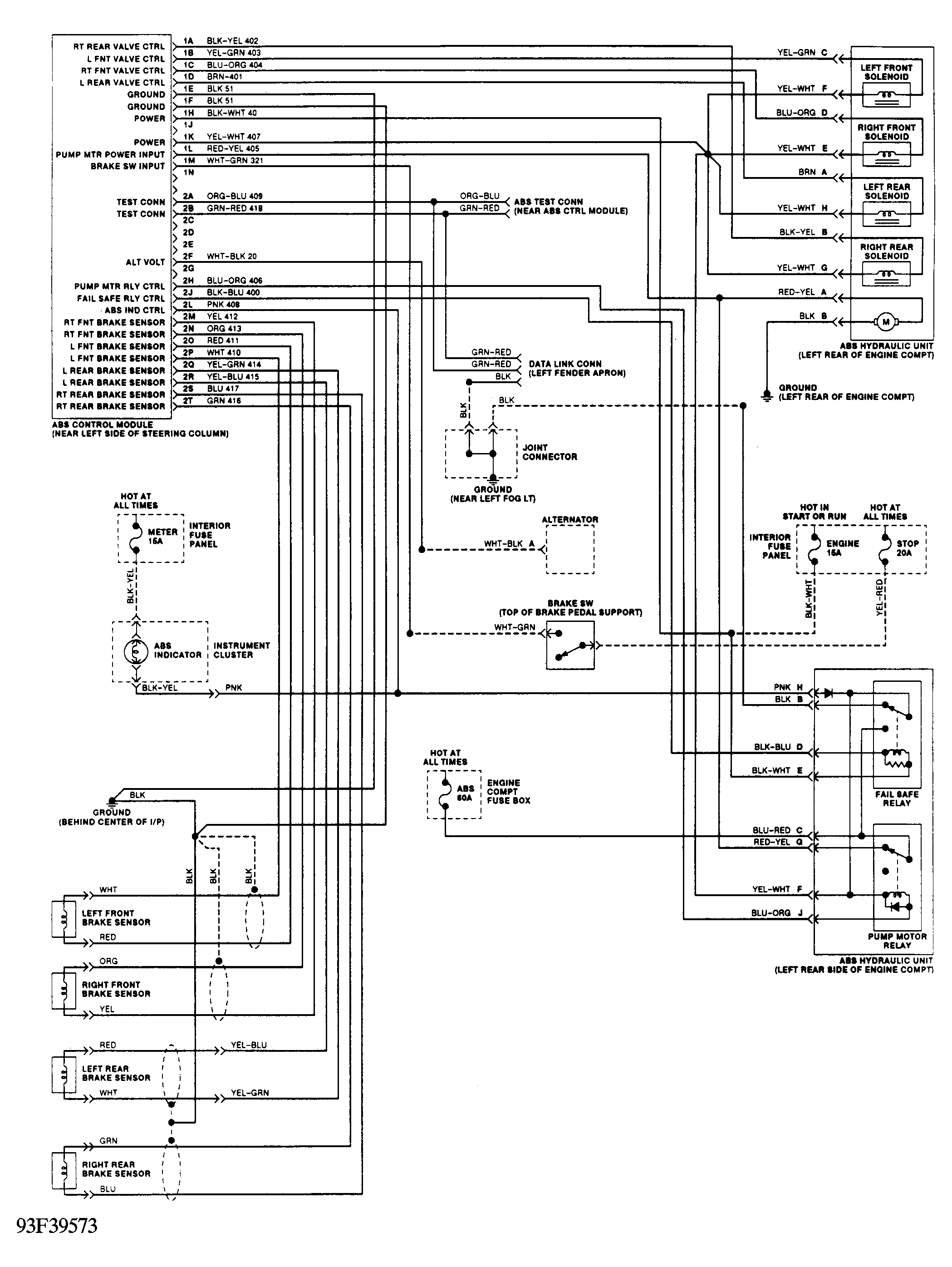
Anti-Lock Brake System: Wiring Diagram

Fig 1: Anti-Lock Brake System Wiring Diagram
G93F39573