lemon-mirror:
Home >> Ford >> 1993 >> Probe Base, Automatic >> Repair and Diagnosis >> Electrical >> Gauges >> Instrument Panel - Analog >> Testing >> Notes

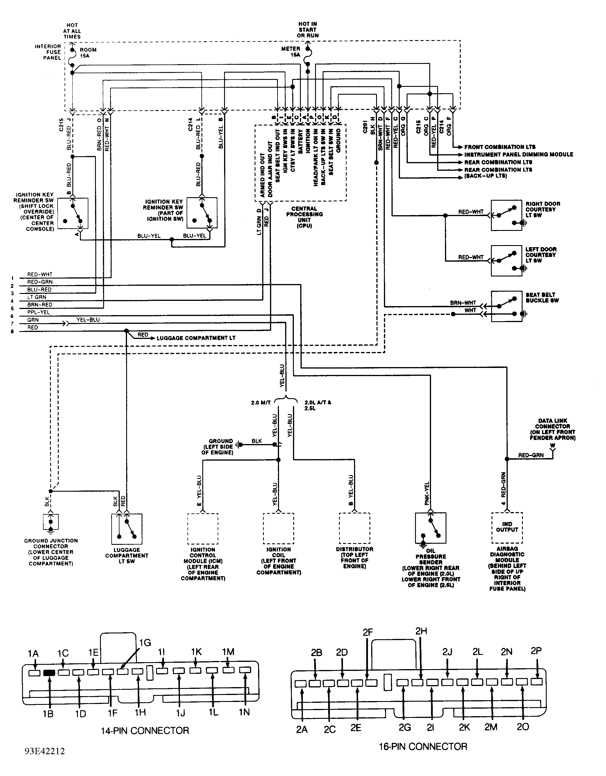
Instrument Panel - Analog: Testing: Notes

The following tests refer to terminals on the instrument cluster and instrument cluster connectors. See Figure .