lemon-mirror:
Home >> Ford >> 1993 >> Probe Base, Automatic >> Repair and Diagnosis >> Engine Performance >> Wiring Diagrams >> Engine Control System Wiring Diagrams >> 2.5L

Engine Control System Wiring Diagrams: 2.5L

Fig 1: EEC Wiring Diagram (Probe 2.5L - 1 of 3)
G93G40655
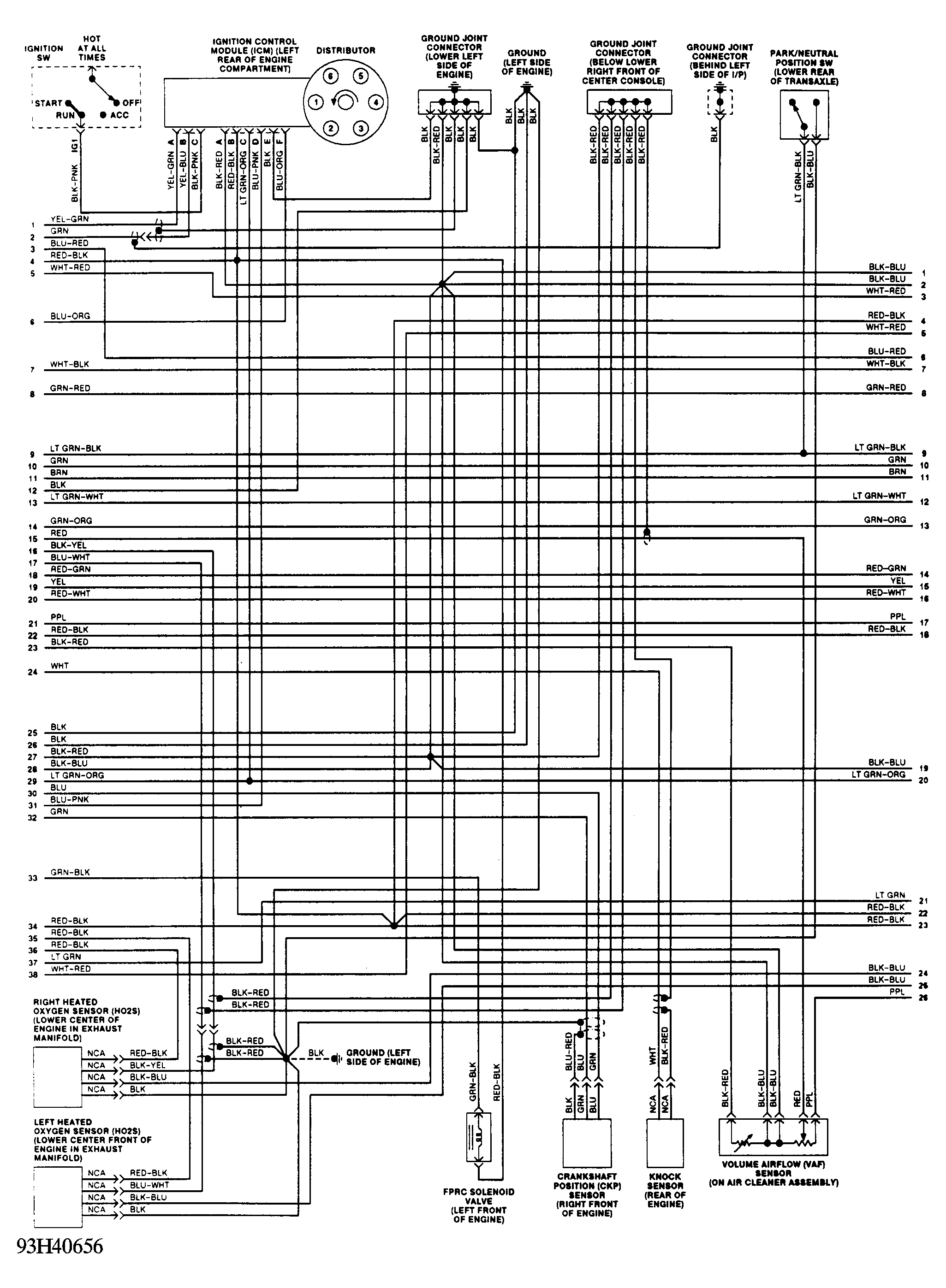
Fig 2: EEC Wiring Diagram (Probe 2.5L - 2 of 3)
G93H40656
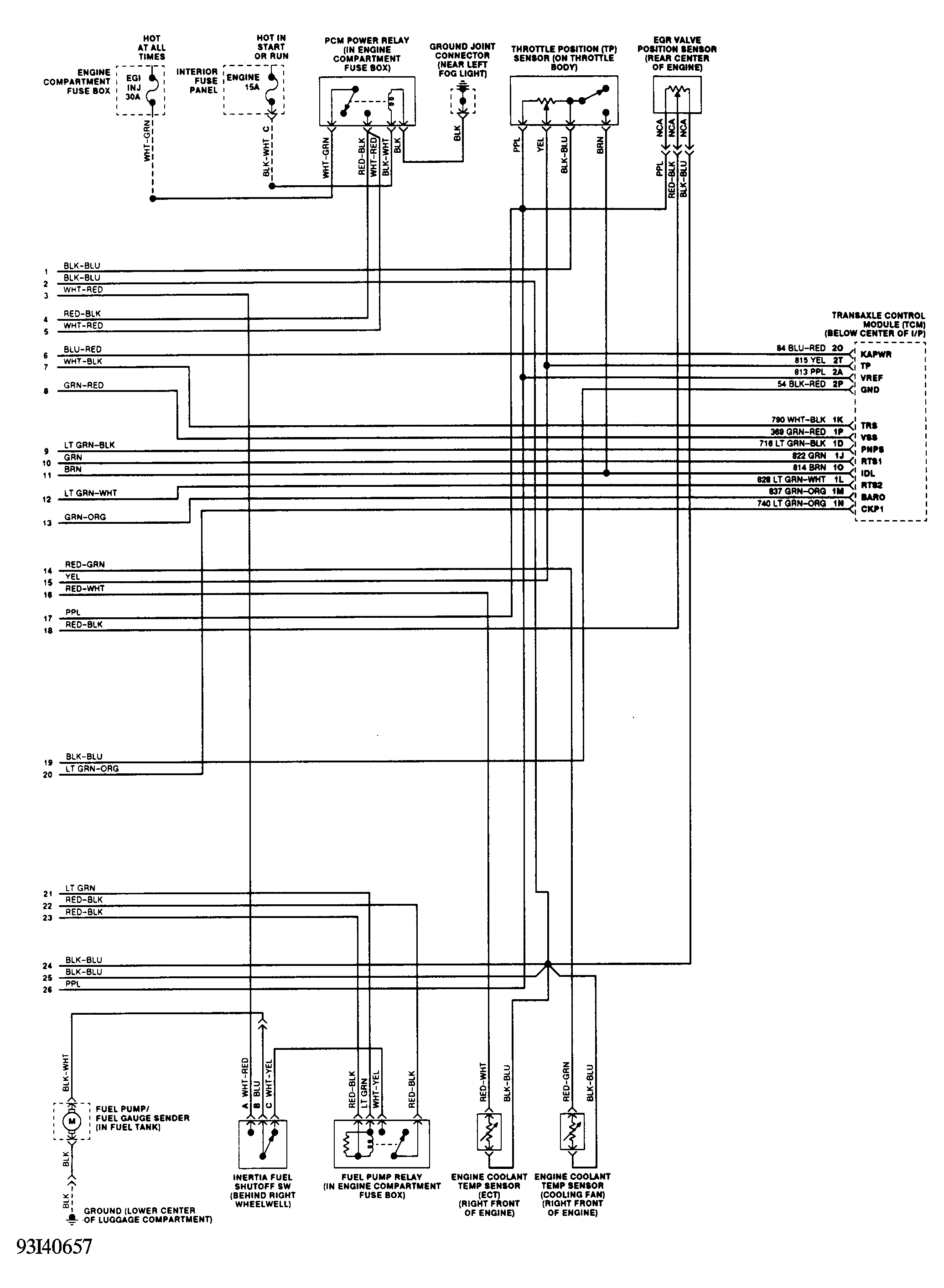
Fig 3: EEC Wiring Diagram (Probe 2.5L - 3 of 3)
G93I40657