lemon-mirror:
Home >> Ford >> 1995 >> Crown Victoria Base >> Repair and Diagnosis >> Electrical >> Starter >> On-Vehicle Testing >> Ignition Switch

Ignition Switch

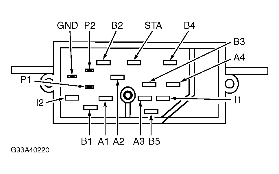
  1. Check for continuity between specified terminals with ignition switch in each position. See Fig 1 . If continuity is not as specified, or is poor in any switch position, replace ignition switch.
    Fig 1: Ignition Switch Terminal ID (All Models)
    G93A40220Courtesy of FORD MOTOR CO.
  2. Continuity should exist between terminals STA and B4 with ignition switch in START position only (start circuit). Continuity should not exist for all other switch positions.
  3. Continuity should exist between terminals P1 and GND with ignition switch in START position only (bulb check circuit). Continuity should not exist for all other switch positions.
  4. Continuity should exist between terminals B5 and I1 with ignition switch in START and RUN positions only (ignition circuit). Continuity should not exist for all other switch positions.
  5. Continuity should exist between terminals B5 and A1 with ignition switch in ACC position only. Continuity should not exist for all other switch positions.
  6. Continuity should exist between terminals A1 and B1 with ignition switch in RUN position only. Continuity should not exist for all other switch positions.
  7. Continuity should exist between terminals A2 and B2 with ignition switch in RUN position only. Continuity should not exist for all other switch positions.
  8. Continuity should exist between terminals A3 and B3 with ignition switch in RUN position only. Continuity should not exist for all other switch positions.
  9. Continuity should exist between terminals A4 and B4 with ignition switch in RUN position only. Continuity should not exist for all other switch positions.