lemon-mirror:
Home >> Ford >> 1995 >> Probe Base, Automatic >> Repair and Diagnosis >> Engine Performance >> System >> Engine Controls - System/Component Tests - EEC-IV (2.0L) >> Ignition System >> Pinpoint Test B: Continuous Memory Code 212

Pinpoint Test B: Continuous Memory Code 212

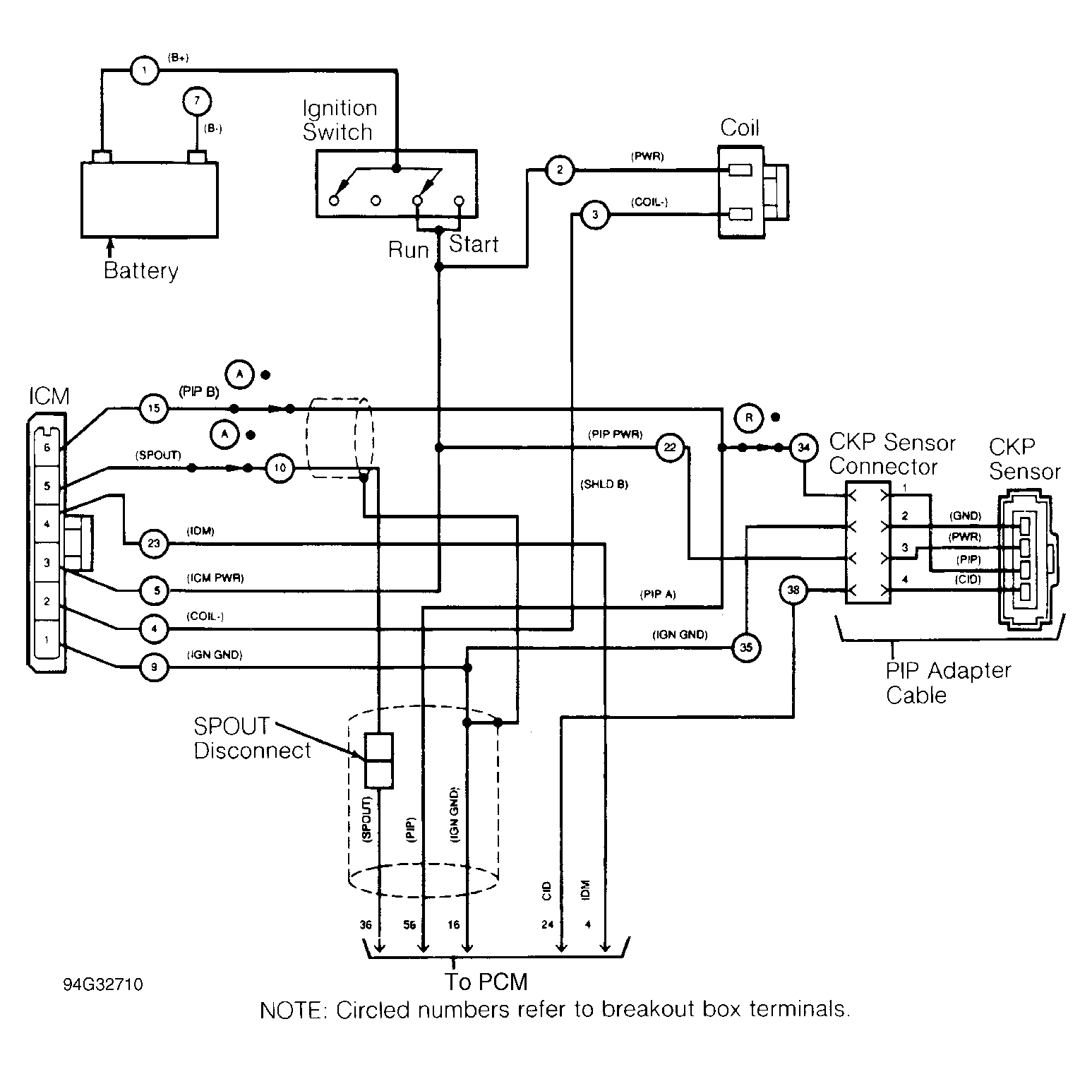
  1. Connect Test Equipment  Turn ignition off. Connect DI Diagnostic Cable (007-00097) to EEC-IV Breakout Box (T83L-50-EEC-IV), negative battery terminal and ICM. See Figure. Leave B+ lead disconnected. Ensure PIP OPEN/NORMAL/SPOUT OPEN switch is in NORMAL position. Use DI overlay on breakout box. Disconnect PCM and go to next step.
  2. Check IDM Signal At PCM  Turn ignition off. Set DVOM on AC scale. Crank engine while measuring voltage between J7 (B -) at breakout box and terminal No. 4 (IDM) at PCM wiring harness connector. If AC voltage is more than one volt, replace PCM. If AC voltage is one volt or less, go to next step.
  3. Check For Short To Power In IDM  Turn ignition off. Disconnect diagnostic connector from ICM. Leave ICM wiring harness connected to diagnostic cable. Set DVOM on DC scale. Turn ignition on. Measure voltage between J7 (B -) and J23 (IDM). If voltage is less than 0.5 volt, go to next step. If voltage is 0.5 volt or more, repair short to power in IDM circuit between PCM and ICM wiring harness connector.
  4. Check For Short To Ground In IDM  Turn ignition off. Measure resistance between J7 (B -) and J23 (IDM). If resistance is 10,000 ohms or less, repair short to ground in IDM circuit between PCM and ICM wiring harness connector. If resistance is more than 10,000 ohms, go to next step.
  5. Check For Open IDM  Measure resistance between J23 (IDM) at breakout box and terminal No. 4 of PCM wiring harness connector. If resistance is less than 5 ohms, replace ICM. If resistance is 5 ohms or more, repair open IDM circuit between PCM and ICM wiring harness connector.