lemon-mirror:
Home >> Ford >> 1997 >> Taurus SHO >> Repair and Diagnosis >> Brakes >> Traction Control >> Anti-Lock Brake System >> Terminal Identification

Terminal Identification

Fig 1: Identifying ECU 28-Pin Connector Terminals
G95D12990Courtesy of FORD MOTOR CO.
Fig 2: Instrument Panel Fuse Block 36-Pin Connector Terminals (C2)
G96D25406Courtesy of FORD MOTOR CO.
Fig 3: Instrument Panel Fuse Block 22-Pin Connector Terminals (C3)
G96E25407Courtesy of FORD MOTOR CO.
Fig 4: Instrument Cluster 16-Pin Connector Terminals (C1)
G96F25408Courtesy of FORD MOTOR CO.
Fig 5: Instrument Cluster 16-Pin Connector Terminals (C3)
G96G25409Courtesy of FORD MOTOR CO.
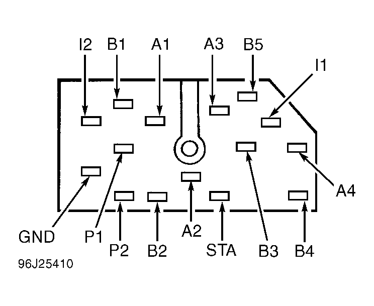
Fig 6: Identifying Ignition Switch 15-Pin Connector Terminals
G96J25410Courtesy of FORD MOTOR CO.