lemon-mirror:
Home >> Ford >> 1998 >> Econoline Custom >> Repair and Diagnosis >> Engine Performance >> Vacuum Diagrams >> Vehicle Calibration

Vehicle Calibration

Vacuum diagrams are identified by calibration code. Use the Emission Calibration Label to identify calibration. Calibration label is attached to left door or left door pillar. See Fig 1 . Use calibration code to select vacuum diagram.

NOTE: Vacuum diagrams for calibrations not shown are not available from manufacturer.
Fig 1: Identifying Emission Calibration Label
G95D13162Courtesy of FORD MOTOR CO.
VACUUM DIAGRAM APPLICATIONS

Application & Calibration Codes (1) See
Expedition
4.6L
8-48J-R05 (LZO1), 8-48J-R10 (LZO2), 8-48U-R05 (MTT1), 8-48U-R10 (MTT2) Fig 2
5.4L
8-46F-R05 (VXX1), 8-46F-R10 (VXX2), 8-46U-R05 (WNI1), 8-46U-R10 (WNI2) Fig 3
Explorer
4.0L - Except 4.0L SOHC
8-57B-R05 (ZZD1), 8-57R-R05 (AQM1), 8-58B-R05 (PPG1), 8-58R-R05 (XRL1) Fig 4
4.0L SOHC
8-58C-R05 (BEA1), 8-58C-R10 (BAE2), 8-58V-R05, 8-58V-R10 (CJJ2) Fig 5
5.0L
8-54G-R05 (NTR1), 8-54U-RO5 (PCC1) Fig 6
F-150
4.2L
8-43E-R00 (XNB0), 8-43F-R05 (ZFT0), 8-43R-R00 (NHY0), 8-43S-R00 (SQW0), 8-44E-R05 (LYY1), 8-44F-R05 (MPO1), 8-44R-R05 (NLT1), 8-44S-R05 (POA1) Fig 7
4.6L
8-48C-R05 (EGE1), 8-48D-R05 (FOU1), 8-48E-R05 (GDT1), 8-48Q-R05 (JLP1), 8-48R-R05 (JPL1), 8-48S-R05 (KHE1) Fig 8
5.4L
8-46C-R00 (JLD2), 8-46D-R00 (JLD1), 8-46D-R10 (JLD2), 8-46E-R05 (HTL1), 8-46E-R10 (HTL2), 8-46G-R00 (HTL2), 8-46R-R05 (PDC1), 8-46R-R10 (PDC2), 8-46S-R00 (PDC2), 8-46T-R05 (TOZ1), 8-46T-R10 (EFG2), 8-46V-R00 (EGF2) Fig 9
F-250
4.6L
7-47F-R05 (BQQ1), 7-47G-R05 (DYA1), 8-48F-R05 (TZO1), 8-48G-R05 (BSQ1), 8-48P-R05 (CLT1), 8-48T-R05 (DZY1) Fig 9
5.4L - Except Natural Gas
8-46T-R05 (TOZ1), 8-46T-R10 (EFG2) Fig 9
5.4L Natural Gas
7-46W-R05 (KLX1) Fig 10
Mountaineer
4.0L SOHC
8-58C-R05 (BEA1), 8-58C-R10 (BAE2), 8-58V-R05 (CJJ2), 8-58V-R10 (CJJ2) Fig 5
5.0L
8-54G-R05 (NTR1), 8-54U-RO5 (PCC1) Fig 6
Navigator
5.4L
7-46U-R10 (GZA4), 8-46F-R05 (VXX1), 8-46F-R10 (VXX2), 8-46U-R05 (WNI1), 8-46U-R10 (WNI2) Fig 3
Ranger
2.5L
8-49A-R06 (FLH2), 8-49T-R06 (BLC2), 8-50A-R05 (CNP1), 8-50T-R06 (DUU2) Fig 11
3.0L
8-55F-R05 (EFA1), 8-55H-R05 (FLQ1), 8-55R-R05 (GTA1), 8-55S-R05 (HND1), 8-56F-R05 (JCT1), 8-56F-R15 (BPE0), 8-56H-R05 (KKL1), 8-56H-R15 (CVV0), 8-56R-R05 (LLJ1), 8-56R-R15 (DGG0), 8-56S-R05 (MPZ1), 8-56S-R15 (EMR0) Fig 12
4.0L
8-57F-R05 (NCA1), 8-57F-R10 (NCA2), 8-57H-R05 (PTO1), 8-57H-R10 (PTO2), 8-57S-R05 (RRL1), 8-57S-R10 (RRL2), 8-57T-R05 (SHH1), 8-57T-R10 (SHH2), 8-58F-R06 (TJT2), 8-58F-R15 (FFP0), 8-58H-R06 (VVQ2), 8-58H-R15 (XRR0), 8-58S-R06 (XCC2), 8-58S-R15 (HRE0), 8-58T-R06 (YLB2), 8-58T-R15 (JYP0) Fig 13
Super Duty
Pickup
7.0L Gasoline
5-87B-00, 5-87H-00, 5-88B-00, 5-88H-00 Fig 14
7.0L LPG
5-57L-00, 5-87L-00 Fig 15
Van
4.2L
8-44J-R05 (DTA1), 8-44K-R05 (EEC2), 8-44K-R10 (EEC2), 8-44L-R05 (FGG1), 8-44M-R05 (HSS1), 8-44M-R05 (RII1), 8-44M-R10 (HSS2), 8-44T-R05 (JJR1), 8-44U-R05 (ZLD1), 8-44U-R10 (ZLD2) Fig 16
8-44R-R05 (NLT1) Fig 7
4.6L
8-48W-R05 (SYY1) Fig 2
5.4L - Except Natural Gas
8-46K-R05 (RLM1), 8-46K-R10 (RLM2), 8-46Q-R05 (ANQ1), 8-46Q-R10 (ANQ2), 8-74C-R05 (BRR1) - Code BZM, 8-74C-R10 (BRR2) - Code BZM, 8-74S-R05 (CVQ1), 8-74S-R05 (CVQ2), 8-74U-R05 (EYT1), 8-74U-R10 (EYT2), 8-74V-R05 (FSS1), 8-74V-R10 (FSS2) Fig 17
8-74C-R05 (BRR1) - Code DAU, 8-74C-R10 (BRR2) - Code DAU, 8-74T-R05 (DWW1), 8-74T-R10 (DWW2) Fig 18
5.4L Natural Gas
7-46N-R05 (RST1) Fig 10
6.8L
8-96E-R05 (WOM1) - Codes BAD & BSF, 8-96E-R05 (WOM2) - Codes BAD & BSF, 8-96T-R05, 8-96T-R10, 8-96W-R05 (ZJZ1), 8-96W-R10 (ZJZ2), 8-96Y-R05 (NNT0) Fig 19
8-96E-R05 (WOM1) - Code DAP, 8-96E-R05 (WOM2) - Code DAP, 8-96J-R05 (XTT1), 8-96X-R05 (VOO1), 8-96X-R10 (V002) Fig 20
7.3L Turbo Diesel
8-90N-R10, 8-90N-R11, 9-DTA-BAF (2)
Villager
3.0L
(2) (2)
Windstar
3.0L
8-56K-R06, 8-56K-R10, 8-56K-R11, 8-56K-R17, 8-56K-R18 (EPT3), 8-56P-R06 (GLG3), 8-56P-R10 (GLG4), 8-56Q-R05, 8-56Q-R17, 8-56Q-R18 (FGA3) Fig 21
3.8L
8-62J-R06, 8-62J-R11, 8-62J-R12, 8-62J-R17, 8-62J-R18 (FRZ3), 8-62K-R06, 8-62K-R11, 8-62K-R12, 8-62K-R17, 8-62K-R18 (FLB3), 8-62P-R05, 8-62P-R17, 8-62P-R18 (GLC3), 8-62Q-R05, 8-62Q-R17, 8-62Q-R18 (FTC3), 8-62S-R06, 8-62S-R11, 8-62T-R06, 8-62T-R11 Fig 22
(1) Code within parentheses is new coding sequence for revision level information beginning in 1999 by Ford Motor Co.
(2) Information not available from manufacturer.
Fig 2: Vacuum Diagram (Expedition & Van - 4.6L)
G00087570Courtesy of FORD MOTOR CO.
Fig 3: Vacuum Diagram (Expedition & Navigator - 5.4L)
G00087571Courtesy of FORD MOTOR CO.
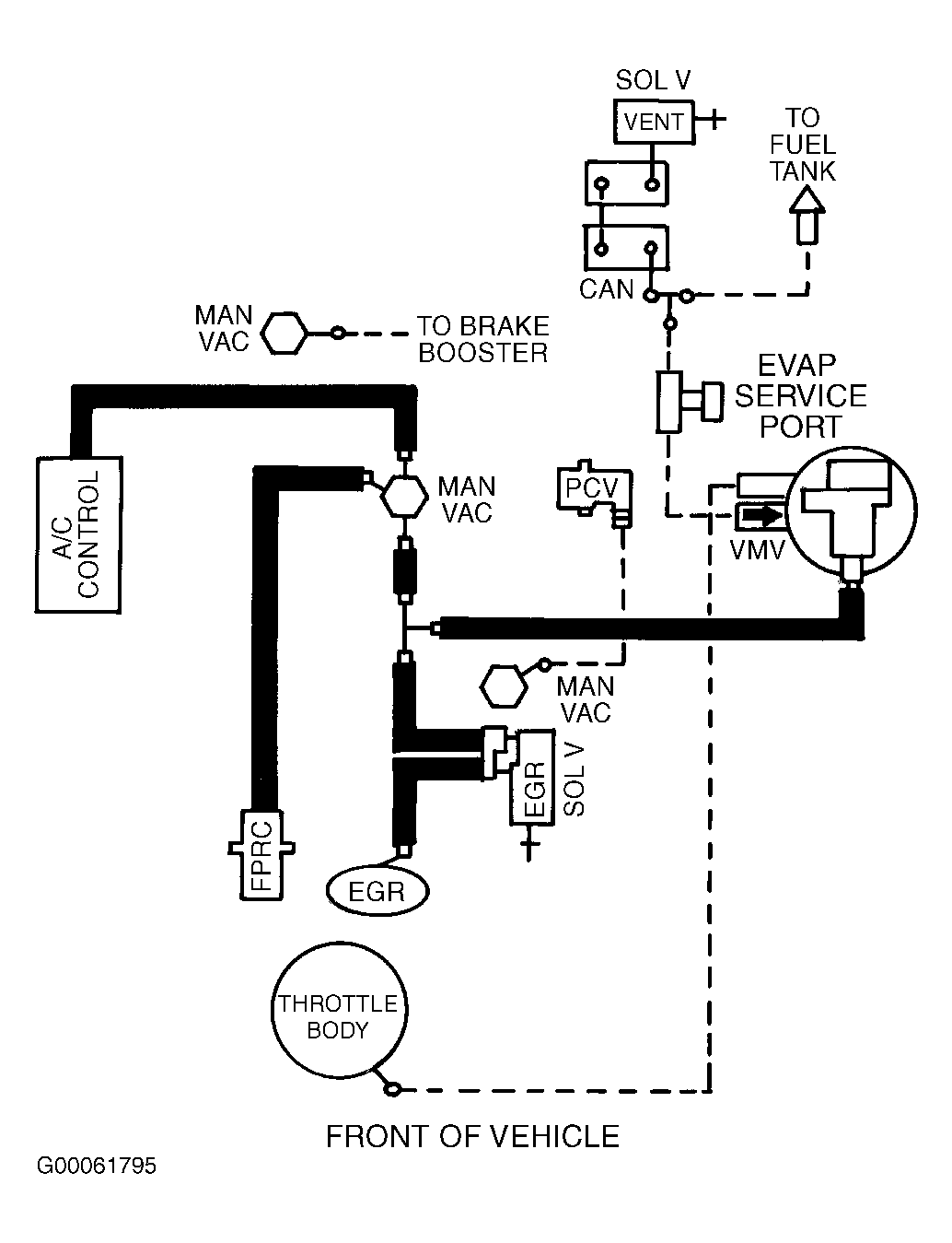
Fig 4: Vacuum Diagram (Explorer - 4.0L - Except 4.0L SOHC)
G00061795Courtesy of FORD MOTOR CO.
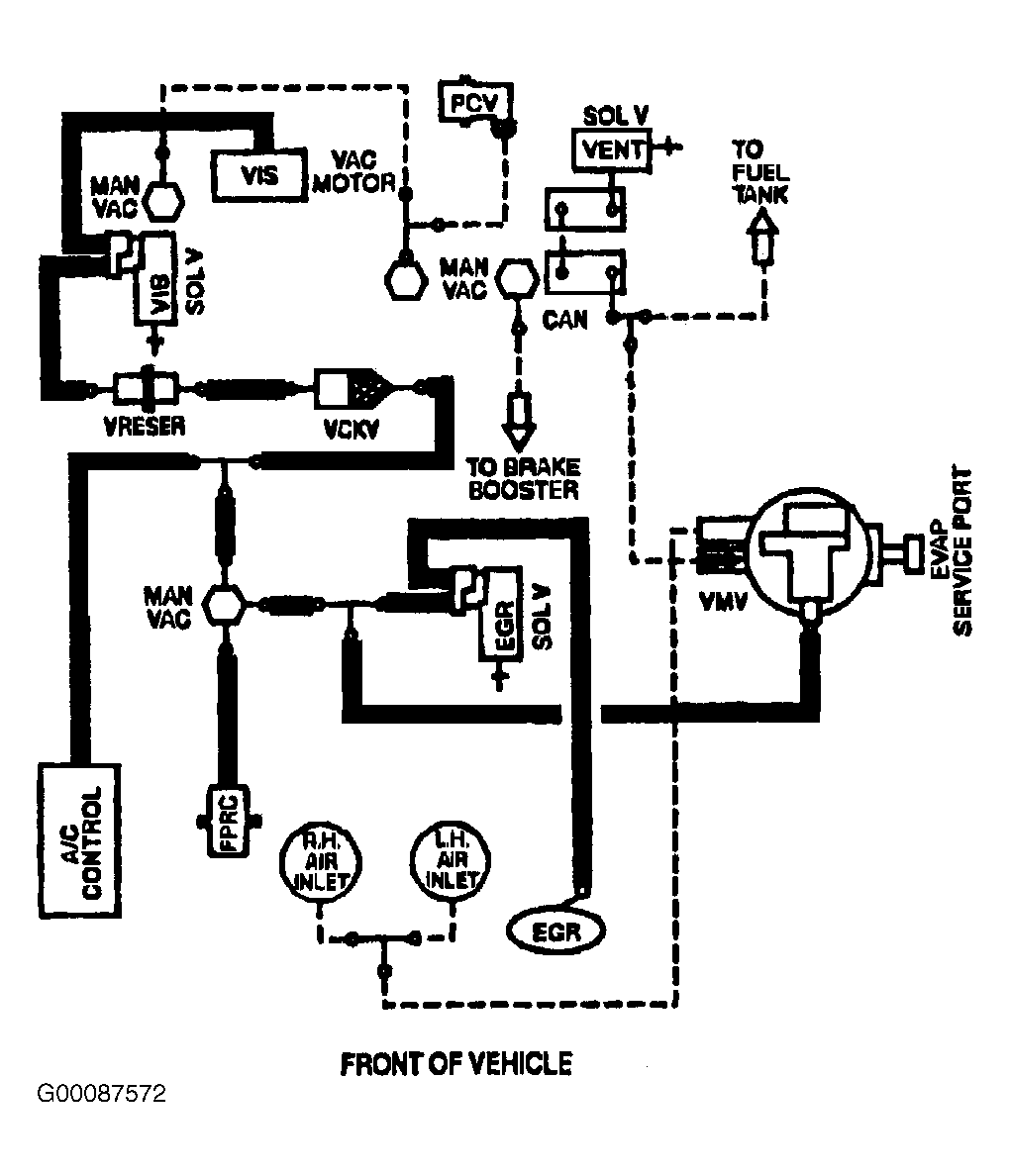
Fig 5: Vacuum Diagram (Explorer & Mountaineer - 4.0L SOHC)
G00087572Courtesy of FORD MOTOR CO.
Fig 6: Vacuum Diagram (Explorer & Mountaineer - 5.0L)
G00061797Courtesy of FORD MOTOR CO.
Fig 7: Vacuum Diagram (F-150 & Van - Calibration No. 8-44R-R05 (NLT1) - 4.2L)
G00087581Courtesy of FORD MOTOR CO.
Fig 8: Vacuum Diagram (F-150 - 4.6L)
G00087573Courtesy of FORD MOTOR CO.
Fig 9: Vacuum Diagram (F-150 - 5.4L & F-250 - 4.6L & 5.4L - Except Natural Gas)
G00087574Courtesy of FORD MOTOR CO.
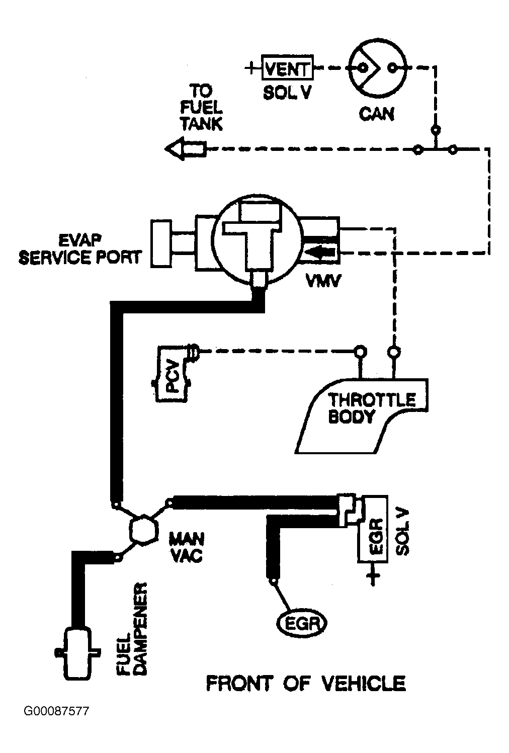
Fig 10: Vacuum Diagram (F-250 & Van - 5.4L Natural Gas)
G00087575Courtesy of FORD MOTOR CO.
Fig 11: Vacuum Diagram (Ranger - 2.5L)
G00087576Courtesy of FORD MOTOR CO.
Fig 12: Vacuum Diagram (Ranger - 3.0L)
G00087577Courtesy of FORD MOTOR CO.
Fig 13: Vacuum Diagram (Ranger - 4.0L)
G00087578Courtesy of FORD MOTOR CO.
Fig 14: Vacuum Diagram (Super Duty - Pickup - 7.0L Gasoline)
G00087579Courtesy of FORD MOTOR CO.
Fig 15: Vacuum Diagram (Super Duty - Pickup - 7.0L LPG)
G00087580Courtesy of FORD MOTOR CO.
Fig 16: Vacuum Diagram (Van - 4.2L)
G00061792Courtesy of FORD MOTOR CO.
Fig 17: Vacuum Diagram (Van - 5.4L - Except Natural Gas - Except Calibration Nos. 8-74C-R05 (BRR1) - Code DAU, 8-74C-R10 (BRR2) - Code DAU, 8-74T-R05 (DWW1) & 8-74T-R10 (DWW2))
G00087582Courtesy of FORD MOTOR CO.
Fig 18: Vacuum Diagram (Van - 5.4L - Except Natural Gas - Calibration Nos. 8-74C-R05 (BRR1) - Code DAU, 8-74C-R10 (BRR2) - Code DAU, 8-74T-R05 (DWW1) & 8-74T-R10 (DWW2))
G00087583Courtesy of FORD MOTOR CO.
Fig 19: Vacuum Diagram (Van - 6.8L - Except Calibration Nos. 8-96E-R05 (WOM1) - Code DAP, 8-96E-R05 (WOM2) - Code DAP, 8-96J-R05 (XTT1), 8-96X-R05 (VOO1) & 8-96X-R10 (VOO2))
G00087584Courtesy of FORD MOTOR CO.
Fig 20: Vacuum Diagram (Van - 6.8L - Calibration Nos. 8-96E-R05 (WOM1) - Code DAP, 8-96E-R05 (WOM2) - Code DAP, 8-96J-R05 (XTT1), 8-96X-R05 (VOO1) & 8-96X-R10 (VOO2))
G00087585Courtesy of FORD MOTOR CO.
Fig 21: Vacuum Diagram (Windstar - 3.0L)
G00087586Courtesy of FORD MOTOR CO.
Fig 22: Vacuum Diagram (Windstar - 3.8L)
G00087587