lemon-mirror:
Home >> Ford >> 2000 >> Contour SVT >> Repair and Diagnosis >> External Pages >> Different car >> Section 1366 (Engine System) >> In-Vehicle Repair >> Valve Cover - LH >> Notes

Valve Cover - LH: Notes

WARNING: This page is about a different car, the 2006 Mercury Grand Marquis and 2006 Ford Crown Victoria. However, it is still accessible from the selected car via links, so may be relevant.
MATERIAL SPECIFICATIONS

Item Specification
Motorcraft Metal Surface Prep ZC-31 -
Silicone Gasket Remover ZC-30 -
Silicone Gasket and Sealant TA-30 WSE-M4G323-A4
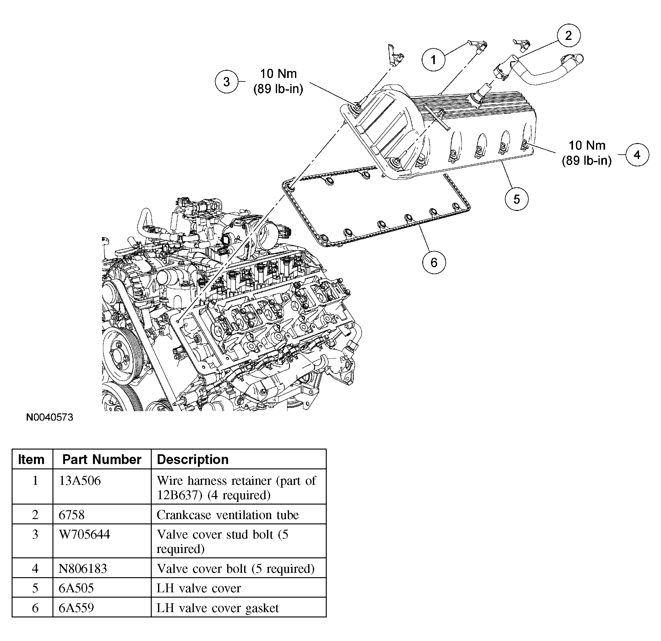
Fig 1: Identifying Valve Cover Components - LH
G04583418Courtesy of FORD MOTOR CO.