lemon-mirror:
Home >> Ford >> 2000 >> Excursion 7.3 F, RWD >> Repair and Diagnosis >> Engine Performance >> Vacuum Diagrams >> Introduction

Vacuum Diagrams: Introduction

NOTE: References to Econoline include Cutaway and RV Cutaway. References to Pickup include Cab & Chassis.

This article contains underhood schematics of vacuum hose routing. Use these vacuum diagrams during the visual inspection performed in the appropriate BASIC DIAGNOSTIC PROCEDURES article. This will assist in identifying improperly routed vacuum hoses, which may cause driveability and/or computer-indicated malfunctions. To properly identify calibration code, catch code must be identified. The catch code is the 4 alpha/numeric characters located in parenthesis at the end of the calibration code. Example; 9-EQA-BBD 9 (BAX3). The BAX3 is the catch code. The catch code tag is attached to the powertrain control module connector. See POWERTRAIN CONTROL MODULE LOCATION  table. On some models, the catch code tag may also be located on the "A" pillar or inner fender.

POWERTRAIN CONTROL MODULE LOCATION

Model Location
Econoline & Excursion Left Rear Of Engine Compartment, Near Master Cylinder
Expedition, Explorer, Mountaineer, Navigator & Ranger Right Rear Of Engine Compartment, Mounted On Cowl
Pickup
F150 Behind Right Kick Panel, Through Bulkhead
F250/F350 Super Duty Left Rear Of Engine Compartment, Near Master Cylinder
Villager Behind Glove Box
Windstar Right Rear Of Engine Compartment, Mounted On Cowl
NOTE: Vacuum diagrams for applications not shown are not available from manufacturer. See vehicle underhood emissions label.
VACUUM DIAGRAM REFERENCE INDEX

Application/Calibration No. See
Econoline
4.2L Fig 1
4.6L Fig 2
5.4L (1)
6.8L
0-E41-8H0-B10 (HNS6) (2)
0-E41-8H0-B12 (HNS6), 0-E41-8R0-B06 (MLD2) & 9-DTA-BGD (CHK4) Fig 3
0-E41-8Q0-B10 (TVF3) Fig 4
0-418-Q0B-06 (TVF (3)
0-E41-8R0-B10 (MLD3) & 0-E41-8R0-B11 (MLD4) Fig 5
0-E41-8N0-506 (MXK2), 0-E41-8N0-510 (MXK3), 0-E41-8P0-A6 (CIS2) & 0-E41-8P0-A10 (CIS3) Fig 6
Excursion
5.4L (1)
6.8L
0-L11-8D0-B06 (MXH2) Fig 2
0-L11-8N0-A06 (FXU2) Fig 7
Expedition
4.6L Fig 2
5.4L Fig 8
Explorer & Mountaineer
4.0L
OHV (4) Fig 9
SOHC
9-NEA-ABB (JNJ1) Fig 10
9-NEA-BAH (CDE4) & 0-U31-A40-505 (LXD1) Fig 11
5.0L Fig 12
Navigator Fig 8
Pickup
F150
4.2L Fig 13
4.6L
Except 0-F51-6EO-B10 (RQD3) Fig 14
0-F51-6EO-B10 (RQD3) Fig 2
5.4L
0-F51-4DO-B06 (CPE2), 0-F51-4DO-B10 (DPE3), 0-F51-4DO-B11 (CPE4), 0-F51-4MO-B06 (NCG2), 0-F51-4MO-B10 (NCG3) & 0-F51-4MO-B11 (NCG4) Fig 8
0-F52-2B0-A06 (UUV2), 0-F52-2E0-A06 (FRR2), 0-F52-2F0-A06 (KWV2), 0-F52-2G0-B07 (SKB3) & 0-F52-2H0-B07 (EGJ3) Fig 13
F250/F350 Super Duty
5.4L
0-F51-4DO-B11 (CPE4), 0-F72-8A0-B06 (ZLG2), 0-F72-8A0-B10 (ZLG3), 0-F71-4D0-B06 (FVR2) & 0-F71-4D0-B10 (FVR3) Fig 8
7-28V-0A0-6 (DRC2), 0-F71-4N0-A10 (CPY3), 0-F71-4N0-A11 (CPY4), 0-F72-8V0-A10 (DRC3) & 0-F72-8V0-A11 (DRC4) Fig 15
6.8L
0-F71-8C0-B06 (WKR2), 0-F71-8C0-B10 (WKR3), 0-F71-FC0-B11 (FID4) & 0-F71-8C0-B11 (WKR4) Fig 8
0-F71-8P0-A06 (FDA2), 0-F71-7P0-A10 (KND3), 0-F71-8P0-A11 (FDA4) & 0-F71-7P0-A11 (KND4) Fig 15
0-F71-7P0-A06 (KNDE), 0-F71-8R0-B06 (QED2), 0-F71-7R0-B06 (QUM2), 0-F71-8R0-B10 (QDE3) & 0-E71-7R0-B10 (QUM3) Fig 5
Ranger
2.5L Fig 16
3.0L Fig 17
4.0L Fig 18
Villager Fig 19
Windstar
3.0L Fig 20
3.8L Fig 21
(1) Information is not available from manufacturer. See vehicle underhood emissions label.
(2) See Fig 2 or Fig 3 .
(3) For vehicles with Gross Vehicle Weight Rating (GVWR) of 8501-14,000 lbs., see Fig 3. For vehicles with GVWR of more than 14,000 lbs., see Fig 4.
(4) Only applies to Explorer.
Fig 1: Vacuum Diagram - Econoline (4.2L)
G00012077Courtesy of FORD MOTOR CO.
Fig 2: Vacuum Diagram - Econoline (4.6L & 6.8L), Excursion (6.8L), Expedition (4.6L) & F150 Pickup (4.6L)
G00009180Courtesy of FORD MOTOR CO.
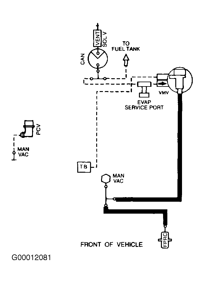
Fig 3: Vacuum Diagram - Econoline (6.8L)
G00012081Courtesy of FORD MOTOR CO.
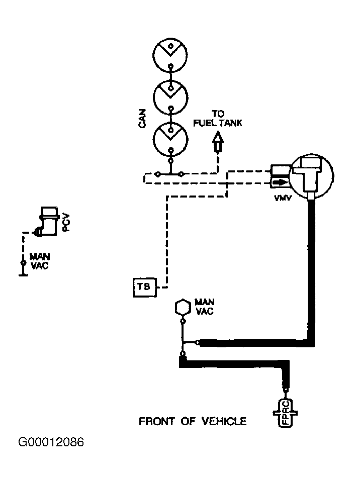
Fig 4: Vacuum Diagram - Econoline (6.8L)
G00012086Courtesy of FORD MOTOR CO.
Fig 5: Vacuum Diagram - Econoline & F250/F350 Super Duty Pickup - 6.8L
G00012087Courtesy of FORD MOTOR CO.
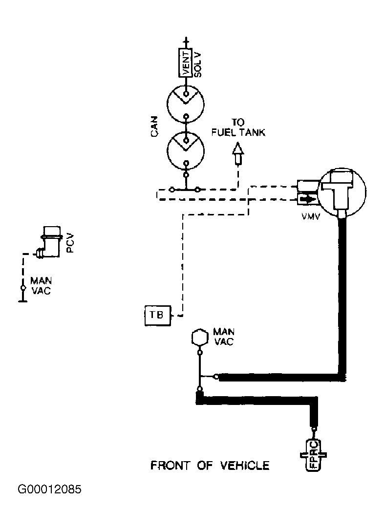
Fig 6: Vacuum Diagram - Econoline (6.8L)
G00012085Courtesy of FORD MOTOR CO.
Fig 7: Vacuum Diagram - Excursion (6.8L)
G00012088Courtesy of FORD MOTOR CO.
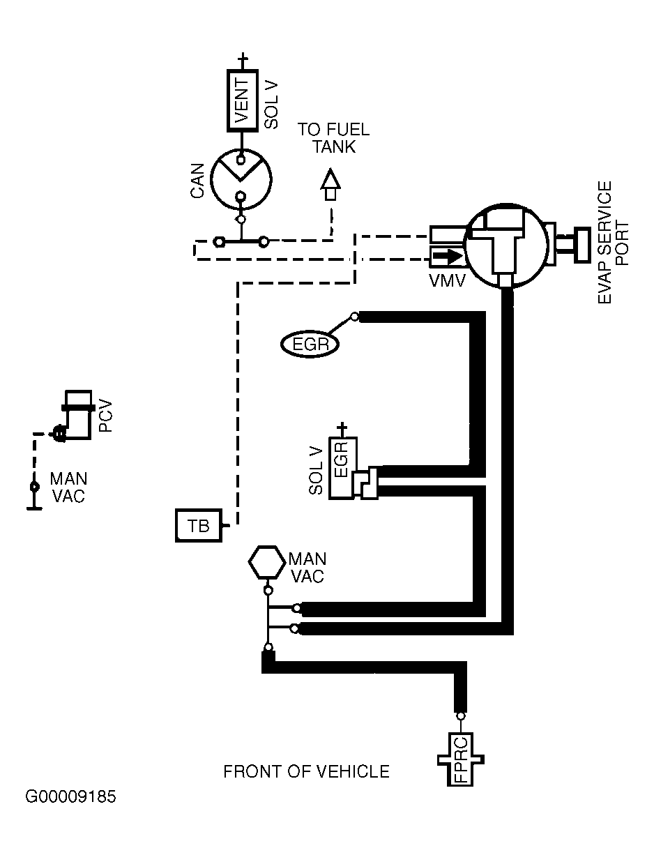
Fig 8: Vacuum Diagram - Expedition (5.4L) , F150 Pickup (5.4L), F250/F350 Super Duty Pickup (5.4L & 6.8L) & Navigator
G00009185Courtesy of FORD MOTOR CO.
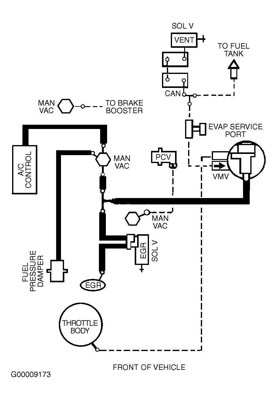
Fig 9: Vacuum Diagram - Explorer (4.0L)
G00009173Courtesy of FORD MOTOR CO.
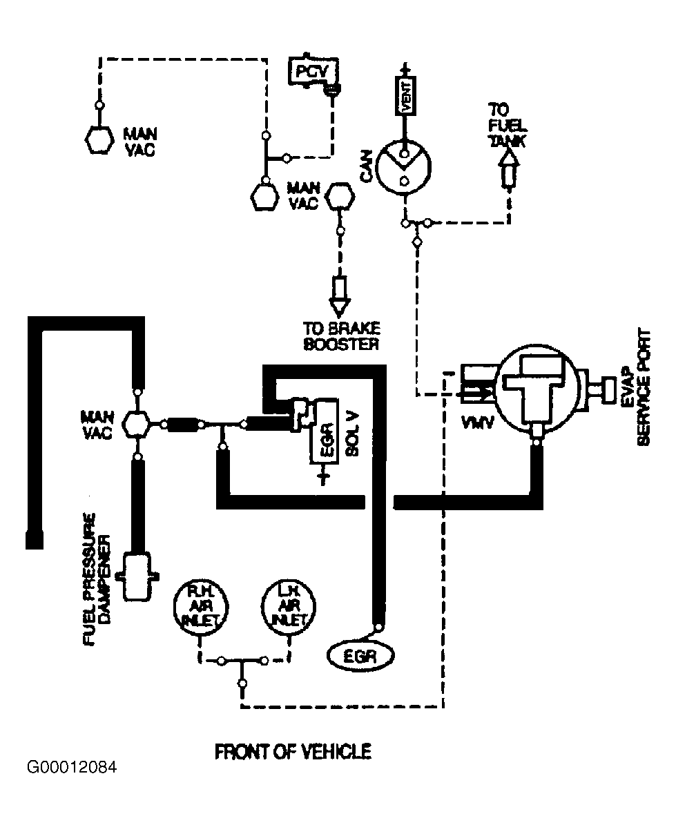
Fig 10: Vacuum Diagram - Explorer & Mountaineer - 4.0L
G00012084Courtesy of FORD MOTOR CO.
Fig 11: Vacuum Diagram - Explorer & Mountaineer - 4.0L
G00009171Courtesy of FORD MOTOR CO.
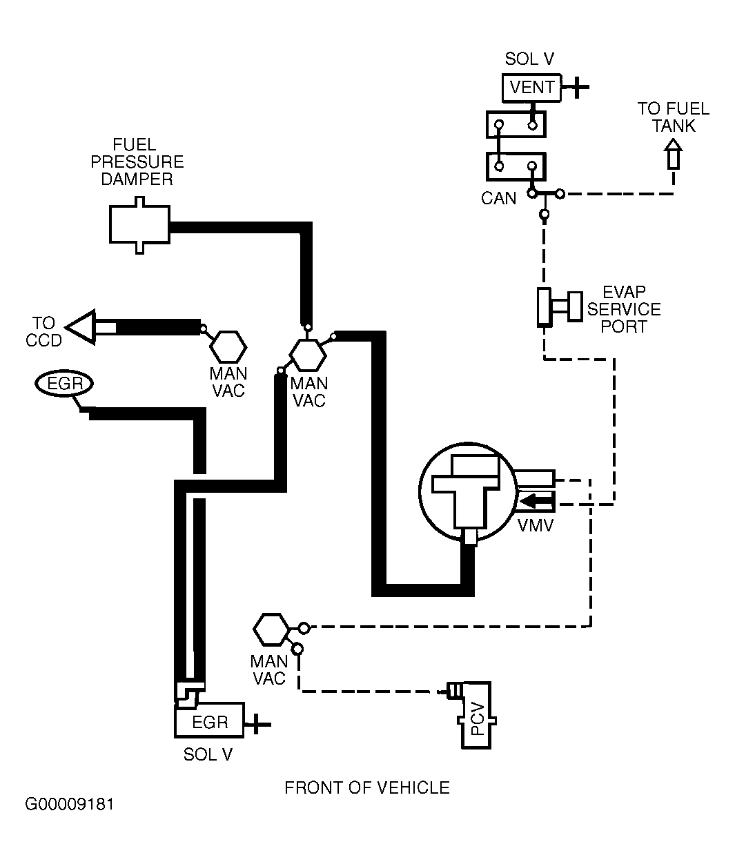
Fig 12: Vacuum Diagram - Explorer & Mountaineer - 5.0L
G00009181Courtesy of FORD MOTOR CO.
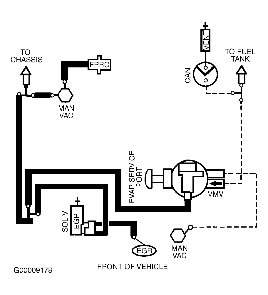
Fig 13: Vacuum Diagram - F150 Pickup (4.2L & 5.4L)
G00009178Courtesy of FORD MOTOR CO.
Fig 14: Vacuum Diagram - F150 Pickup (4.6L)
G00012083Courtesy of FORD MOTOR CO.
Fig 15: Vacuum Diagram - F250/F350 Super Duty Pickup - 5.4L & 6.8L
G00012082Courtesy of FORD MOTOR CO.
Fig 16: Vacuum Diagram - Ranger (2.5L)
G00009166Courtesy of FORD MOTOR CO.
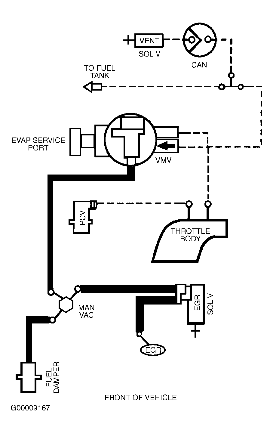
Fig 17: Vacuum Diagram - Ranger (3.0L)
G00009167Courtesy of FORD MOTOR CO.
Fig 18: Vacuum Diagram - Ranger (4.0L)
G00009175Courtesy of FORD MOTOR CO.
Fig 19: Vacuum Diagram - Villager
G00009170Courtesy of FORD MOTOR CO.
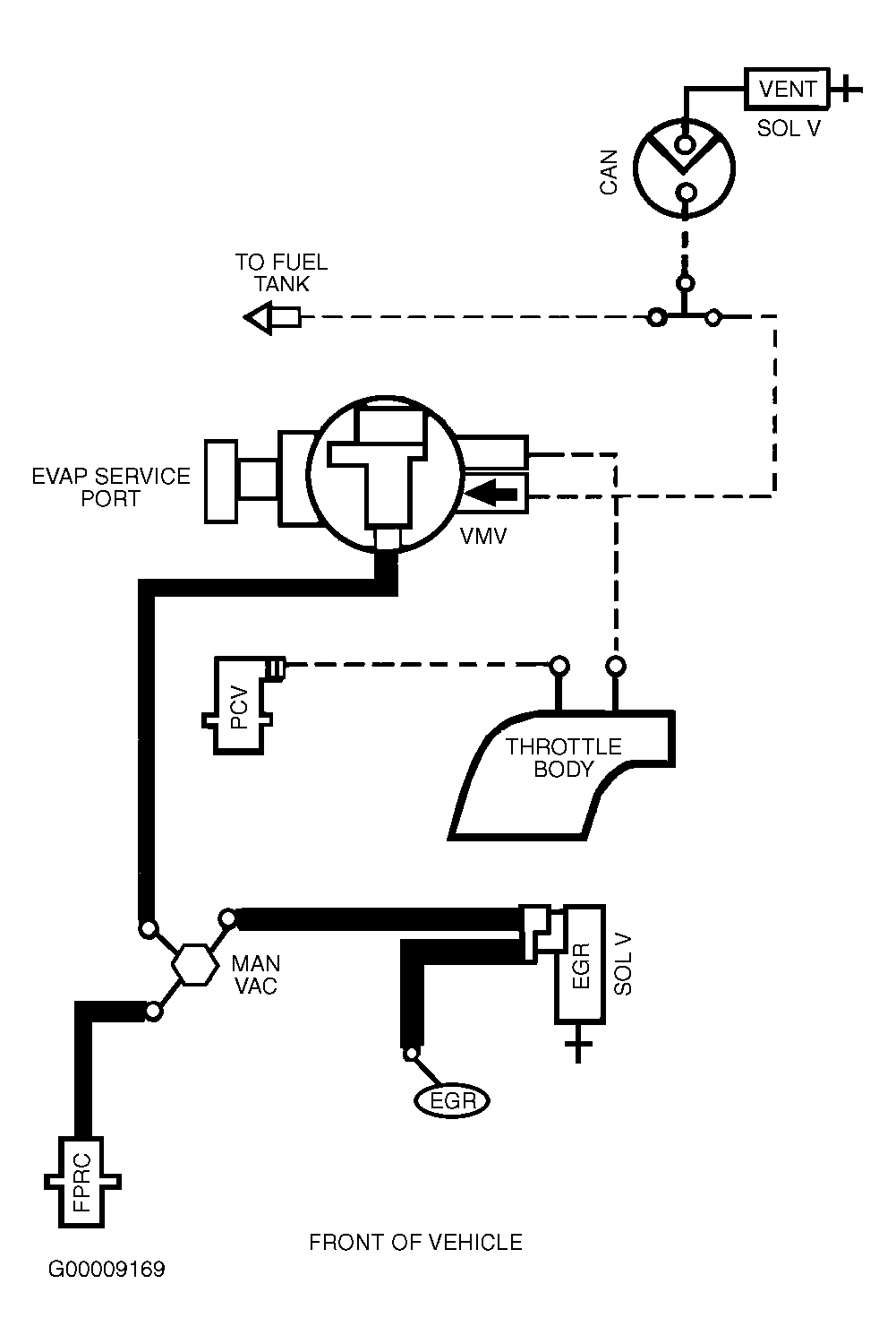
Fig 20: Vacuum Diagram - Windstar (3.0L)
G00009169Courtesy of FORD MOTOR CO.
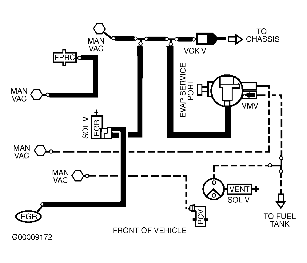
Fig 21: Vacuum Diagram - Windstar (3.8L)
G00009172Courtesy of FORD MOTOR CO.