lemon-mirror:
Home >> Ford >> 2000 >> Taurus SEL >> Repair and Diagnosis >> Body & Frame >> Windows >> Power Window System >> System Tests >> Test E: Delayed Accessory Inoperative

Test E: Delayed Accessory Inoperative

NOTE: After making any repair, repeat Generic Electronic Module (GEM) self-test using NGS tester.
NOTE: If DTCs B1314 or B1315 are present, repair these codes before proceeding. See GENERIC ELECTRONIC MODULE DTC INDEX  table under SELF-DIAGNOSTIC SYSTEM.
  1. Perform Generic Electronic Module (GEM) self-test using New Generation Star (NGS) tester. If no DTCs are present, go to next step. If DTC B1302 or B1304 are present, go to step  4 .
  2. Remove fuse No. 210 (30-amp) from instrument panel fuse box. Turn ignition switch to ON position. Measure voltage between input side of fuse No. 210 and ground. If voltage is greater than 10 volts, go to next step. If voltage is less than 10 volts, repair power supply to instrument panel fuse box. See POWER DISTRIBUTION article in WIRING DIAGRAMS.
  3. Turn ignition switch to OFF position. Install fuse No. 210. Turn ignition switch to ON position. Using NGS tester, select GEM active command ONE TOUCH WINDOW & ACCY DELAY. Trigger ACCY RLY to ON position. Operate power windows. If power windows operate go to step  9 . If power windows do not operate, go to next step.
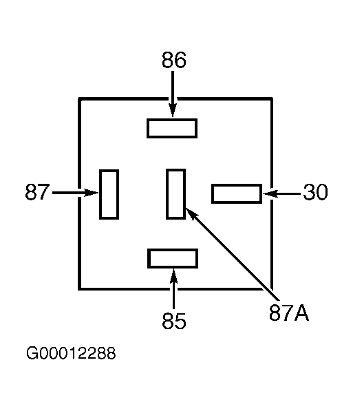
  4. Turn ignition switch to OFF position. Remove delayed accessory relay from instrument panel fuse box. See Figure . Test delayed accessory relay. See RELAYS  under COMPONENT TESTS. If relay tests okay, go to next step. If relay fails test, replace delayed accessory relay and retest system operation.
  5. Turn ignition switch to ON position. Measure voltage between delayed accessory relay connector C2050 terminal No. 86 and ground. See Figure . Measure voltage between delayed accessory relay connector C2050 terminal No. 30 and ground. If voltage is greater than 10 volts, go to next step. If voltage is less than 10 volts, repair instrument panel fuse box as necessary.
  6. Measure voltage between delayed accessory relay connector C2050 terminal No. 85 and ground. If any voltage is present, go to next step. If no voltage is present, go to step  8 .
  7. Turn ignition switch to OFF position. Disconnect GEM harness connector C201d. See Figure . Turn ignition switch to ON position. Measure voltage between delayed accessory relay connector C2050 terminal No. 85 and ground. If no voltage is present, go to step  9 . If any voltage exists, repair short to power in instrument panel fuse box.
  8. Turn ignition switch to OFF position. Remove One-Touch Down (OTD) relay from instrument panel fuse box. Using a fused jumper wire, jumper delayed accessory relay connector C2050 terminal No. 30 to delayed accessory relay connector C2050 terminal No. 87. Turn ignition switch to ON position. Measure voltage between OTD relay connector C2051 terminal No. 2 and ground. If voltage is greater than 10 volts, go to next step. If voltage is less than 10 volts, repair open in instrument panel fuse box as necessary.
  9. Visually inspect GEM connectors for correct seating, pushed-out pins, and corrosion. Connect all disconnected connectors ensuring they are fully seated. Operate system and verify customer concern is still present. If concern is still present, replace GEM. If concern is not present, system is operating correctly at this time. Concern may have been caused by loose or corroded connector.