lemon-mirror:
Home >> Ford >> 2000 >> ZX2 Automatic >> Repair and Diagnosis >> External Pages >> Different car >> Section 1508 (Component Testing) >> Component Testing >> Master window adjust switch >> Schematic

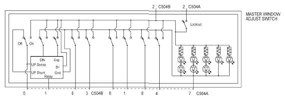
Master window adjust switch: Schematic

WARNING: This page is about a different car, the 2010 Lincoln Town Car. However, it is still accessible from the selected car via links, so may be relevant.
Fig 1: Master Window Adjust Switch - Schematic
G06376243Courtesy of FORD MOTOR CO.