lemon-mirror:
Home >> Ford >> 2000 >> ZX2 Automatic >> Repair and Diagnosis >> External Pages >> Different car >> Section 1666 (Climate Control System) >> Removal And Installation >> Blower Motor >> Notes

Blower Motor: Notes

WARNING: This page is about a different car, the 2011 Mercury Milan, 2011 Lincoln MKZ, and 2011 Ford Fusion. However, it is still accessible from the selected car via links, so may be relevant.
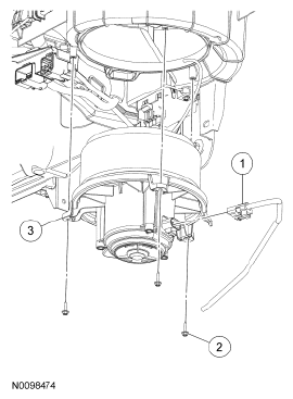
Fig 1: Identifying Blower Motor Components
G06262755Courtesy of FORD MOTOR CO.
Item Part Number Description
1 - Blower motor electrical connector (part of 19D887)
2 W712320 Blower motor screw (3 required)
3 19805 Blower motor