lemon-mirror:
Home >> Ford >> 2000 >> ZX2 Automatic >> Repair and Diagnosis >> External Pages >> Different car >> Section 239 (Component Testing) >> Component Testing >> Window adjust switch, passenger side >> Schematic

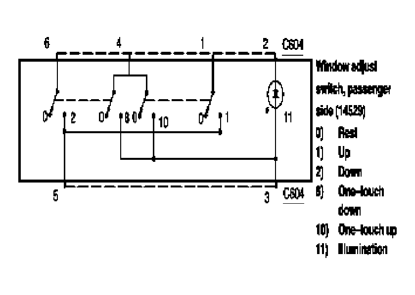
Window adjust switch, passenger side: Schematic

WARNING: This page is about a different car, the 2005 Lincoln LS. However, it is still accessible from the selected car via links, so may be relevant.
Fig 1: Window Adjust Switch, Passenger Side - Schematic
G03987660Courtesy of FORD MOTOR CO.