lemon-mirror:
Home >> Ford >> 2000 >> ZX2 Automatic >> Repair and Diagnosis >> External Pages >> Different car >> Section 422 (Component Testing) >> Component Testing >> Window adjust switch >> Schematic

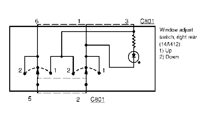
Window adjust switch: Schematic

WARNING: This page is about a different car, the 2006 Ford F550 Super Duty, 2006 Ford F450 Super Duty, and 2006 Ford Cab & Chassis. However, it is still accessible from the selected car via links, so may be relevant.
Fig 1: Window Adjust Switch - Schematic
G04598982Courtesy of FORD MOTOR CO.