lemon-mirror:
Home >> Ford >> 2000 >> ZX2 Standard >> Repair and Diagnosis >> External Pages >> Different car >> Section 1162 (Engine) >> Assembly >> Engine >> Assembly

Section 1162 (Engine): Assembly: Engine: Assembly

WARNING: This page is about a different car, the 2005 Mercury Montego, 2005 Ford Freestyle, and 2005 Ford Five Hundred. However, it is still accessible from the selected car via links, so may be relevant.
Fig 1: Exploded View Of Engine Component (1 Of 4)
G03990395Courtesy of FORD MOTOR CO.
Fig 2: Exploded View Of Engine Component (2 Of 4)
G03990396Courtesy of FORD MOTOR CO.
Fig 3: Exploded View Of Engine Component (3 Of 4)
G03990397Courtesy of FORD MOTOR CO.
Fig 4: Exploded View Of Engine Component (4 Of 4)
G03990398Courtesy of FORD MOTOR CO.

    All vehicles 

    CAUTION: During engine repair procedures, cleanliness is extremely important. Any foreign material, including any material created while cleaning gasket surfaces, that enters the oil passages, coolant passages or the oil pan, can cause engine failure.
    Fig 5: Installing Crankshaft Key Into Keyway On Crankshaft
    G03898511Courtesy of FORD MOTOR CO.
  1. If removed, install the crankshaft key into the keyway on the crankshaft.
  2. Install the oil separator cover, a new gasket and the 2 bolts.
    • Tighten to 10 Nm (89 lb-in).
      Fig 6: Installing Oil Separator Cover, Gasket And Bolts
      G03898510Courtesy of FORD MOTOR CO.
  3. Install the power steering pump bracket and the 3 bolts.
    • Tighten to 25 Nm (18 lb-ft).
      Fig 7: Installing Power Steering Pump Bracket And Bolts
      G03990401Courtesy of FORD MOTOR CO.
  4. NOTE: RH shown, LH similar.
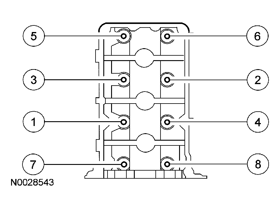
  5. Position the new gaskets and the LH and RH cylinder heads. Install new bolts and tighten in the sequence shown in 6 stages:
    • Stage 1: Tighten to 40 Nm (30 lb-ft).
    • Stage 2: Tighten to 90 Nm (66 lb-ft).
    • Stage 3: Loosen one full turn.
    • Stage 4: Tighten to 40 Nm (30 lb-ft).
    • Stage 5: Tighten 90 degrees.
    • Stage 6: Tighten 90 degrees.
      Fig 8: Installing Bolts
      G03990402Courtesy of FORD MOTOR CO.
  6. Install the crankshaft damper bolt and rotate the crankshaft key way to the 11 o'clock position to locate top dead center (TDC).
    Fig 9: Installing Crankshaft Damper Bolt
    G03898536Courtesy of FORD MOTOR CO.
  7. Apply clean engine oil to the LH and RH camshaft roller followers.
  8. CAUTION: The camshaft roller followers must be installed in their original positions.
    NOTE: RH shown, LH similar.
    Fig 10: Installing LH And RH Camshaft Roller Followers
    G03898508Courtesy of FORD MOTOR CO.
  9. Install the LH and RH camshaft roller followers.
  10. Apply clean engine oil to the LH and RH camshafts.
  11. Install the LH and RH camshafts.
    • Locate the camshafts as shown.
      Fig 11: Locating Camshafts
      G03990405Courtesy of FORD MOTOR CO.
  12. CAUTION: Cylinder head camshaft journal caps and cylinder heads are numbered to verify that they are assembled in their original positions.
    CAUTION: Do not install the camshaft journal thrust caps until all of the camshaft bearing caps have been installed, or damage to the thrust caps can occur.
  13. Lubricate the camshaft journal caps with clean engine oil. Position the LH camshaft caps and install the bolts.
    • Tighten in the sequence shown to 10 Nm (89 lb-in).
      Fig 12: Installing Bolts
      G03990406Courtesy of FORD MOTOR CO.
  14. CAUTION: Cylinder head camshaft journal caps and cylinder heads are numbered to verify that they are assembled in their original positions.
    CAUTION: Do not install the camshaft journal thrust caps until all of the camshaft bearing caps have been installed, or damage to the thrust caps can occur.
  15. Position the RH camshaft caps and install the bolts.
    • Tighten in the sequence shown to 10 Nm (89 lb-in).
      Fig 13: Positioning RH Camshaft Caps
      G03990407Courtesy of FORD MOTOR CO.
  16. NOTE: Clean the sealing surface with metal surface prep before installing a new press-in-place gasket.
  17. Install the camshaft oil seal retainer and the 3 bolts.
    • Tighten to 10 Nm (89 lb-in).
      Fig 14: Installing Camshaft Oil Seal Retainer And Bolts
      G03990408Courtesy of FORD MOTOR CO.
  18. NOTE: Lubricate the camshaft oil seal with clean engine oil.
    Fig 15: Lubricating Camshaft Oil Seal With Clean Engine Oil
    G03990158Courtesy of FORD MOTOR CO.
  19. Position the new camshaft oil seal on the special tool.
  20. Position the special tool and the camshaft oil seal on the camshaft.
    Fig 16: Positioning Special Tool And Camshaft Oil Seal On Camshaft
    G03990410Courtesy of FORD MOTOR CO.
  21. Using the special tools, install the camshaft oil seal.
    Fig 17: Installing Camshaft Oil Seal
    G03990411Courtesy of FORD MOTOR CO.
  22. Remove the crankshaft damper bolt.
    Fig 18: Removing Crankshaft Damper Bolt
    G03898536Courtesy of FORD MOTOR CO.
  23. Install the crankshaft sprocket with the timing marks facing outward.
    Fig 19: Installing Crankshaft Sprocket With Timing Marks Facing Outward
    G03990413Courtesy of FORD MOTOR CO.
  24. NOTE: LH shown, RH similar.
    Fig 20: Positioning Chain Tensioner In Soft-Jaw Vise
    G03898309Courtesy of FORD MOTOR CO.
  25. Position the chain tensioner in a soft-jawed vise.
  26. NOTE: LH shown, RH similar.
    Fig 21: Holding Chain Tensioner Ratchet Lock Mechanism
    G03898310Courtesy of FORD MOTOR CO.
  27. Hold the chain tensioner ratchet lock mechanism away from the ratchet stem with a small pick.
  28. CAUTION: During tensioner compression, do not release the ratchet stem until the tensioner piston is fully bottomed in its bore or damage to the ratchet stem will result.
  29. Slowly compress the timing chain tensioner.
  30. Retain the tensioner piston with a 1.5 mm (0.06 in) wire or paper clip.
    Fig 22: Retaining Tensioner Piston
    G03990416Courtesy of FORD MOTOR CO.
  31. If timing marks in the timing chains are not evident, use a permanent-type marker to mark the crankshaft and camshaft timing marks on the LH and RH timing chains.
    1. Mark any link to use as the crankshaft timing mark.
    2. Starting with the crankshaft timing mark, count 29 links and mark the link.
    3. Continue counting to link 42 and mark the link.
      Fig 23: Marking Timing Chains
      G03898312Courtesy of FORD MOTOR CO.
  32. Verify that the LH camshafts are correctly positioned.
    Fig 24: Aligning Camshafts
    G03955709Courtesy of FORD MOTOR CO.
  33. Position the LH timing chain and guide and install the 2 bolts.
    • Tighten to 25 Nm (18 lb-ft).
    • Align the marks on the timing chain with the marks on the camshaft and crankshaft sprockets.
      Fig 25: Aligning Marks On Timing Chain
      G03990419Courtesy of FORD MOTOR CO.
  34. Install the LH timing chain tensioner arm and the LH timing chain tensioner.
    1. Install the tensioner arm.
    2. Position the tensioner.
    3. Install the 2 bolts.
      • Tighten to 25 Nm (18 lb-ft).
        Fig 26: Installing LH Timing Chain Tensioner Arm
        G03898315Courtesy of FORD MOTOR CO.
  35. Install the crankshaft damper bolt and rotate the crankshaft clockwise 120 degrees until the crankshaft keyway is in the 3 o'clock position.
    Fig 27: Installing Crankshaft Damper
    G03898316Courtesy of FORD MOTOR CO.
  36. Verify that the RH camshafts are correctly positioned.
    Fig 28: Positioning LH Camshafts
    G03898553Courtesy of FORD MOTOR CO.
  37. Install the RH timing chain and chain guide and install the 2 bolts.
    • Tighten to 25 Nm (18 lb-ft).
    • Align the marks on the timing chain with the marks on the camshaft and crankshaft sprockets.
      Fig 29: Aligning Marks On Timing Chain
      G03898318Courtesy of FORD MOTOR CO.
  38. Install the RH timing chain tensioner and tensioner arm.
    1. Install the tensioner arm.
    2. Position the tensioner.
    3. Install the 2 bolts.
      • Tighten to 25 Nm (18 lb-ft).
        Fig 30: Installing RH Timing Chain Tensioner And Tensioner Arm
        G03898319Courtesy of FORD MOTOR CO.
  39. Remove the LH and RH timing chain tensioner piston retaining wires.
  40. Rotate the crankshaft counterclockwise 120 degrees to top dead center (TDC).
  41. CAUTION: Failure to verify correct timing drive component alignment will result in severe engine damage.
  42. Verify the timing with the following steps.
    1. There should be 12 chain links between the camshaft timing marks.
    2. There should be 27 chain links between the camshaft and the crankshaft timing marks.
    3. There should be 30 chain links between the camshaft and the crankshaft timing marks.
      Fig 31: Checking Timing Chain
      G03898320Courtesy of FORD MOTOR CO.
  43. Remove the crankshaft damper bolt.
    Fig 32: Removing Damper Bolt
    G03898296Courtesy of FORD MOTOR CO.
  44. CAUTION: This pulse wheel is used in several different engines. Install the pulse wheel with the keyway in the slot stamped "30" or "30RFF" only (orange in color).
    Fig 33: Identifying Ignition Pulse Wheel
    G03898322Courtesy of FORD MOTOR CO.
  45. Install the ignition pulse wheel.
  46. Install the LH and RH spark plugs.
    • Tighten to 15 Nm (11 lb-ft).
      Fig 34: Installing Spark Plugs
      G03898297Courtesy of FORD MOTOR CO.
  47. Install 3 new gaskets in the engine front cover.
  48. NOTE: Clean the sealing surfaces with silicone gasket remover and metal surface prep before applying gasket and sealant.
    NOTE: The front cover must be installed and the bolts tightened within 4 minutes of sealant application.
    Fig 35: Applying Silicone Gasket And Sealant
    G03990429Courtesy of FORD MOTOR CO.
  49. Apply a 6 mm (0.24 in) dot of silicone gasket and sealant to the cylinder block to lower cylinder block and cylinder head mating surfaces.
  50. Position the engine front cover. Install the 14 bolts and the stud bolt.
    • Tighten in the sequence shown to 25 Nm (18 lb-ft).
      Fig 36: Installing Bolts And Stud Bolt
      G03990430Courtesy of FORD MOTOR CO.
  51. Install the belt tensioner and the bolt.
    • Tighten to 45 Nm (33 lb-ft).
      Fig 37: Installing Belt Tensioner And Bolt
      G03990354Courtesy of FORD MOTOR CO.
  52. NOTE: Apply clean engine oil to the seal lip and seal bore before installing the seal.
    Fig 38: Installing Crankshaft Front Seal
    G03898281Courtesy of FORD MOTOR CO.
  53. Using the special tool, install a new crankshaft front seal.
  54. NOTE: Clean the keyway and slot using metal surface cleaner before applying silicone gasket and sealant.
    NOTE: The crankshaft damper must be installed and the bolt tightened within 4 minutes of sealant application.
    Fig 39: Applying Silicone Gasket And Sealant
    G03898275Courtesy of FORD MOTOR CO.
  55. Apply silicone gasket and sealant to the end of the crankshaft damper keyway slot.
  56. NOTE: Lubricate the outside diameter sealing surfaces with clean engine oil.
    Fig 40: Installing Crankshaft Pulley
    G03990434Courtesy of FORD MOTOR CO.
  57. Using the special tools, install the crankshaft pulley.
  58. Using the special tool to hold the crankshaft pulley, install the bolt and washer and tighten in 4 stages.
    • Stage 1: Tighten to 120 Nm (89 lb-ft).
    • Stage 2: Loosen one full turn (360 degrees).
    • Stage 3: Tighten to 50 Nm (37 lb-ft).
    • Stage 4: Tighten to 90 Nm (66 lb-ft).
      Fig 41: Installing Bolt And Washer
      G03990098Courtesy of FORD MOTOR CO.
  59. If equipped, install the block heater.
    • Tighten to 14 Nm (10 lb-ft).
      Fig 42: Installing Block Heater
      G03990436Courtesy of FORD MOTOR CO.
  60. Install the oil pressure sender.
    • Tighten to 14 Nm (10 lb-ft).
      Fig 43: Installing Oil Pressure Sender
      G03990349Courtesy of FORD MOTOR CO.
  61. Install the oil pan baffle and the 8 nuts.
    • Tighten the M8 nuts to 15 Nm (11 lb-ft) and then rotate 45 degrees.
    • Tighten the M6 nuts to 5 Nm (44 lb-in) and then rotate 45 degrees.
      Fig 44: Installing Oil Pan Baffle And Nuts
      G03990348Courtesy of FORD MOTOR CO.
  62. NOTE: Lubricate the new oil pump screen and pickup tube O-ring seal with clean engine oil.
  63. Position the oil pump screen and pickup tube and install the 2 bolts.
    • Tighten to 10 Nm (89 lb-in).
      Fig 45: Installing Bolts
      G03990347Courtesy of FORD MOTOR CO.
  64. Install the radio interference capacitor and the bolt.
    • Tighten to 8 Nm (71 lb-in).
      Fig 46: Installing Radio Interference Capacitor And Bolt
      G03990345Courtesy of FORD MOTOR CO.
  65. Install the coolant bypass tube and the 2 bolts.
    • Tighten to 10 Nm (89 lb-in).
      Fig 47: Installing Coolant Bypass Tube And Bolts
      G03990344Courtesy of FORD MOTOR CO.
  66. Install the coolant pump and the 4 bolts. Tighten in 4 stages:
    • Stage 1: Tighten the coolant pump center bolt to 4 Nm (35 lb-in).
    • Stage 2: Loosely install the 3 coolant pump outer bolts.
    • Stage 3: Tighten the coolant pump center bolt to 25 Nm (18 lb-ft).
    • Stage 4: Tighten the 3 coolant pump outer bolts to 10 Nm (89 lb-in).
      Fig 48: Installing Coolant Pump And Bolts
      G03990343Courtesy of FORD MOTOR CO.
  67. NOTE: Install a new O-ring seal on the thermostat housing and lubricate with clean engine oil
  68. Install the thermostat housing and the 2 bolts.
    • Tighten to 10 Nm (89 lb-in).
      Fig 49: Installing Thermostat Housing And Bolts
      G03990342Courtesy of FORD MOTOR CO.
  69. CAUTION: Do not use metal scrapers, wire brushes, power abrasive discs or other abrasive means to clean the sealing surfaces. These tools cause scratches and gouges which make leak paths. Use a plastic scraping tool to remove all traces of old sealant.
  70. Clean the LH and RH valve cover sealing surfaces.
  71. NOTE: The valve cover must be installed and the bolts and stud bolts tightened within 4 minutes of sealant application.
  72. Apply a 5 mm (0.19 in) dot of silicone gasket sealant to the front cover-to-RH cylinder head joints.
  73. NOTE: Install a new gasket in the valve cover.
  74. Position the RH valve cover. Install the 9 bolts and 5 stud bolts.
    • Tighten in the sequence shown to 10 Nm (89 lb-in).
      Fig 50: Installing New Gasket Valve Cover
      G03990091Courtesy of FORD MOTOR CO.
  75. NOTE: The valve cover must be installed and the bolts and stud bolts tightened within 4 minutes of sealant application.
  76. Apply a 5 mm (0.19 in) dot of silicone gasket sealant to the front cover-to-LH cylinder head joints.
  77. NOTE: Install a new gasket in the valve cover.
  78. Position the LH valve cover. Install the 6 bolts and 8 stud bolts.
    • Tighten in the sequence shown to 10 Nm (89 lb-in).
      Fig 51: Installing Bolts And Stud Bolts
      G03990088Courtesy of FORD MOTOR CO.
  79. Install the RH and LH ignition coils and the 6 bolts.
    • Tighten to 6 Nm (53 lb-in).
      Fig 52: Installing RH And LH Ignition Coils And Bolts
      G03990446Courtesy of FORD MOTOR CO.
  80. Install 6 new LH exhaust manifold studs.
    • Tighten to 12 Nm (9 lb-ft).
      Fig 53: Installing Exhaust Manifold Studs
      G03898429Courtesy of FORD MOTOR CO.
  81. Position a new gasket and the LH exhaust manifold and converter. Install the 6 new nuts.
    • Tighten to 20 Nm (15 lb-ft).
      Fig 54: Installing New Nuts
      G03990337Courtesy of FORD MOTOR CO.
  82. Install 6 new RH exhaust manifold studs.
    • Tighten to 12 Nm (9 lb-ft).
      Fig 55: Installing RH Exhaust Manifold Studs
      G03898429Courtesy of FORD MOTOR CO.
  83. Position a new gasket and the RH exhaust manifold and converter. Install the 6 new nuts.
    • Tighten to 20 Nm (15 lb-ft).
      Fig 56: Positioning New Gasket And RH Exhaust Manifold And Converter
      G03990179Courtesy of FORD MOTOR CO.
  84. Install the RH engine insulator bracket and the 4 bolts.
    • Tighten to 55 Nm (41 lb-ft).
      Fig 57: Installing RH Engine Insulator Bracket And Bolts
      G03990334Courtesy of FORD MOTOR CO.
  85. Install the generator, nuts and the bolt.
    • Tighten to 48 Nm (35 lb-ft).
      Fig 58: Installing Generator, Nuts And Bolt
      G03990333Courtesy of FORD MOTOR CO.
  86. NOTE: Install a new O-ring seal on the M22 bolt and lubricate with clean engine oil.
  87. Position the oil filter adapter and loosely install the bolts. Tighten in 3 stages:
    • Stage 1: Tighten the M22 bolt to 25 Nm (18 lb-ft).
    • Stage 2: Tighten the M8 bolt to 25 Nm (18 lb-ft).
    • Stage 3: Tighten the M22 bolt to 155 Nm (111 lb-ft).
      Fig 59: Installing Bolts
      G03990453Courtesy of FORD MOTOR CO.
  88. Install a new oil filter.
    • Tighten to 16 Nm (12 lb-ft).
      Fig 60: Installing Oil Filter
      G03990331Courtesy of FORD MOTOR CO.
  89. NOTE: Install a new O-ring seal on the oil level indicator tube and lubricate with clean engine oil.
  90. Install the oil level indicator tube and the stud bolt.
    • Tighten to 9 Nm (80 lb-in).
      Fig 61: Installing Oil Level Indicator Tube And Stud Bolt
      G03990330Courtesy of FORD MOTOR CO.
  91. Position the engine wiring harness.
  92. Connect the bypass and the coolant pump hoses.
    Fig 62: Connecting Bypass & Coolant Pump Hoses
    G03990329Courtesy of FORD MOTOR CO.
  93. Connect the engine coolant temperature (ECT) sensor and the radio interference capacitor electrical connectors.
    Fig 63: Connecting Engine Coolant Temperature (ECT) Sensor
    G03990328Courtesy of FORD MOTOR CO.
  94. Connect the LH ignition coil electrical connectors and attach the wiring retainers.
    Fig 64: Connecting LH Ignition Coil Electrical Connectors
    G03990327Courtesy of FORD MOTOR CO.
  95. Connect the crankshaft position sensor (CKP) electrical connector and attach the wiring retainer.
    Fig 65: Connecting Crankshaft Position Sensor (CKP) Electrical Connector
    G03990326Courtesy of FORD MOTOR CO.
  96. Attach the ground wire and install the nut.
    • Tighten to 20 Nm (15 lb-ft).
      Fig 66: Installing Nut
      G03990325Courtesy of FORD MOTOR CO.
  97. Connect the generator wiring and install the nut.
    • Attach the wiring retainer.
    • Tighten to 8 Nm (71 lb-in).
      Fig 67: Connecting Generator Wiring
      G03990324Courtesy of FORD MOTOR CO.
  98. Connect the RH ignition coil electrical connectors and attach the wiring retainers.
    Fig 68: Connecting RH Ignition Coil Electrical Connectors
    G03990323Courtesy of FORD MOTOR CO.
  99. Position the wiring conduit on the valve cover studs and install the nut.
    • Tighten to 6 Nm (53 lb-in).
      Fig 69: Positioning Wiring Conduit On Valve Cover Studs
      G03990322Courtesy of FORD MOTOR CO.
  100. NOTE: Clean the sealing surfaces with metal surface prep before installing the upper and lower intake manifold.
  101. Position the new gaskets and the upper and lower intake manifold. Install the bolts.
    • Tighten in the sequence shown to 10 Nm (89 lb-in).
      Fig 70: Positioning Gaskets And Upper And Lower Intake Manifold
      G03990081Courtesy of FORD MOTOR CO.
  102. Position the power steering pump, reservoir bracket and tubes. Install the 3 nuts.
    • Tighten to 25 Nm (18 lb-ft).
      Fig 71: Installing Power Steering Pump
      G03990320Courtesy of FORD MOTOR CO.
  103. Install the power steering fluid reservoir bracket nut.
    • Tighten to 9 Nm (80 lb-in).
      Fig 72: Installing Power Steering Fluid Reservoir Bracket Nut
      G03990319Courtesy of FORD MOTOR CO.
  104. Position the power steering fluid reservoir and install the 2 nuts.
    • Tighten to 9 Nm (80 lb-in).
      Fig 73: Installing Power Steering Fluid Reservoir
      G03990467Courtesy of FORD MOTOR CO.
  105. Position the power steering tube bracket and install the bolt.
    • Tighten to 7 Nm (62 lb-in).
      Fig 74: Installing Power Steering Tube Bracket
      G03990468Courtesy of FORD MOTOR CO.
  106. Position the power steering tube bracket and install the bolt.
    • Tighten to 7 Nm (62 lb-in).
      Fig 75: Positioning Power Steering Tube Bracket
      G03990316Courtesy of FORD MOTOR CO.
  107. Connect the RH HO2S and attach the retainer.
    Fig 76: Connecting RH Ho2S And Attach Retainer
    G03990315Courtesy of FORD MOTOR CO.
  108. Connect the fuel charging wiring harness electrical connector.
    Fig 77: Connecting Fuel Charging Wiring Harness Electrical Connector
    G03990314Courtesy of FORD MOTOR CO.
  109. Connect the fuel rail pressure and temperature sensor vacuum tube and electrical connector.
    Fig 78: Connecting Fuel Rail Pressure And Temperature Sensor Vacuum Tube And Electrical Connector
    G03990313Courtesy of FORD MOTOR CO.
  110. Install and connect the positive crankcase ventilation (PCV) tube.
    Fig 79: Connecting Positive Crankcase Ventilation (PCV) Tube
    G03990312Courtesy of FORD MOTOR CO.
  111. Connect the throttle body coolant hose.
    Fig 80: Connecting Throttle Body Coolant Hose
    G03990311Courtesy of FORD MOTOR CO.
  112. Connect the throttle body electrical connector.
    Fig 81: Connecting Throttle Body Electrical Connector
    G03990310Courtesy of FORD MOTOR CO.
  113. Connect the exhaust gas recirculation (EGR) system module electrical connector.
    Fig 82: Connecting Exhaust Gas Recirculation (EGR) System Module Electrical Connector
    G03990309Courtesy of FORD MOTOR CO.
  114. Position the EGR system module tube.
    • Tighten to 40 Nm (30 lb-ft).
      Fig 83: Positioning EGR System Module Tube
      G03990308Courtesy of FORD MOTOR CO.
  115. Connect the camshaft position sensor (CMP) electrical connector, attach the wiring retainers and install the 2 wiring conduit nuts.
    • Tighten to 6 Nm (53 lb-in).
      Fig 84: Connecting Camshaft Position Sensor (CMP) Electrical Connector
      G03990307Courtesy of FORD MOTOR CO.
  116. Connect the oil pressure sensor electrical connector.
    Fig 85: Connecting Oil Pressure Sensor Electrical Connector
    G03990306Courtesy of FORD MOTOR CO.
  117. Connect the LH heated oxygen sensor (HO2S) electrical connector and attach the wiring retainer.
    Fig 86: Connecting LH Heated Oxygen Sensor (HO2S) Electrical Connector
    G03990305Courtesy of FORD MOTOR CO.
  118. Install the A/C compressor bracket and the 5 bolts.
    • Tighten to 25 Nm (18 lb-ft).
      Fig 87: Installing/C Compressor Bracket And Bolts
      G03990304Courtesy of FORD MOTOR CO.
  119. Install the A/C compressor, 2 nuts and 2 bolts.
    • Tighten to 25 Nm (18 lb-ft).
      Fig 88: Installing/C Compressor, Nuts And Bolts
      G03990303Courtesy of FORD MOTOR CO.
  120. Freestyle only 

  121. If equipped, install the A/C compressor and the bolt.
    • Tighten to 25 Nm (18 lb-ft).
      Fig 89: Installing/C Compressor And Bolt
      G03990302Courtesy of FORD MOTOR CO.
  122. If equipped, install the A/C compressor shield, 2 nuts and the bolt.
    • Tighten to 25 Nm (18 lb-ft).
      Fig 90: Installing/C Compressor Shield, Nuts And Bolt
      G03990301Courtesy of FORD MOTOR CO.
  123. All vehicles 

  124. Connect the LH catalyst monitor sensor electrical connector and attach the wiring retainer.
    Fig 91: Connecting LH Catalyst Monitor Sensor Electrical Connector
    G03990300Courtesy of FORD MOTOR CO.
  125. Connect the A/C compressor electrical connector.
    Fig 92: Connecting A/C Compressor Electrical Connector
    G03990299Courtesy of FORD MOTOR CO.
  126. Rotate the tensioner counterclockwise and install the accessory drive belt.
    Fig 93: Rotating Tensioner Counterclockwise
    G03990298Courtesy of FORD MOTOR CO.
  127. Freestyle only 

  128. If equipped, install the A/C compressor pulley shield and the 3 retainers.
    Fig 94: Installing/C Compressor Pulley Shield And Retainers
    G03990297Courtesy of FORD MOTOR CO.
  129. All vehicles 

  130. Install the special tool to the RH cylinder head.
    Fig 95: Installing Special Tool To RH Cylinder Head
    G03990013Courtesy of FORD MOTOR CO.
  131. Install the special tool to the LH cylinder head.
    Fig 96: Installing Special Tool To LH Cylinder Head
    G03990012Courtesy of FORD MOTOR CO.
  132. NOTE: When installing the lower half of the lifting bracket it will be easier to loosely install the upper bolt first then install the lower bolt.
    Fig 97: Installing Lower Half Of Special Tool
    G03990491Courtesy of FORD MOTOR CO.
  133. Install the lower half of the special tool.
  134. Install the upper half of the special tool.
    Fig 98: Installing Upper Half Of Special Tool
    G03990492Courtesy of FORD MOTOR CO.
  135. Using the special tools and a suitable engine crane, remove the engine from the engine stand.
    Fig 99: Removing Engine From Engine Stand
    G03990276Courtesy of FORD MOTOR CO.
  136. NOTE: Lubricate the seal lips with clean engine oil before installing.
    Fig 100: Installing Crankshaft Rear Oil Seal
    G03898287Courtesy of FORD MOTOR CO.
  137. Using the special tools, install the crankshaft rear oil seal.
  138. Install the flexplate and the 8 bolts.
    • Tighten to 80 Nm (59 lb-ft).
      Fig 101: Installing Flexplate And Bolts
      G03990295Courtesy of FORD MOTOR CO.