lemon-mirror:
Home >> Ford >> 2001 >> Explorer Chassis >> Repair and Diagnosis >> Body & Frame >> Windows >> Power Window System >> Component Tests >> Power Window Single Switch

Power Window Single Switch

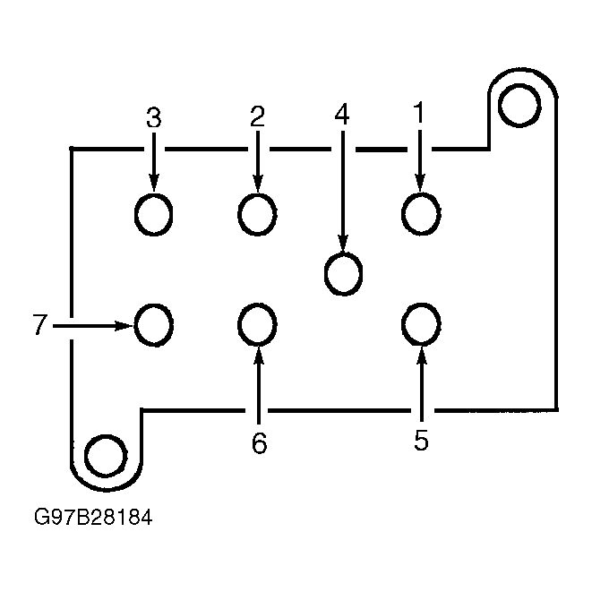
Remove suspect window switch. See POWER WINDOW SWITCH  under REMOVAL & INSTALLATION. Check for continuity between terminals as specified while operating switch. See appropriate SWITCH TESTING table. If continuity does not exist as specified, replace switch. See Fig 1 or Fig 2 .

SWITCH TESTING (RIGHT FRONT & RIGHT REAR)

Switch Position Continuity Between Terminals No.
Neutral 1 & 2; 5 & 6
Up 2 & 4
Down 4 & 5
Switch Illumination 3 & 7
SWITCH TESTING (LEFT REAR)

Switch Position Continuity Between Terminals No.
Neutral 1 & 5; 2 & 6
Up 4 & 5
Down 2 & 4
Switch Illumination 3 & 7
Fig 1: Identifying Right Front & Left Rear Window Switch Terminals
G97B28184Courtesy of FORD MOTOR CO.
Fig 2: Identifying Right Rear Window Switch Terminals
G97C28185Courtesy of FORD MOTOR CO.