lemon-mirror:
Home >> Ford >> 2002 >> Excursion 7.3 F, RWD >> Repair and Diagnosis >> External Pages >> Different car >> Section 311 (Climate Control System-General Information) >> Diagnosis And Testing >> Climate Control System >> Notes

Climate Control System: Notes

WARNING: This page is about a different car, the 2002 Lincoln Town Car. However, it is still accessible from the selected car via links, so may be relevant.

Refer to appropriate wiring diagram in SYSTEM WIRING DIAGRAMS for schematic and connector information.

Fig 1: Climate Control System Special Tools (1 Of 4)
G02237576Courtesy of FORD MOTOR CO.
Fig 2: Climate Control System Special Tools (2 Of 4)
G02237577Courtesy of FORD MOTOR CO.
Fig 3: Climate Control System Special Tools (3 Of 4)
G02237578Courtesy of FORD MOTOR CO.
Fig 4: Climate Control System Special Tools (4 Of 4)
G02237579Courtesy of FORD MOTOR CO.
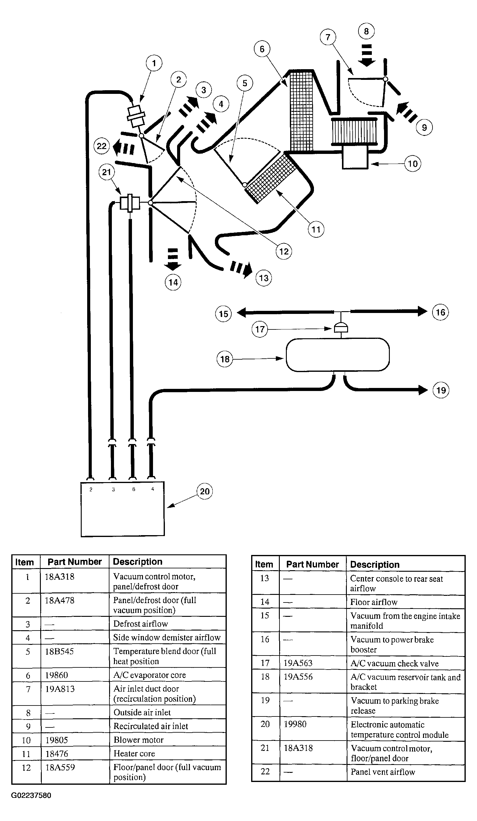
Fig 5: Electronic Automatic Temperature Control Vacuum Schematic
G02237580Courtesy of FORD MOTOR CO.
Fig 6: Electronic Automatic Temperature Control Vacuum Connector End View
G02237581Courtesy of FORD MOTOR CO.
Fig 7: Electronic Automatic Temperature Control Vacuum Applications Chart
G02237582Courtesy of FORD MOTOR CO.