lemon-mirror:
Home >> Ford >> 2002 >> ZX2 Automatic >> Repair and Diagnosis >> External Pages >> Different car >> Section 1425 (Component Testing) >> Component Testing >> Seat adjust switch >> Schematic

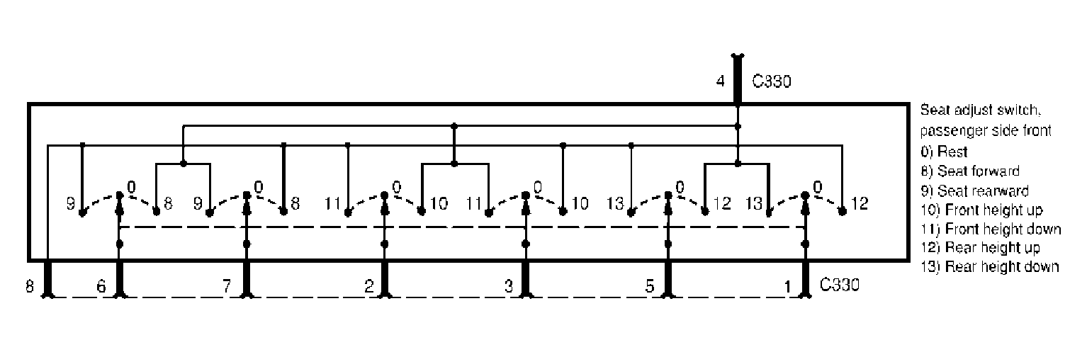
Seat adjust switch: Schematic

WARNING: This page is about a different car, the 2006 Ford F550 Super Duty, 2006 Ford F450 Super Duty, and 2006 Ford Cab & Chassis. However, it is still accessible from the selected car via links, so may be relevant.
Fig 1: Seat Adjust Switch Schematic
G04598984Courtesy of FORD MOTOR CO.


Fig 1: Seat Adjust Switch - Schematic
G04598986Courtesy of FORD MOTOR CO.