lemon-mirror:
Home >> Ford >> 2003 >> ZX2 Automatic >> Repair and Diagnosis >> External Pages >> Different car >> Section 340 (Engine-3.9L) >> Assembly >> Engine >> Material

Section 340 (Engine-3.9L): Assembly: Engine: Material

WARNING: This page is about a different car, the 2003 Lincoln LS. However, it is still accessible from the selected car via links, so may be relevant.
Fig 1: Material Specifications
G01286424Courtesy of FORD MOTOR CO.
  1. Illustration 1 of 24. Install the components in the order indicated in the following illustration and table.
    Fig 2: Removing Cylinder Head And Gaskets
    G01286425Courtesy of FORD MOTOR CO.
    Fig 3: Parts Description Chart
    G01286426Courtesy of FORD MOTOR CO.
  2. Illustration 2 of 24. Install the components in the order indicated in the following illustration and table.
    Fig 4: Removing Intake Camshafts Cap Bolts
    G01286427Courtesy of FORD MOTOR CO.
    Fig 5: Parts Description Chart
    G01286428Courtesy of FORD MOTOR CO.
  3. Illustration 3 of 24. Install the components in the order indicated in the following illustration and table.
    Fig 6: Removing LH Timing Chain And Sprockets
    G01286429Courtesy of FORD MOTOR CO.
    Fig 7: Parts Description Chart
    G01286430Courtesy of FORD MOTOR CO.
  4. Illustration 4 of 24. Remove the components in the order indicated in the following illustration and table.
    Fig 8: Removing RH Timing Chain Guide Components
    G01286431Courtesy of FORD MOTOR CO.
  5. Illustration 5 of 24. Install the components in the order indicated in the following illustration and table.
    Fig 9: Removing LH Timing Chain Tensioner Arm Components
    G01286432Courtesy of FORD MOTOR CO.
  6. Illustration 6 of 24. Install the components in the order indicated in the following illustration and table.
    Fig 10: Removing Bush Carrier Assembly Components
    G01286433Courtesy of FORD MOTOR CO.
  7. Illustration 7 of 24. Install the components in the order indicated in the following illustration and table.
    Fig 11: Removing Engine Front Cover And Sump Components
    G01286434Courtesy of FORD MOTOR CO.
  8. Illustration 8 of 24. Install the components in the order indicated in the following illustration and table.
    Fig 12: Removing RH Manifold Components
    G01286435Courtesy of FORD MOTOR CO.
  9. Illustration 9 of 24. Install the components in the order indicated in the following illustration and table.
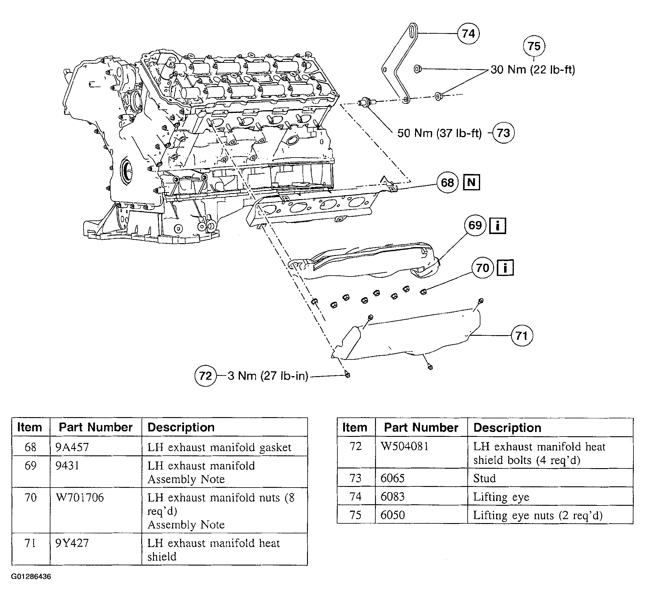
    Fig 13: Removing LH Manifold Components
    G01286436Courtesy of FORD MOTOR CO.
  10. Illustration 10 of 24. Install the components in the order indicated in the following illustration and table.
    Fig 14: Removing Coolant Housing Components
    G01286437Courtesy of FORD MOTOR CO.
  11. Illustration 11 of 24. Install the components in the order indicated in the following illustration and table.
    Fig 15: Removing Valve Cover Components
    G01286438Courtesy of FORD MOTOR CO.
    Fig 16: Parts Description Chart
    G01286439Courtesy of FORD MOTOR CO.
  12. Illustration 12 of 24. Install the components in the order indicated in the following illustration and table.
    Fig 17: Removing Intake Manifold Components
    G01286440Courtesy of FORD MOTOR CO.
  13. Illustration 13 of 24. Install the components in the order indicated in the following illustration and table.
    Fig 18: Removing Fuel Injectors Components
    G01286441Courtesy of FORD MOTOR CO.
  14. Illustration 14 of 24. Install the components in the order indicated in the following illustration and table.
    Fig 19: Removing Power Steering Pump Components
    G01286442Courtesy of FORD MOTOR CO.
  15. Illustration 15 of 24. Install the components in the order indicated in the following illustration and table.
    Fig 20: Removing Crankshaft Pulley Components
    G01286443Courtesy of FORD MOTOR CO.
    Fig 21: Parts Description Chart
    G01286444Courtesy of FORD MOTOR CO.
  16. Illustration 16 of 24. Install the components in the order indicated in the following illustration and table.
    Fig 22: Removing RH Ignition Coils Components
    G01286445Courtesy of FORD MOTOR CO.
  17. Illustration 17 of 24. Install the components in the order indicated in the following illustration and table.
    Fig 23: Removing A\C Compressor Components
    G01286446Courtesy of FORD MOTOR CO.
  18. Illustration 18 of 24. Install the components in the order indicated in the following illustration and table.
    Fig 24: Removing Engine Cover Bracket Components
    G01286447Courtesy of FORD MOTOR CO.
  19. Illustration 19 of 24. Install the components in the order indicated in the following illustration and table.
    Fig 25: Removing Engine Wiring Harness Assembly Components
    G01286448Courtesy of FORD MOTOR CO.
  20. Illustration 20 of 24. Install the components in the order indicated in the following illustration and table.
    Fig 26: Removing Sensors Connectors
    G01286449Courtesy of FORD MOTOR CO.
  21. Illustration 21 of 24. Install the components in the order indicated in the following illustration and table.
    Fig 27: Removing Coolant Pump Pulley Components
    G01286450Courtesy of FORD MOTOR CO.
  22. Illustration 22 of 24. Install the components in the order indicated in the following illustration and table.
    Fig 28: Removing Oil Filter Components
    G01286451Courtesy of FORD MOTOR CO.
    Fig 29: Parts Description Chart
    G01286452Courtesy of FORD MOTOR CO.
  23. Illustration 23 of 24. Install the components in the order indicated in the following illustration and table.
    Fig 30: Removing Motor Mount Bracket Components
    G01286453Courtesy of FORD MOTOR CO.
    Fig 31: Parts Description Chart
    G01286454Courtesy of FORD MOTOR CO.
  24. Illustration 24 of 24. Install the components in the order indicated in the following table.
    Fig 32: View Of Flywheel Components
    G01286455Courtesy of FORD MOTOR CO.