lemon-mirror:
Home >> Ford >> 2006 >> Freestar Base >> Repair and Diagnosis >> Engine Mechanical >> Mechanical >> Engine >> In-Vehicle Repair >> Valve Cover - RH >> Notes

Valve Cover - RH: Notes

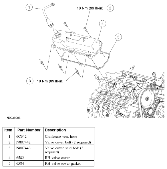
Fig 1: Valve Cover Replacement Components -- RH With Torque Specifications
G04660287Courtesy of FORD MOTOR CO.