lemon-mirror:
Home >> Ford >> 2007 >> Expedition 4WD >> Repair and Diagnosis >> Steering >> Steering Column >> Removal And Installation >> Steering Column >> Notes

Steering Column: Notes

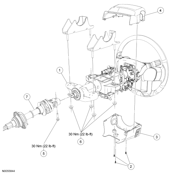
Fig 1: Exploded View Of Steering Column With Torque Specifications
GF0023043Courtesy of FORD MOTOR CO.
Item Part Number Description
1 3C529 Steering column
2 W710485 Lower steering column shroud screws (3 required)
3 3533 Lower steering column shroud
4 3530 Upper steering column shroud
5 N808684 Upper steering column shaft-to-steering column bolt
6 N806423 Steering column support-to-instrument panel nuts (4 required)
7 14A099 Upper steering column shaft