lemon-mirror:
Home >> Ford >> 2007 >> Expedition RWD >> Repair and Diagnosis >> Transmission >> Automatic Trans >> Automatic Transmission External Controls >> General Procedures >> Selector Lever Cable Adjustment

Selector Lever Cable Adjustment

  1. With the vehicle in NEUTRAL, position the vehicle on a hoist. For additional information, refer to JACKING AND LIFTING article.
  2. Place the selector lever in the DRIVE position.
  3. If equipped, remove the heat shield.
  4. Fig 1: Selector Lever Heat Shield
    GF0022517Courtesy of FORD MOTOR CO.
    CAUTION: To prevent selector lever cable damage, do not apply force to the selector lever cable between the manual control lever and the selector lever cable bracket.
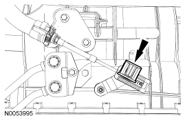
  5. Disconnect the selector lever cable from the manual control lever.
  6. Fig 2: Locating Selector Lever Cable
    GF0022518Courtesy of FORD MOTOR CO.
    NOTE: Make sure the cable moves freely.
  7. Unlock the lock tab on the selector lever cable.
  8. Fig 3: Selector Lever Cable Lock Tab
    GF0022852Courtesy of FORD MOTOR CO.
  9. Place the manual control lever in the DRIVE position.
    • Place the manual control lever in the 1st gear position.
    • Move the manual control lever 3 detents to the DRIVE position.
  10. Fig 4: Moving Manual Control Lever
    GF0022853Courtesy of FORD MOTOR CO.
    NOTE: When installing the selector lever cable, make sure that the selector lever cable locking tabs are locked in place and the cable end is snapped onto the ball stud. Press the selector lever cable into the bracket and listen for the cable to click into place. Pull back on the selector lever cable to make sure that it is locked into the bracket. Also, make sure that the selector lever cable end is correctly installed onto the ball stud. Pull back on the selector lever cable to make sure that the cable end is correctly installed.
    NOTE: Apply pressure to the selector lever cable end while connecting it to the manual lever to make sure the selector lever has not moved out of the DRIVE position.
  11. Connect the selector lever cable to the manual control lever.
    • Listen for the audible click.
    • Pull back on the selector lever cable to make sure it is correctly installed.
  12. Fig 5: Selector Lever Cable Lock Tab
    GF0022854Courtesy of FORD MOTOR CO.
  13. Lock the selector lever cable lock tab.
  14. Fig 6: Selector Lever Cable Lock Tab
    GF0022855Courtesy of FORD MOTOR CO.
    NOTE: Install a new heat shield if it is loose on the cable.
  15. If equipped, install the heat shield.
  16. Fig 7: Selector Lever Heat Shield
    GF0022517Courtesy of FORD MOTOR CO.
  17. Carefully move the manual control lever from detent to detent and compare with transmission settings. Verify that the vehicle will start in PARK or NEUTRAL and backup lamps illuminate in REVERSE. If not, Steps 1 through 9 must be repeated.
    • Readjust if necessary.