lemon-mirror:
Home >> Ford >> 2007 >> Focus ST >> Repair and Diagnosis >> Engine Mechanical >> Mechanical >> Engine >> Assembly >> Engine (Except Block)

Engine (Except Block)

Special Tools

Illustration Tool Name Tool Number
GF0000536
Heavy Duty Floor Crane 014-00071 or equivalent
GF0000267
Spreader Bar 303-D089 (D93P-6001-A3) or equivalent
GF0008917
Alignment Plate, Camshaft 303-465 (T94P-6256-CH)
GF0008919
Timing Peg, Crankshaft 303-507
GF0008918
Holding Fixture, Drive Pinion Flange 205-126 (T78P-4851-A)
GF0008916
Adapter for 205-126 (205-072-02)
GF0008927
Installer, Front Oil Seal 303-096 (T74P-6150-A)
GF0008974
Installer, Crankshaft Rear Main Oil Seal 303-328 (T88P-6701-B1)
GF0009070
Aligner, Clutch Disc 308-006 (T71P-7137-H)
Material

Item Specification
Motorcraft SAE 5W-20 Premium Synthetic Blend Motor Oil
XO-5W20-QSP (US); Motorcraft SAE 5W-20 Super Premium Motor Oil CXO-5W20-LSP12 (Canada); or equivalent
WSS-M2C930-A
Motorcraft Metal Surface Cleaner
ZC-21
WSE-M5B392-A
Silicone Gasket and Sealant
TA-30
WSE-M4G323-A4
Silicone Gasket Remover
ZC-30
-
Motorcraft Metal Surface Prep
ZC-31
-
Silicone Brake Caliper Grease and Dielectric Compound
XG-3-A
ESE-M1C171-A
Motorcraft Premium Gold Engine Coolant with Bittering Agent (US only)
VC-7-B (US); CVC-7-A (Canada); or equivalent (yellow color)
WSS-M97B51-A1
High-Temp 4x4 Front Axle and Wheel Bearing Grease
E8TZ-19590-A
ESA-M1C198-A
Fig 1: Lower Engine Block (View 1)
GF0024198Courtesy of FORD MOTOR CO.
Item Part Number Description
1 6010 Cylinder block
2 6K318 Crankshaft rear oil seal and retainer
3 6477 Flywheel
4 6675 Oil pan
5 6714 Oil filter
6 6884 Oil filter adapter
7 9278 Oil pressure sensor
8 6A636 Oil filter adapter gasket
9 6A785 Crankcase vent oil separator
10 8575 Thermostat assembly
11 6622 Oil pump screen and pickup tube
Fig 2: Identifying Lower Engine Block Components (View 2)
G06262224
ITEM DESCRIPTION

Item Part Number Description
1 6161 Piston oil control spacer (4 required)
2 6150 Piston compression upper ring (4 required)
3 6152 Piston compression lower ring (4 required)
4 6159 Piston oil control upper segment ring (4 required)
5 6159 Piston oil control lower segment ring (4 required)
6 6140 Piston pin retainer (8 required)
7 6135 Piston pin (4 required)
8 6200 Connecting rod (4 required)
9 6211 Connecting rod upper bearing (4 required)
10 6110 Piston (4 required)
11 6211 Connecting rod lower bearing (4 required)
12 6210 Connecting rod cap (4 required)
13 6010 Cylinder block
14 6333 Cylinder block crankshaft main bearing (5 required)
15 6303 Crankshaft
16 6333 Crankshaft main bearing beam bearing (5 required)
17 6F098 Main bearing beam
18 6K360 Balance shaft assembly
Fig 3: Front Engine Block
GF0039370Courtesy of FORD MOTOR CO.
Item Part Number Description
1 19A216 Drive belt pulley idler (without A/C)
2 6C301 Accessory drive belt (without A/C)
3 6C301 Accessory drive belt (with A/C)
4 6A340 Crankshaft pulley bolt
5 6316 Crankshaft damper
6 6700 Crankshaft front seal
7 6C315 Crankshaft position (CKP) sensor
8 10300 Generator
9 3A696 Power steering pump
10 8501 Coolant pump and pulley
11 19A216 Drive belt pulley idler (with A/C)
12 6A228 Drive belt tensioner
13 6019 Engine front cover
14 6378 Diamond washer
15 6306 Crankshaft sprocket
16 6378 Diamond washer
17 6K254 Timing chain tensioner
18 6K255 Timing chain tensioner arm
19 6268 Timing chain
20 6K297 Timing chain guide
21 6A895 Oil pump chain
22 6C271 Oil pump chain tensioner
23 6652 Oil pump drive gear
24 6M256 Oil pump chain guide (early build)
25 6600 Oil pump
26 6010 Cylinder block
Fig 4: Cylinder Head
GF0039371Courtesy of FORD MOTOR CO.
Item Part Number Description
1 12A366 Coil-on-plug assembly
2 6M293 Valve cover
3 12K073 Camshaft position (CMP) sensor
4 6766 Oil filler cap
5 6M293 Valve cover gasket
6 6A284 Camshaft bearing caps
7 6A272 Camshaft (exhaust)
8 6A271 Camshaft (intake)
9 6500 Valve tappet (16 required)
10 6518 Valve spring retainer key (16 required)
11 6514 Valve spring retainer (16 required)
12 6513 Valve spring (16 required)
13 6A517 Valve stem seal (16 required)
14 6G004 Cylinder head temperature (CHT) sensor
15 12405 Spark plug (4 required)
16 6065 Cylinder head bolt (10 required)
17 6049 Cylinder head
18 6505 Exhaust valve (8 required)
19 6507 Intake valve (8 required)
20 6051 Head gasket
21 6010 Cylinder block
22 6C251 Camshaft sprocket (2 required)
23 9448 Catalytic converter gasket (with secondary air injection (AIR)
24 5E211 2.0L catalytic converter (with AIR)
25 9448 Catalytic converter gasket (without AIR)
26 5E211 2.3L catalytic converter
27 9448 2.0L catalytic converter gasket (without AIR)
28 5G232 2.0L catalytic converter
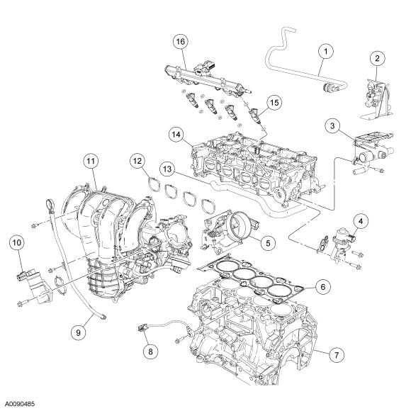
Fig 5: Intake Manifold
GF0039372Courtesy of FORD MOTOR CO.
Item Part Number Description
1 9288 Fuel supply tube
2 9F491 AIR valve and bracket (if equipped)
3 8K556 Coolant outlet
4 9D475 Exhaust gas recirculation (EGR) valve
5 9E926 Throttle body assembly
6 6051 Cylinder head gasket
7 6010 Cylinder block
8 12A699 Knock sensor
9 6754 Oil level indicator tube
10 9F715 Idle air control (IAC) valve assembly
11 9424 Intake manifold
12 9439 Intake manifold gasket
13 8A582 Coolant hose
14 6049 Cylinder head
15 9F593 Fuel injector (4 required)
16 9H487 Fuel rail
CAUTION: Do not loosen or remove the crankshaft pulley bolt without first installing the special tools as instructed in this procedure. The crankshaft pulley and the crankshaft timing sprocket are not keyed to the crankshaft. The crankshaft, the crankshaft sprocket and the pulley are fitted together by friction, using diamond washers between the flange faces on each part. For that reason, the crankshaft sprocket is also unfastened if the pulley bolt is loosened. Before any repair requiring loosening or removal of the crankshaft pulley bolt, the crankshaft and camshafts must be locked in place by the special service tools, otherwise severe engine damage can occur.
CAUTION: During engine repair procedures, cleanliness is extremely important. Any foreign material (including any material created while cleaning gasket surfaces) that enters the oil passages, coolant passages or the oil pan, can cause engine failure.
NOTE: Early build engines are equipped with an oil pump drive chain guide. Late build engines do not have an oil pump drive chain guide. Also, late build engines use an updated design for the oil pump drive chain and tensioner. Therefore, the oil pump drive components are not interchangeable between early build and late build engines.

All engines 

  1. NOTE: If the oil squirters are being reused, they must be installed in the same location as marked during disassembly.
    NOTE: The front bulkhead does not have an oil squirter.

    Install the 4 oil squirters.

    • Tighten to 4 Nm (35 lb-in).
    Fig 6: Locating Oil Squirters
    G06262228
  2. Measure each of the crankshaft main bearing journal diameters in at least 2 directions and record the smallest diameter for each journal.
    Fig 7: Identifying Measuring Directions Of Crankshaft Main Bearing Journal Diameter
    G06262229
  3. Position the main bearing beam in the engine block with the main bearing beam mounted flush with the rear face of the engine block.
    Fig 8: Locating Main Bearing Beam
    G06262230
  4. Using the original main bearing beam bolts, install and tighten the 10 main bearing beam bolts.
    • Tighten the bolts in the sequence shown in 3 stages.
    • Stage 1: Tighten to 5 Nm (44 lb-in).
    • Stage 2: Tighten to 25 Nm (18 lb-ft).
    • Stage 3: Tighten an additional 90 degrees.
    Fig 9: Identifying Main Bearing Beam Bolts Tightening Sequence
    G06262231
  5. Measure each crankshaft block main bearing bore diameter.
    • Remove the bolts and the main bearing beam.
    • Discard the main bearing beam bolts.
    Fig 10: Identifying Crankshaft Block Main Bearing Bore Diameter
    G06262232
  6. Using the chart, select the crankshaft main bearings.
    Fig 11: Crankshaft Main Bearings Chart
    G06262233
  7. NOTE: The rod cap installation must keep the same orientation as marked during disassembly or engine damage may occur.

    Using the original connecting rod cap bolts, install the connecting caps and bolts.

    • Tighten the bolts in 2 stages.
    • Stage 1: Tighten to 29 Nm (21 lb-ft).
    • Stage 2: Tighten an additional 90 degrees.
  8. Measure the connecting rod large end bore in 2 directions. Record the smallest measurement for each connecting rod.
    • Remove the bolts and the connecting rod cap.
    • Discard the connecting rod cap bolts.
    Fig 12: Identifying Connecting Rod Large End Bore Measuring Directions
    G06262234
  9. Measure each of the crankshaft connecting rod bearing journal diameters in at least 2 directions. Record the smallest measurement for each connecting rod journal.
    Fig 13: Identifying Measuring Directions Of Crankshaft Connecting Rod Bearing Journal Diameters
    G06262235
  10. Using the chart, select the correct connecting rod bearings for each crankshaft connecting rod journal.
    Fig 14: Connecting Rod Bearings Chart
    G06262236
  11. NOTE: Before assembling the cylinder block, all sealing surfaces must be free of chips, dirt, paint and foreign material. Also, make sure the coolant and oil passages are clear.
    NOTE: If reusing the crankshaft main bearings, install them in their original positions and orientation as noted during disassembly.
    NOTE: The center bulkhead is the thrust bearing.

    Lubricate the upper crankshaft main bearings with clean engine oil and install the 5 crankshaft main bearings in the cylinder block.

    Fig 15: Locating Upper Crankshaft Main Bearings
    G06262237
  12. NOTE: If reusing the crankshaft main bearings, install them in their original positions and orientation as noted during disassembly.

    Lubricate the crankshaft main bearings with clean engine oil and install the 5 crankshaft main bearings in the main bearing beam.

    Fig 16: Locating Crankshaft Main Bearings
    G06262238
  13. Lubricate journals on the crankshaft with clean engine oil.
  14. Position the crankshaft in the cylinder block.
    Fig 17: Locating Crankshaft
    G06262239
  15. Lubricate the 10 main bearing beam side fit surfaces (front 2 shown) with clean engine oil.
    Fig 18: Locating Main Bearing Beam Side Fit Surfaces
    G06262240
  16. Lubricate the crankshaft bearing journals on the main bearing beam with clean engine oil. Then position the main bearing beam in the engine block with the main bearing beam mounted flush with the rear face of the engine block.
    Fig 19: Locating Main Bearing Beam
    G06262241
  17. NOTE: Lubricate the main bearing beam bolts threads and under the bolt heads with clean engine oil.
    NOTE: Position the crankshaft to the rear of the cylinder block, then position the crankshaft to the front of the cylinder block before tightening the main bearing beam bolts.

    Install and tighten the 10 new main bearing beam bolts.

    • Tighten the bolts in the sequence shown in 3 stages.
    • Stage 1: Tighten to 5 Nm (44 lb-in).
    • Stage 2: Tighten to 25 Nm (18 lb-ft).
    • Stage 3: Tighten an additional 90 degrees.
    Fig 20: Identifying Main Bearing Beam Bolts Tightening Sequence
    G06262242
  18. Using the Dial Indicator Gauge with Holding Fixture, measure crankshaft end play.
    • Position the crankshaft to the rear of the cylinder block.
    • Zero the Dial Indicator Gauge with Holding Fixture.
    • Move the crankshaft to the front of the cylinder block. Note and record the crankshaft end play.
    • Acceptable crankshaft end play is 0.22-0.43 mm (0.008-0.016 in). If the crankshaft end play exceeds the specified range, install new parts as necessary.
    Fig 21: Measuring Crankshaft End Play
    G06262243
  19. NOTE: Be sure not to scratch the cylinder wall or crankshaft journal with the connecting rod. Push the piston down until the connecting rod bearing seats on the crankshaft journal.
    NOTE: Lubricate the pistons, piston rings, connecting rod bearings and the entire cylinder bores with clean engine oil.
    NOTE: Make sure the piston arrow on top is facing toward the front of the engine.

    Using the Piston Ring Compressor and the Connecting Rod Installer, install the piston and connecting rod assemblies.

    • When installing the pistons and connecting rod assemblies, the oil ring gaps must be positioned 60 degrees apart from each other and a minimum of 90 degrees from the expander gap.
    • The position of the upper and lower compression ring gaps are not controlled for installation.
    Fig 22: Identifying Piston Ring Compressor And Connecting Rod Installer
    G06262244
  20. NOTE: The rod cap installation must keep the same orientation as marked during disassembly or engine damage may occur.
    NOTE: Install connecting rod caps and bolts on the connecting rods for cylinders 1 and 4 first and tighten. Then rotate crankshaft 180 degrees and install connecting rod caps and bolts on connecting rods for cylinders 2 and 3 and tighten.
    NOTE: After installation of each connecting rod cap, rotate the crankshaft to verify smooth operation.

    Install the connecting rod caps and the new bolts.

    • Tighten the bolts in 2 stages.
    • Stage 1: Tighten to 29 Nm (21 lb-ft).
    • Stage 2: Tighten an additional 90 degrees.
    Fig 23: Locating Connecting Rod Cap Bolts
    G06262245
  21. 2.3L engines 

  22. Install the Crankshaft TDC  Timing Peg and rotate the crankshaft slowly clockwise until the crankshaft balance weight is up against the Crankshaft TDC  Timing Peg. The engine is now at Top Dead Center (TDC).
    Fig 24: Installing Crankshaft TDC Timing Peg
    G06262246
  23. NOTE: Due to the precision interior construction of the balancer unit, it should not be disassembled.
    NOTE: The original adjustment shims must be installed in their original position.
    NOTE: Confirm by visual inspection that there is no damage to the balancer unit gear and verify that the shaft turns smoothly. If there is any damage or malfunction, replace the balancer unit.

    Install the adjustment shims in their original position on the seat faces of the balancer unit.

  24. With the balancer unit shaft marks in the TDC  position, slowly install the balancer unit to the cylinder block to avoid interference between the crankshaft drive gear and the balancer unit driven gear.
    Fig 25: Locating Balancer Unit And Shafts Reference Mark
    G06262247
  25. Install the balancer unit bolts.
    • Tighten in the sequence shown in 2 stages.
    • Stage 1: Tighten to 25 Nm (18 lb-ft).
    • Stage 2: Tighten to 50 Nm (37 lb-ft).
    Fig 26: Identifying Balancer Unit Bolts Tightening Sequence
    G06262248
  26. Remove the Crankshaft TDC  Timing Peg.
    Fig 27: Installing Crankshaft TDC Timing Peg
    G06262249
  27. Rotate the crankshaft to confirm that there are no meshing problems between the balancer unit gear and the crankshaft gear.
  28. Install the Crankshaft TDC  Timing Peg and rotate the crankshaft slowly clockwise until the crankshaft balance weight is up against the Crankshaft TDC  Timing Peg.
    • Remove the Crankshaft TDC  Timing Peg.
    Fig 28: Installing Crankshaft TDC Timing Peg
    G06262250
  29. NOTE: Measure the backlash and verify that it is within specified range at all of the following 6 positions: 10 degrees, 30 degrees, 100 degrees, 190 degrees, 210 degrees and 280 degrees. It will be necessary to reset the measuring equipment between measurements.
    NOTE: The measurement must be taken with the Dial Indicator Gauge with Holding Fixture, a 5-mm Allen wrench and worm clamp set up as shown. Mark the Allen wrench with a file 80 mm (3.149 in) above the driven gear shaft center. Make sure the worm clamp and Allen wrench are not touching the balance shaft housing.
    NOTE: For an accurate measurement while measuring the gear backlash, insert a screwdriver as shown into the crankshaft No. 1 crankweight area and set both the rotation and the thrust direction with the screwdriver, using a prying action as shown.

    Position the Dial Indicator Gauge with Holding Fixture as shown. Measure the gear backlash.

    • Position the Dial Indicator Gauge with Holding Fixture (1) on the Allen wrench 80 mm (3.149 in) above the driven gear shaft center (2) on the balancer unit.
    • Rotate the crankshaft clockwise and measure the backlash at all of the following 6 positions: 10 degrees, 30 degrees, 100 degrees, 190 degrees, 210 degrees and 280 degrees.
    • Backlash specifications are 0.005 to 0.101 mm (0.00019 to 0.0039 in).
    • If the backlash exceeds the specified range, carry out the balance shaft backlash procedure. For additional information, refer to the Balance Shaft Backlash  procedure in this section.
    Fig 29: Measuring Gear Backlash
    G06262251
  30. All engines 

  31. Install the intermediate shaft bearing bracket and 3 bolts.
    • Tighten to 40 Nm (30 lb-ft).
  32. Fig 30: Locating Intermediate Shaft Bearing Bracket And Bolts
    GF0039362Courtesy of FORD MOTOR CO.
    CAUTION: Failure to position the No. 1 piston at top dead center (TDC) can result in damage to the engine. Turn the engine in the normal direction of rotation only.
  33. Turn the crankshaft clockwise to position the No. 1 piston at TDC.
  34. Remove the engine plug bolt.
  35. Fig 31: Locating Engine Plug Bolt
    G04319319Courtesy of FORD MOTOR CO.
    NOTE: The special tool will contact the crankshaft and prevent it from turning past TDC. However, the crankshaft can still be rotated in the counterclockwise direction. The crankshaft must remain at the TDC position until the timing drive components and crankshaft pulley are installed.
  36. Install the special tool.
  37. Fig 32: Identifying Special Tool (303-507)
    G04617907Courtesy of FORD MOTOR CO.
    NOTE: Clean the oil pump and cylinder block mating surfaces with metal surface cleaner.
  38. Install the oil pump assembly. Tighten the 4 bolts in the sequence shown in 2 stages.
    • Stage 1: Tighten to 10 Nm (89 lb-in).
    • Stage 2: Tighten to 20 Nm (15 lb-ft).
  39. Fig 33: Identifying Oil Pump Bolts Tightening Sequence
    GF0008969Courtesy of FORD MOTOR CO.
  40. Install a new oil pump pickup tube gasket and the pickup tube.
    • Tighten to 10 Nm (89 lb-in).
  41. Fig 34: Locating Oil Pump Pickup Tube Bolts
    GF0024195Courtesy of FORD MOTOR CO.
  42. Using the special tool, install the crankshaft rear main oil seal.
  43. Fig 35: Identifying Special Tool (303-328)
    GF0008975Courtesy of FORD MOTOR CO.
  44. Tighten the 6 crankshaft rear main oil seal bolts in the sequence shown to 10 Nm (89 lb-in).
  45. Fig 36: Identifying Tightening Sequence Of Crankshaft Rear Oil Seal Bolts
    GF0008976Courtesy of FORD MOTOR CO.
    CAUTION: Do not use metal scrapers, wire brushes, power abrasive discs or other abrasive means to clean the sealing surfaces. These tools cause scratches and gouges, which make leak paths. Use a plastic scraping tool to remove traces of sealant.
  46. Clean and inspect all mating surfaces.
  47. NOTE: If the oil pan is not secured within 4 minutes of sealant application, the sealant must be removed and the sealing area cleaned with metal surface cleaner. Allow to dry until there is no sign of wetness, or 4 minutes, whichever is longer. Failure to follow this procedure can cause future oil leakage.
  48. Apply a 2.5 mm (0.10 in) bead of silicone gasket and sealant to the oil pan. Install the oil pan. Install the 2 oil pan bolts finger-tight.
  49. Fig 37: Identifying Rear Oil Pan Bolts
    G03897723Courtesy of FORD MOTOR CO.
  50. Using a suitable straight edge, align the front surface of the oil pan flush with the front surface of the engine block.
  51. Fig 38: Aligning Front Surface Of The Oil Pan
    GF0024104Courtesy of FORD MOTOR CO.
  52. Install the remaining 13 oil pan bolts and tighten the oil pan bolts in the sequence shown to 25 Nm (18 lb-ft).
  53. Fig 39: Identifying Tightening Sequence Of Oil Pan Bolts
    G03897725Courtesy of FORD MOTOR CO.
  54. Install the cylinder head alignment dowels. Dowels must be fully seated in the cylinder block.
  55. Fig 40: Identifying Cylinder Head Alignment Dowels
    G03898024Courtesy of FORD MOTOR CO.
    CAUTION: Do not use metal scrapers, wire brushes, power abrasive discs or other abrasive means to clean the sealing surfaces. These tools cause scratches and gouges that make leak paths. Use a plastic scraping tool to remove all traces of the head gasket.
    CAUTION: Observe all warnings and cautions and follow all application directions contained on the packaging of the silicone gasket remover and the metal surface prep.
    NOTE: If there is no residual gasket material present, metal surface prep can be used to clean and prepare the surfaces.
  56. Clean the cylinder head-to-cylinder block mating surface of both the cylinder head and the cylinder block.
    1. Remove any large deposits of silicone or gasket material with a plastic scraper.
    2. Apply silicone gasket remover, following package directions, and allow to set for several minutes.
    3. Remove the silicone gasket remover with a plastic scraper. A second application of silicone gasket remover may be required if residual traces of silicone or gasket material remain.
    4. Apply metal surface prep, following package directions, to remove any traces of oil or coolant, and to prepare the surfaces to bond with the new gasket. Do not attempt to make the metal shiny. Some staining of the metal surfaces is normal.
  57. Apply silicone gasket and sealant to the locations shown.
  58. Fig 41: Identifying Silicone Gasket And Sealant Location
    G03897827Courtesy of FORD MOTOR CO.
  59. Install a new head gasket.
  60. Fig 42: Locating Head Gasket
    GF0024202Courtesy of FORD MOTOR CO.
    NOTE: The cylinder head bolts are torque-to-yield and must not be reused. New cylinder head bolts must be installed.
    NOTE: Lubricate the bolts with clean engine oil prior to installation.
  61. Install the cylinder head and 10 new bolts. Tighten the bolts in the sequence shown in 5 stages.
    • Stage 1: Tighten to 5 Nm (44 lb-in).
    • Stage 2: Tighten to 15 Nm (11 lb-ft).
    • Stage 3: Tighten to 45 Nm (33 lb-ft).
    • Stage 4: Turn 90 degrees.
    • Stage 5: Turn an additional 90 degrees.
  62. Fig 43: Identifying Tightening Sequence Of Cylinder Head Bolts
    GF0008958Courtesy of FORD MOTOR CO.
    CAUTION: Install the camshafts with the alignment slots in the camshafts lined up so the Camshaft Alignment Plate can be installed without rotating the camshafts. Make sure the lobes on the No. 1 cylinder are in the same position as noted in the disassembly procedure. Rotating the camshafts when the timing chain is removed, or installing the camshafts 180 degrees out of position, can cause severe damage to the valves and pistons.
    NOTE: Lubricate the camshaft journals and bearing caps with clean engine oil.
  63. Install the camshafts and bearing caps in their original location and orientation. Tighten the bearing caps in the sequence shown in 3 stages:
    • Stage 1: Tighten one turn at a time until tight.
    • Stage 2: Tighten to 7 Nm (62 lb-in).
    • Stage 3: Tighten to 16 Nm (12 lb-ft).
  64. Fig 44: Identifying Tightening Sequence Of Camshaft Bearing Cap Bolts
    GF0009075Courtesy of FORD MOTOR CO.
    NOTE: Install a new crankshaft sprocket diamond washer on both sides of the crankshaft sprocket.
  65. Install the crankshaft sprocket, new crankshaft sprocket diamond washers, oil pump chain and oil pump sprocket.
    • The crankshaft sprocket flange must be facing away from the engine block.
  66. Fig 45: Locating Washers, Oil Pump Chain & Sprockets
    GF0009076Courtesy of FORD MOTOR CO.
  67. Install the oil pump chain, sprocket and bolt.
    • Tighten to 25 Nm (18 lb-ft).
  68. Fig 46: Locating Oil Pump Chain, Sprocket And Bolt
    GF0024203Courtesy of FORD MOTOR CO.

    Late build vehicles 

  69. Install the oil pump drive chain tensioner shoulder bolt.
    • Tighten to 10 Nm (89 lb-in).
  70. Fig 47: Locating Oil Pump Chain Drive Tensioner Shoulder Bolt
    GF0009078Courtesy of FORD MOTOR CO.

    Early build vehicles 

  71. Install the oil pump drive chain guide and the 3 shoulder bolts.
    • Tighten to 10 Nm (89 lb-in).
  72. Fig 48: Installing Oil Pump Drive Chain Guide And Shoulder Bolts
    GF0024102Courtesy of FORD MOTOR CO.

    All vehicles 

  73. Install the oil pump chain tensioner and bolt. Hook the tensioner spring around the shoulder bolt.
    • Tighten to 10 Nm (89 lb-in).
  74. Fig 49: Locating Oil Pump Chain Tensioner
    GF0024103Courtesy of FORD MOTOR CO.
    CAUTION: The special tool 303-465 is for camshaft alignment only. Using this tool to prevent engine rotation can result in engine damage.
  75. Install the special tool in the slots on the rear of both camshafts.
  76. Fig 50: Identifying Special Camshaft Tool (303-465)
    G03898006Courtesy of FORD MOTOR CO.
  77. Install the camshaft sprockets and the bolts. Do not tighten the bolts at this time.
  78. Fig 51: Locating Camshaft Sprocket Bolts
    G03897782Courtesy of FORD MOTOR CO.
  79. Install the LH timing chain guide and the 2 bolts.
    • Tighten to 10 Nm (89 lb-in).
  80. Fig 52: Identifying Bolts And LH Timing Chain Guide
    G03897780Courtesy of FORD MOTOR CO.
  81. Install the timing chain.
  82. Fig 53: View Of Timing Chain
    G03897779Courtesy of FORD MOTOR CO.
  83. Install the RH timing chain guide.
  84. Fig 54: Locating RH Timing Chain Guide
    G03897778Courtesy of FORD MOTOR CO.
    CAUTION: Do not compress the ratchet assembly. This will damage the ratchet assembly.
  85. Using the edge of a vise, compress the timing chain tensioner plunger.
  86. Fig 55: Locating Timing Chain Tensioner Plunger
    GF0009079Courtesy of FORD MOTOR CO.
  87. Using a small pick, push back and hold the ratchet mechanism.
  88. Fig 56: Holding Ratchet Mechanism Using Small Pick
    GF0009080Courtesy of FORD MOTOR CO.
  89. While holding the ratchet mechanism, push the ratchet arm back into the tensioner housing.
  90. Fig 57: Pushing Ratchet Arm Back Into Tensioner Housing
    GF0009081Courtesy of FORD MOTOR CO.
  91. Install a paper clip into the hole in the tensioner housing to hold the ratchet assembly and the plunger in during installation.
  92. Fig 58: Installing Paper Clip Into Hole In Tensioner Housing To Hold Ratchet Assembly
    GF0009082Courtesy of FORD MOTOR CO.
  93. Install the timing chain tensioner and the 2 bolts. Remove the paper clip to release the piston.
    • Tighten to 10 Nm (89 lb-in).
  94. Fig 59: Locating Timing Chain Tensioner Bolts And Paper Clip
    GF0024080Courtesy of FORD MOTOR CO.
    CAUTION: The special tool 303-465 is for camshaft alignment only. Using this tool to prevent engine rotation can result in engine damage.
  95. Using the flats on the camshafts to prevent camshaft rotation, tighten the camshaft sprocket bolts to 72 Nm (53 lb-ft).
  96. Fig 60: Locating Camshaft Bolts
    GF0024092Courtesy of FORD MOTOR CO.
    CAUTION: Do not use metal scrapers, wire brushes, power abrasive disks or other abrasive means to clean sealing surfaces. These tools cause scratches and gouges which make leak paths.
  97. Clean and inspect the mounting surfaces of the engine and the front cover.
  98. NOTE: The engine front cover must be installed and the bolts tightened within 4 minutes of applying the silicone gasket and sealant.
  99. Apply a 2.5 mm (0.10 in) bead of silicone gasket and sealant to the cylinder head and oil pan joint areas. Apply a 2.5 mm (0.10 in) bead of silicone gasket and sealant to the front cover.
  100. Fig 61: Locating Silicone Gasket
    G03897744Courtesy of FORD MOTOR CO.
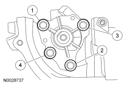
  101. Install the engine front cover. Tighten the 22 bolts in the sequence shown to the following specifications:
    • Tighten the 8 mm bolts to 10 Nm (89 lb-in).
    • Tighten the 13 mm bolts to 48 Nm (35 lb-ft).
  102. Fig 62: Identifying Engine Front Cover Bolts Tightening Sequence
    GF0024077Courtesy of FORD MOTOR CO.
    NOTE: Remove the through-bolt from the special tool.
    NOTE: Lubricate the oil seal with clean engine oil.
  103. Using the special tool, install a new crankshaft front oil seal.
  104. Fig 63: Installing Crankshaft Front Oil Seal Using Special Tool (303-096)
    G03897717Courtesy of FORD MOTOR CO.
    CAUTION: Do not install the crankshaft pulley bolt at this time.
    NOTE: Apply clean engine oil on the seal area before installing.
  105. Position the crankshaft pulley onto the crankshaft with the hole in the pulley at the 6 o'clock position.
  106. Fig 64: Locating Crankshaft Pulley & Hole
    GF0008924Courtesy of FORD MOTOR CO.
    CAUTION: Only hand-tighten the 6 mm (0.23 in) bolt or damage to the front cover can occur.
    NOTE: This step will correctly align the crankshaft pulley to the crankshaft.
  107. Install a standard 6 mm (0.23 in) x 18 mm (0.7 in) bolt through the crankshaft pulley and thread it into the front cover.
  108. Fig 65: Locating Crankshaft Pulley Bolt
    GF0008925Courtesy of FORD MOTOR CO.
  109. Assemble the special tools using 4 hardened washers in the locations shown.
  110. Fig 66: Assembling Special Tools (205-126 And 205-072-02)
    GF0008922Courtesy of FORD MOTOR CO.
    CAUTION: The crankshaft must remain in the TDC position during installation of the pulley bolt or damage to the engine can occur. Therefore, the crankshaft pulley must be held in place with the special tool and the bolt should be installed using hand tools only.
    CAUTION: Do not reuse the crankshaft pulley bolt.
  111. Install a new crankshaft pulley bolt. Using the special tools to hold the crankshaft pulley in place, tighten the crankshaft pulley bolt in 2 stages:
    • Stage 1: Tighten to 100 Nm (74 lb-ft).
    • Stage 2: Tighten an additional 90 degrees (1/4 turn).
  112. Fig 67: Using Special Tools (205-126 And 205-072-02)
    GF0024073Courtesy of FORD MOTOR CO.
  113. Remove the 6 mm (0.23 in) x 18 mm (0.7 in) bolt.
  114. Fig 68: Aligning Crankshaft Pulley Bolt Holes
    G03897704Courtesy of FORD MOTOR CO.
  115. Remove the special tool.
  116. Fig 69: Identifying Special Tool (303-507)
    G03897707Courtesy of FORD MOTOR CO.
  117. Remove the special tool.
  118. Fig 70: Identifying Special Camshaft Tool (303-465)
    G03898006Courtesy of FORD MOTOR CO.
    NOTE: Only turn the engine in the normal direction of rotation.
  119. Turn the crankshaft clockwise 1 and 3/4 turns.
  120. Install the special tool.
  121. Fig 71: Identifying Special Tool (303-507)
    G03897707Courtesy of FORD MOTOR CO.
    NOTE: Only turn the engine in the normal direction of rotation.
  122. Turn the crankshaft clockwise until the crankshaft contacts the special tool.
  123. Fig 72: Identifying Special Tool (303-507)
    G04617907Courtesy of FORD MOTOR CO.
    CAUTION: Only hand-tighten the bolt or damage to the front cover can occur.
  124. Using the 6 mm (0.23 in) x 18 mm (0.7 in) bolt, check the position of the crankshaft pulley.
    • If it is not possible to install the bolt, the engine valve timing must be corrected.
  125. Fig 73: Installing Bolt Through Crankshaft Pulley And Thread It Into Front Cover
    G03950429Courtesy of FORD MOTOR CO.
  126. Install the special tool to check the position of the camshafts.
    • If it is not possible to install the special tool, the engine valve timing must be corrected.
  127. Fig 74: Identifying Special Camshaft Tool (303-465)
    G03898006Courtesy of FORD MOTOR CO.
  128. Remove the special tool.
  129. Fig 75: Identifying Special Camshaft Tool (303-465)
    G03898006Courtesy of FORD MOTOR CO.
    NOTE: Whenever the crankshaft position (CKP) sensor is removed, a new one must be installed using the alignment tool supplied with the new part.
  130. Install a new CKP sensor and the 2 bolts.
    • Do not tighten the bolts at this time.
  131. Fig 76: Locating CKP Sensor
    G03898012Courtesy of FORD MOTOR CO.
    NOTE: The CKP sensor alignment tool is supplied with the new sensor and is not available separately.
  132. Adjust the CKP sensor with the alignment tool.
    • Tighten the 2 CKP bolts to 7 Nm (62 lb-in).
  133. Fig 77: Locating CKP Sensor Alignment Tool And Bolts
    GF0009614Courtesy of FORD MOTOR CO.
  134. Remove the 6 mm (0.23 in) x 18 mm (0.7 in) bolt.
  135. Fig 78: Installing Bolt Through Crankshaft Pulley And Thread It Into Front Cover
    G03950429Courtesy of FORD MOTOR CO.
  136. Remove the special tool.
  137. Fig 79: Identifying Special Tool (303-507)
    G03897707Courtesy of FORD MOTOR CO.
  138. Install the engine plug bolt.
    • Tighten to 20 Nm (15 lb-ft).
  139. Fig 80: Locating Engine Plug Bolt
    G04319319Courtesy of FORD MOTOR CO.
    CAUTION: Do not use metal scrapers, wire brushes, power abrasive discs or other abrasive means to clean the sealing surfaces. These tools cause scratches and gouges which make leak paths.
  140. Clean the valve cover gasket surface with metal surface cleaner.
  141. Apply silicone gasket and sealant to the locations shown.
  142. Fig 81: Locating Silicone Gasket Applying Area
    GF0009086Courtesy of FORD MOTOR CO.
    NOTE: The valve cover must be secured within 4 minutes of silicone gasket application. If the valve cover is not secured within 4 minutes, the sealant must be removed and the sealing area cleaned with metal surface cleaner.
  143. Install the valve cover.
    • Tighten the 14 bolts in the sequence shown to 10 Nm (89 lb-in).
  144. Fig 82: Identifying Valve Cover Bolts Tightening Sequence
    GF0024067Courtesy of FORD MOTOR CO.
    CAUTION: Only use hand tools when removing or installing the spark plugs, damage can occur to the cylinder head or spark plug.
  145. Install a new cylinder head temperature (CHT) sensor and the spark plugs.
    • Tighten the CHT sensor to 12 Nm (9 lb-ft).
    • Tighten the spark plugs to 12 Nm (9 lb-ft).
  146. Fig 83: Locating Cylinder Head Temperature Sensor And Spark Plugs
    GF0024191Courtesy of FORD MOTOR CO.
    NOTE: Apply dielectric compound to the inside of the coil-on-plug boots.
  147. Install the 4 coil-on-plugs, 4 bolts and the crankcase vent tube.
    • Tighten to 10 Nm (89 lb-in).
  148. Fig 84: Locating Crankcase Vent Tube And Coil-On-Plugs
    GF0024190Courtesy of FORD MOTOR CO.
  149. If equipped, install the block heater.
    • Tighten to 21 Nm (15 lb-ft).
  150. Fig 85: Locating Block Heater
    GF0009034Courtesy of FORD MOTOR CO.
    NOTE: The knock sensor (KS) must not touch the crankcase vent oil separator.
  151. Install the crankcase vent oil separator and the KS.
    • Tighten the 8 oil separator bolts to 10 Nm (89 lb-in).
    • Tighten the KS to 20 Nm (15 lb-ft).
  152. Fig 86: Locating Crankcase Vent Oil Separator, KS And Bolts
    GF0024204Courtesy of FORD MOTOR CO.
  153. Install the coolant bypass hose.
  154. Fig 87: Locating Coolant Bypass Hose
    GF0024185Courtesy of FORD MOTOR CO.
  155. Using a new gasket, install the coolant bypass and 4 bolts.
    • Tighten to 10 Nm (89 lb-in).
  156. Fig 88: Locating Coolant Bypass And Bolts
    GF0039361Courtesy of FORD MOTOR CO.
  157. Connect the coolant bypass hose.
  158. Fig 89: Locating Coolant Bypass Hose
    GF0039360Courtesy of FORD MOTOR CO.
  159. Install the coolant hose.
  160. Fig 90: Locating Coolant Hose
    GF0024186Courtesy of FORD MOTOR CO.
  161. Position the engine control wiring harness on the engine and connect the CHT sensor and install the rubber boot.
  162. Fig 91: Locating Cylinder Head Temperature Sensor Electrical Connector And Rubber Boot
    GF0024184Courtesy of FORD MOTOR CO.
  163. Connect the coil-on-plug and camshaft position (CMP) sensor electrical connectors.
  164. Fig 92: Locating Camshaft Position Sensor Electrical Connectors And Coil-On-Plug
    GF0024182Courtesy of FORD MOTOR CO.
    CAUTION: Use O-ring seals that are made of special fuel-resistant material. Use of ordinary O-rings can cause the fuel system to leak. Do not reuse the O-ring seals.
  165. Install new fuel injector O-rings.
    • Separate the fuel injectors from the fuel rail.
    • Remove and discard the fuel injector O-rings.
    • Install new O-rings and lubricate with clean engine oil.
    • Install the fuel injectors onto the fuel rail.
  166. Fig 93: Identifying Fuel Injector O-Ring Seals
    GF0000307Courtesy of FORD MOTOR CO.
  167. Install the fuel rail with the fuel injectors and the 2 bolts.
    • Tighten to 25 Nm (18 lb-ft).
  168. Fig 94: Locating Fuel Rail Bolts And Fuel Rail
    GF0024179Courtesy of FORD MOTOR CO.
  169. Connect the fuel charging wiring harness.
    • Connect the fuel rail pressure and temperature sensor electrical connector.
    • Connect the 4 fuel injector electrical connectors.
    • Attach the wiring harness retainers.
  170. Fig 95: Locating Fuel Charging Wiring Harness
    GF0039359Courtesy of FORD MOTOR CO.
  171. Connect the wiring harness retainers to the valve cover studs.
  172. Fig 96: Locating Wiring Harness Retainers
    GF0039262Courtesy of FORD MOTOR CO.
  173. Install the radio interference capacitor bracket and bolt.
    • Tighten to 10 Nm (89 lb-in).
  174. Fig 97: Locating Radio Interference Capacitor Bracket Bolt
    GF0039260Courtesy of FORD MOTOR CO.
  175. Install the EGR tube.
    • Tighten to 55 Nm (41 lb-ft).
  176. Fig 98: Locating Exhaust Gas Recirculation Tube
    GF0024177Courtesy of FORD MOTOR CO.
  177. Inspect and install new intake manifold gaskets if necessary.
  178. Position the intake manifold and connect the positive crankcase ventilation (PCV) hose.
  179. Fig 99: Locating Positive Crankcase Ventilation Hose
    GF0024176Courtesy of FORD MOTOR CO.

    2.3L engines 

    NOTE: Be sure to install the bolts in the previously marked locations.
  180. Install the intake manifold and the 7 mounting bolts.
    • Tighten to 18 Nm (13 lb-ft).
  181. Fig 100: Locating Intake Manifold Bolts
    GF0039252Courtesy of FORD MOTOR CO.
    NOTE: Lubricate the O-ring with clean engine oil.
  182. Install the oil level indicator tube assembly and 2 bolts.
  183. Fig 101: Locating Oil Level Indicator Tube Bolts
    GF0039251Courtesy of FORD MOTOR CO.
  184. Connect the swirl valve electrical connectors and pin-type retainers.
  185. Fig 102: Locating Swirl Valve Electrical Connectors And Pin-Type Retainers
    GF0039250Courtesy of FORD MOTOR CO.

    2.0L engines 

    NOTE: Be sure to install the bolts in the previously marked locations.
  186. Install the intake manifold and the 7 mounting bolts.
    • Tighten to 18 Nm (13 lb-ft).
  187. Fig 103: Locating Intake Manifold Bolts
    GF0039249Courtesy of FORD MOTOR CO.
    NOTE: Lubricate the O-ring with clean engine oil.
  188. Install the oil level indicator tube assembly and bolt.
    • Tighten to 10 Nm (89 lb-in).
  189. Fig 104: Locating Bolt And Oil Level Indicator Tube
    GF0039248Courtesy of FORD MOTOR CO.
  190. Connect the swirl control valve electrical connector.
  191. Fig 105: Locating Swirl Control Valve Electrical Connector
    GF0039247Courtesy of FORD MOTOR CO.
  192. If equipped, connect the secondary air injection (AIR) vacuum supply hose.
  193. Fig 106: Locating Secondary Air Injection Vacuum Supply Hose
    GF0039246Courtesy of FORD MOTOR CO.

    All engines 

  194. Connect the manifold absolute pressure (MAP) electrical connector.
  195. Fig 107: Locating Manifold Absolute Pressure Sensor Electrical Connector
    GF0024170Courtesy of FORD MOTOR CO.
  196. Connect the intake manifold runner control (IMRC) actuator electrical connector.
  197. Fig 108: Locating Intake Manifold Runner Control Actuator Electrical Connector
    GF0028833Courtesy of FORD MOTOR CO.
  198. Attach the wiring harness pin-type retainer.
  199. Fig 109: Locating Wiring Harness Pin-Type Retainer
    GF0039255Courtesy of FORD MOTOR CO.
  200. Connect the fuel rail pressure and temperature sensor vacuum hose.
  201. Fig 110: Locating Fuel Rail Pressure And Temperature Sensor Vacuum Hose
    GF0039245Courtesy of FORD MOTOR CO.
  202. Connect the idle air control (IAC) valve electrical connector and wiring harness pin-type retainer.
  203. Fig 111: Locating Idle Air Control Valve Electrical Connector And Wiring Harness Pin-Type Retainer
    GF0039358Courtesy of FORD MOTOR CO.
  204. Connect the throttle position (TP) sensor electrical connector and wiring harness pin-type retainer.
  205. Fig 112: Locating Throttle Position Sensor Electrical Connector And Wiring Harness Pin-Type Retainer
    GF0039357Courtesy of FORD MOTOR CO.
  206. Install the lower intake bolt.
    • Tighten to 18 Nm (13 lb-ft).
  207. Fig 113: Locating Lower Intake Manifold Bolt
    GF0039241Courtesy of FORD MOTOR CO.
  208. Connect the KS electrical connector and pin-type retainer.
  209. Fig 114: Locating Knock Sensor Electrical Connector And Pin-Type Retainer
    GF0039356Courtesy of FORD MOTOR CO.
    NOTE: Clean the gasket mating surfaces with metal surface cleaner.
  210. Install the oil filter adapter with a new gasket.
    • Tighten to 25 Nm (18 lb-ft).
  211. Fig 115: Locating Oil Filter Adapter And Bolts
    GF0024166Courtesy of FORD MOTOR CO.
  212. Install a new oil filter.
    • Tighten the oil filter 3/4 turn after the oil filter gasket makes contact with the oil filter adapter.
  213. Fig 116: Locating Engine Oil Filter
    GF0024165Courtesy of FORD MOTOR CO.
  214. Connect the oil pressure sensor electrical connector.
  215. Fig 117: Locating Engine Oil Pressure (EOP) Sensor Electrical Connector
    GF0009004Courtesy of FORD MOTOR CO.
    NOTE: Clean and inspect the thermostat housing gasket. Install a new gasket if necessary.
  216. Install the thermostat housing and 3 bolts.
    • Tighten to 10 Nm (89 lb-in).
  217. Fig 118: Locating Thermostat Housing Bolts
    GF0028838Courtesy of FORD MOTOR CO.
  218. Connect the heater hose to the thermostat housing.
  219. Fig 119: Locating Heater Hose
    GF0039355Courtesy of FORD MOTOR CO.
    NOTE: Clean the coolant pump mating surface with metal surface cleaner.
    NOTE: Lubricate the coolant pump O-ring with clean engine coolant.
  220. Position the coolant pump and install the 3 bolts.
    • Tighten to 10 Nm (89 lb-in).
  221. Fig 120: Locating Coolant Pump Bolts
    G03897970Courtesy of FORD MOTOR CO.
  222. Install the coolant pump pulley and 3 bolts.
    • Tighten to 20 Nm (15 lb-ft).
  223. Fig 121: Locating Coolant Pump Pulley Bolts
    G03897969Courtesy of FORD MOTOR CO.
  224. If equipped, install the accessory drive belt idler pulley.
    • Tighten to 25 Nm (18 lb-ft).
  225. Fig 122: Locating Accessory Drive Belt Idler Pulley And Bolt
    GF0024160Courtesy of FORD MOTOR CO.
  226. Install the accessory drive belt idler pulley.
    • Tighten to 25 Nm (18 lb-ft).
  227. Fig 123: Locating Accessory Drivebelt Idler Pulley And Bolt
    GF0024159Courtesy of FORD MOTOR CO.
  228. Install the accessory drivebelt tensioner and 2 bolts.
    • Tighten to 25 Nm (18 lb-ft).
  229. Fig 124: Locating Accessory Drive Belt Tensioner Bolts
    GF0039354Courtesy of FORD MOTOR CO.
  230. Install the generator, bolt and 2 stud bolts.
    • Tighten to 25 Nm (18 lb-ft).
  231. Fig 125: Locating Generator And Bolts
    GF0039353Courtesy of FORD MOTOR CO.
  232. Install the wiring harness retainer and nut.
    • Tighten to 25 Nm (18 lb-ft).
  233. Fig 126: Locating Wiring Harness Retainer And Nut
    GF0039352Courtesy of FORD MOTOR CO.
  234. Connect the generator electrical connections, harness retainer and install the nut.
    • Tighten to 8 Nm (71 lb-in).
  235. Fig 127: Locating Generator Electrical Connections And Wiring Harness Retainer
    GF0039351Courtesy of FORD MOTOR CO.
  236. Install the generator heat shield and 2 nuts.
    • Tighten to 18 Nm (13 lb-ft).
  237. Fig 128: Locating Generator Heat Shield And Nuts
    GF0039350Courtesy of FORD MOTOR CO.
  238. Connect the CKP sensor and the wiring harness pin-type retainers.
  239. Fig 129: Locating Crankshaft Position Sensor And Wiring Harness Pin-Type Retainers
    GF0009039Courtesy of FORD MOTOR CO.
  240. Using the heavy duty floor crane and spreader bar, remove the engine from the engine stand.
  241. Install the flexplate and the 6 bolts. Tighten the bolts in the sequence shown in 3 stages:
    • Stage 1: Tighten to 50 Nm (37 lb-ft).
    • Stage 2: Tighten to 80 Nm (59 lb-ft).
    • Stage 3: Tighten to 112 Nm (83 lb-ft).
  242. Fig 130: Identifying Flexplate Bolts Tightening Sequence
    GF0024206Courtesy of FORD MOTOR CO.

    Engines equipped with a manual transmission 

  243. Lubricate the transaxle input shaft pilot bearing with front axle grease.
  244. Fig 131: Locating Transmission Input Shaft Pilot Bearing
    GF0009091Courtesy of FORD MOTOR CO.
  245. Using the special tool, position the clutch disc on the flywheel.
  246. Fig 132: Locating Special Tool And Clutch Disc (308-006)
    GF0024207Courtesy of FORD MOTOR CO.
    NOTE: If reusing the clutch pressure plate and flywheel, align the marks made during removal.
  247. Position the clutch pressure plate and install the 7 bolts. Tighten the bolts in a star pattern sequence to 27 Nm (20 lb-ft).
  248. Fig 133: Locating Clutch Pressure Plate Bolts
    GF0009024Courtesy of FORD MOTOR CO.