lemon-mirror:
Home >> Ford >> 2007 >> Taurus SE >> Repair and Diagnosis >> External Pages >> Different car >> Section 294 (Component Testing) >> Component Testing >> Seat adjust switch >> Schematic

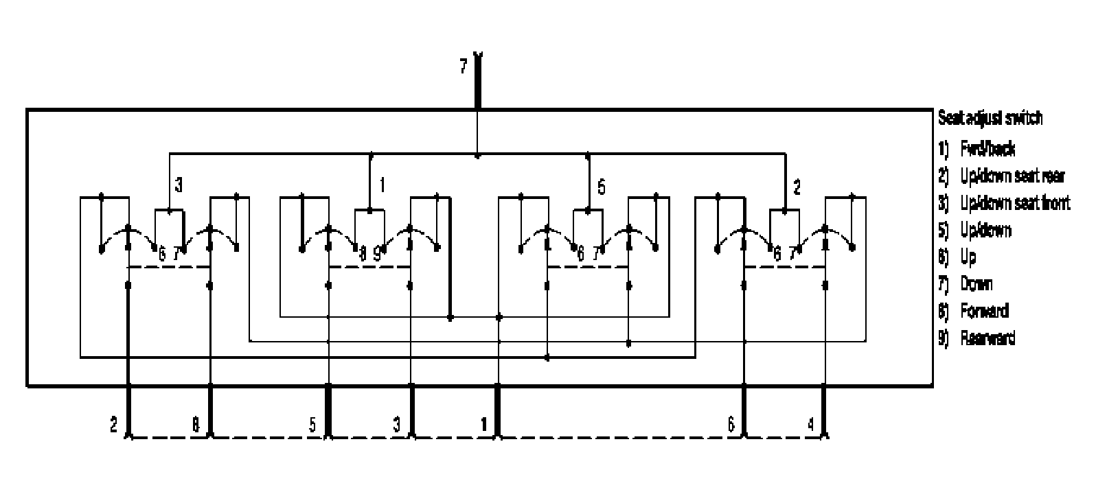
Seat adjust switch: Schematic

WARNING: This page is about a different car, the 2005 Mercury Sable and 2005 Ford Taurus. However, it is still accessible from the selected car via links, so may be relevant.
Fig 1: Seat Adjust Switch - Schematic
G03994422Courtesy of FORD MOTOR CO.