Steering Column - Console Shift: Notes
Special Tools
| Illustration | Tool Name | Tool Number |
|---|---|---|
| Steering Column Locking Lever Tool | (Shop Fabricated) |
Material
| Item | Specification |
|---|---|
| Premium Long-Life Grease XG-1-C |
ESA- M1C75-B |
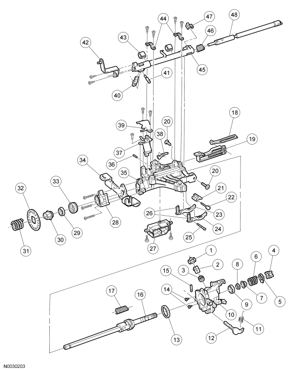
| Item | Part Number | Description |
|---|---|---|
| 1 | 3F579 | Steering column upper bearing retainer |
| 2 | 3E700 | Steering column lock housing bearing |
| 3 | 3E717 | Steering column lock gear |
| 4 | 13318 | Turn indicator cancel cam |
| 5 | 3C610 | Snap ring |
| 6 | 3520 | Steering column upper bearing spring |
| 7 | 3518 | Steering column bearing sleeve |
| 8 | 3L539 | Steering column upper bearing tolerance ring |
| 9 | 3517 | Upper steering column bearing (small) |
| 10 | 3F642 | Lock cylinder housing |
| 11 | 3D678 | Steering column release lever spring |
| 12 | 3D544 | Steering column release lever |
| 13 | 3517 | Upper steering column bearing (large) |
| 14 | 3D656 | Lock cylinder housing bumper |
| 15 | N805857 | Tilt release lever pivot pin |
| 16 | 3D657 | Steering shaft assembly |
| 17 | 3D655 | Steering column position spring |
| 18 | 3E723 | Upper lock actuator assembly |
| 19 | 3E715 | Lower lock actuator assembly |
| 20 | N806582 | Tilt pivot screws (2 required) |
| 21 | 3E695 | Steering column lock cam |
| 22 | N808114 | Steering column lock cam pivot pin |
| 23 | 3B662 | Steering column lock lever (RH) |
| 24 | 3D653 | Steering column lock lever (LH) |
| 25 | N808136 | Steering column lock lever actuator pin |
| 26 | 3B768 | Steering column locking lever spring |
| 27 | 11572 | Ignition switch |
| 28 | 3D681 | Steering column lower bearing retainer |
| 29 | 3517 | Steering column bearing |
| 30 | 3L539 | Lower steering column bearing tolerance ring |
| 31 | 3C674 | Steering column bearing spring |
| 32 | 3C131 | Suspension height sensor control ring |
| 33 | 3A649 | Steering column bearing sleeve |
| 34 | 3676 | Steering column lower mounting bracket |
| 35 | 3F723 | Steering actuator housing |
| 36 | 3B663 | Steering column lock lever pin (shifter) |
| 37 | 3F752 | Brake shift interlock solenoid |
| 38 | 3E691 | Steering column lock pawl (shifter) |
| 39 | 7A216 | Transmission shift selector position insert |
| 40 | 7D282 | Transmission gearshift lever |
| 41 | 7W441 | Transmission gearshift lever pin |
| 42 | 7302 | Shift arm assembly |
| 43 | 7335 | Gearshift lever socket bushing |
| 44 | 7E400 | Gearshift tube bushing clamp |
| 45 | 7215 | Transmission column shift selector tube |
| 46 | 7B071 | Gearshift selector tube spring |
| 47 | 7C464 | Transmission control selector lever spring clip |
| 48 | 7361 | Column shift selector lever plunger |