lemon-mirror:
Home >> Ford >> 2011 >> Edge SE, FWD >> Repair and Diagnosis >> Accessories & Equipment >> Accessories Control Systems >> Component Testing >> Introduction >> Ignition switch >> Schematic

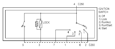
Ignition switch: Schematic

Fig 1: Ignition Switch - Schematic
G07326907Courtesy of FORD MOTOR CO.