lemon-mirror:
Home >> Ford >> 2011 >> Expedition RWD >> Repair and Diagnosis >> Accessories & Equipment >> Accessories Control Systems >> Component Testing >> Introduction >> Headlamp switch >> Schematic

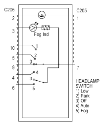
Headlamp switch: Schematic

Fig 1: Headlamp Switch - Schematic
G07327337Courtesy of FORD MOTOR CO.