lemon-mirror:
Home >> Ford >> 2012 >> Expedition RWD >> Repair and Diagnosis >> Steering >> Steering Column >> Removal And Installation >> Steering Column Motor >> Notes

Steering Column Motor: Notes

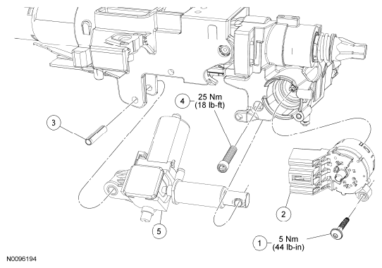
Fig 1: Steering Column Motor Replacement Components With Torque Specifications
G06126019Courtesy of FORD MOTOR CO.
Item Part Number Description
1 11B572 Ignition switch screw
2 11572 Ignition switch
3 - Steering column motor roll pin (part of 3D538)
4 - Steering column motor bolt (part of 3D538)
5 3D538 Steering column motor