lemon-mirror:
Home >> Ford >> 2012 >> Fiesta SES, Standard Trans >> Repair and Diagnosis >> Electrical >> Body Electrical >> OEM Component Testing >> Component Testing >> Relay - Micro ISO >> Schematic

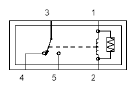
Relay - Micro ISO: Schematic

Fig 1: Relay - Micro ISO Schematic
G07894565Courtesy of FORD MOTOR CO.