lemon-mirror:
Home >> Ford >> 2012 >> Fiesta SES, Standard Trans >> Repair and Diagnosis >> Electrical >> Body Electrical >> OEM Component Testing >> Component Testing >> Window control switch >> Schematic

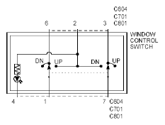
Window control switch: Schematic

Fig 1: Window Control Switch Schematic
G07894557Courtesy of FORD MOTOR CO.