lemon-mirror:
Home >> Ford >> 2012 >> Flex SE >> Repair and Diagnosis >> Electrical >> Body Electrical >> OEM Component Testing >> Component Testing >> Roof opening panel control switch >> Schematic

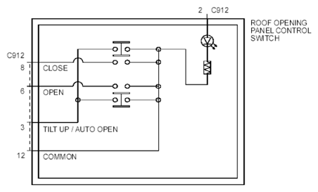
Roof opening panel control switch: Schematic

Fig 1: Roof Opening Panel Control Switch Schematic Diagram
G07905750Courtesy of FORD MOTOR CO.