lemon-mirror:
Home >> Ford >> 2012 >> Mustang Base, 2D Convertible, Automatic Trans >> Repair and Diagnosis >> Electrical >> Body Electrical >> OEM Component Testing >> Component Testing >> Rear window adjust switch >> Schematic

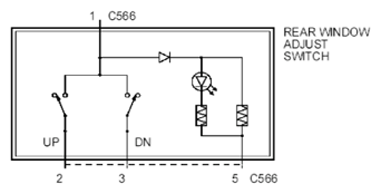
Rear window adjust switch: Schematic

Fig 1: Rear Window Adjust Switch - Component Testing
G07925512Courtesy of FORD MOTOR CO.