lemon-mirror:
Home >> Ford >> 2012 >> Mustang Base, 2D Convertible, Automatic Trans >> Repair and Diagnosis >> Electrical >> Body Electrical >> OEM Component Testing >> Component Testing >> Window adjust switch, passenger side >> Schematic

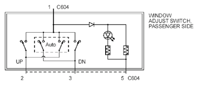
Window adjust switch, passenger side: Schematic

Fig 1: Window Adjust Switch, Passenger Side - Component Testing
G07925510Courtesy of FORD MOTOR CO.