lemon-mirror:
Home >> Ford >> 2012 >> Taurus SE >> Repair and Diagnosis >> External Pages >> Different car >> Section 1453 (Component Testing) >> Component Testing >> Window adjust switches - Edge >> Schematic

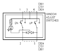
Window adjust switches - Edge: Schematic

WARNING: This page is about a different car, the 2010 Lincoln MKX and 2010 Ford Edge. However, it is still accessible from the selected car via links, so may be relevant.
Fig 1: Window Adjust Switches - Edge Schematic
G06287032Courtesy of FORD MOTOR CO.