lemon-mirror:
Home >> Ford >> 2012 >> Transit Connect Base, Van Cargo >> Repair and Diagnosis >> Quick Lookups >> Wiring Diagrams >> OEM Component Testing >> Component Testing >> Main light switch >> Schematic

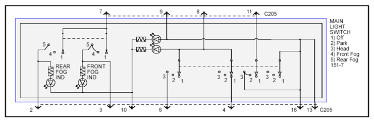
Main light switch: Schematic

Fig 1: Main Light Switch - Component Testing
G07909345Courtesy of FORD MOTOR CO.