lemon-mirror:
Home >> Ford >> 2017 >> Transit Connect Titanium >> Repair and Diagnosis >> Transmission >> Automatic Trans >> Automatic Transmission >> Description And Operation >> Intermediate Clutch Assembly

Intermediate Clutch Assembly

Intermediate (2, 6) Clutch Exploded View 

GFD214957Courtesy of FORD MOTOR COMPANY
Item  Description 
1 Transmission case
2 Intermediate clutch piston
3 Intermediate clutch piston return spring
4 Intermediate clutch piston return spring snap ring
5 Intermediate clutch apply ring
6 Rear planetary sun gear and shell assembly
7 Intermediate clutch wave spring
8 Intermediate clutch assembly
9 Low/One-Way Clutch (OWC)

Intermediate (2, 6) Clutch Cutaway View 

GFD214958Courtesy of FORD MOTOR COMPANY

Intermediate (2, 6) Clutch Mechanical Operation 

The intermediate clutch is a brake clutch that holds the rear planetary sun gear and shell assembly. The intermediate clutch is applied in 2nd and 6th gears.

Hydraulic pressure from the regulator valve in the valve body pushes the intermediate clutch piston against the intermediate clutch pack to apply the clutch. The low One-Way Clutch (OWC) works as a pressure plate for the intermediate (2, 6) clutch. The rear planetary sun gear and shell assembly is held stationary to the transmission case as a result of the clutch being applied.

Intermediate (2, 6) Clutch Hydraulic Circuits (Applied) 

GFD214959Courtesy of FORD MOTOR COMPANY

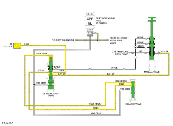
Line pressure is supplied to the 26 regulator valve by the manual valve in the DRIVE and LOW positions. To apply the intermediate (2, 6) clutch, SSC supplies varying solenoid pressure to the 26 regulator and latch valves. As the 26 regulator valve moves, it supplies the intermediate (2, 6) clutch and 26 latch valve with regulated line pressure through the CB26 circuit. The 26 latch valve directs the regulated line pressure to the opposite side of the 26 regulator valve through the CB26 FDBK circuit for gradual intermediate (2, 6) clutch engagement. The intermediate (2, 6) clutch is applied in 2nd and 6th gears.

Intermediate (2, 6) Clutch Hydraulic Circuits (Released) 

GFD214960Courtesy of FORD MOTOR COMPANY

When the intermediate (2, 6) clutch is released in 1st, 3rd, 4th and 5th gears and manual LOW position, solenoid pressure from SSC is removed from the 26 regulator and latch valves which positions the valves to block line pressure and release the intermediate (2, 6) clutch. When the intermediate (2, 6) clutch is released in the PARK, REVERSE or NEUTRAL position, line pressure is not supplied to the 26 regulator valve.

In the released position, exhaust backfill supplied to the 26 clutch regulator valve by the manual valve through the EXH BF circuit is directed to the intermediate (2, 6) clutch and 26 latch valve to fill the unused circuits with unpressurized transmission fluid.

For details on valve body hydraulic circuits and solenoid operation. For additional information, refer to: Transmission Description - System Operation and Component Description .