lemon-mirror:
Home >> GMC >> 1984 >> Forward Control 5.7 M, Standard >> Repair and Diagnosis >> Engine Performance >> System >> Diesel CEC Testing >> Wiring Diagram

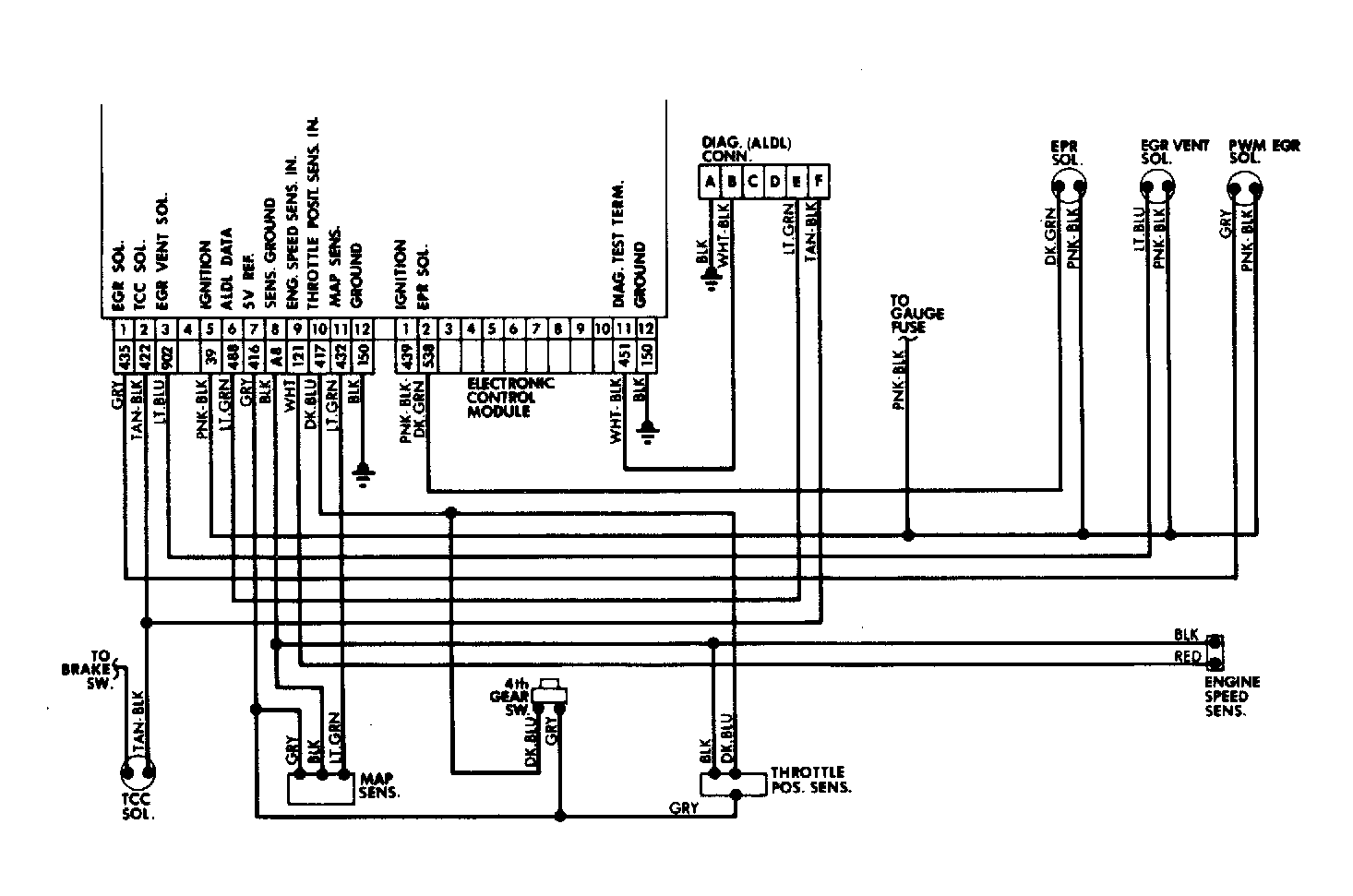
Diesel CEC Testing: Wiring Diagram

Fig 1: GM 6.2L Diesel DEC System Wiring Diagram
G9495