lemon-mirror:
Home >> GMC >> 1998 >> Yukon RWD >> Repair and Diagnosis >> Maintenance >> Procedures >> Maintenance Information >> Additional Service Information

Additional Service Information

Fig 1: CSFI Components (Typical 5.7L)
G50F12034Courtesy of GENERAL MOTORS CORP.
Fig 2: CSFI Throttle Body (Typical 5.7L)
G50G12035Courtesy of GENERAL MOTORS CORP.
Fig 3: CSFI Fuel Meter Body (Typical 5.7L)
G50H12036Courtesy of GENERAL MOTORS CORP.
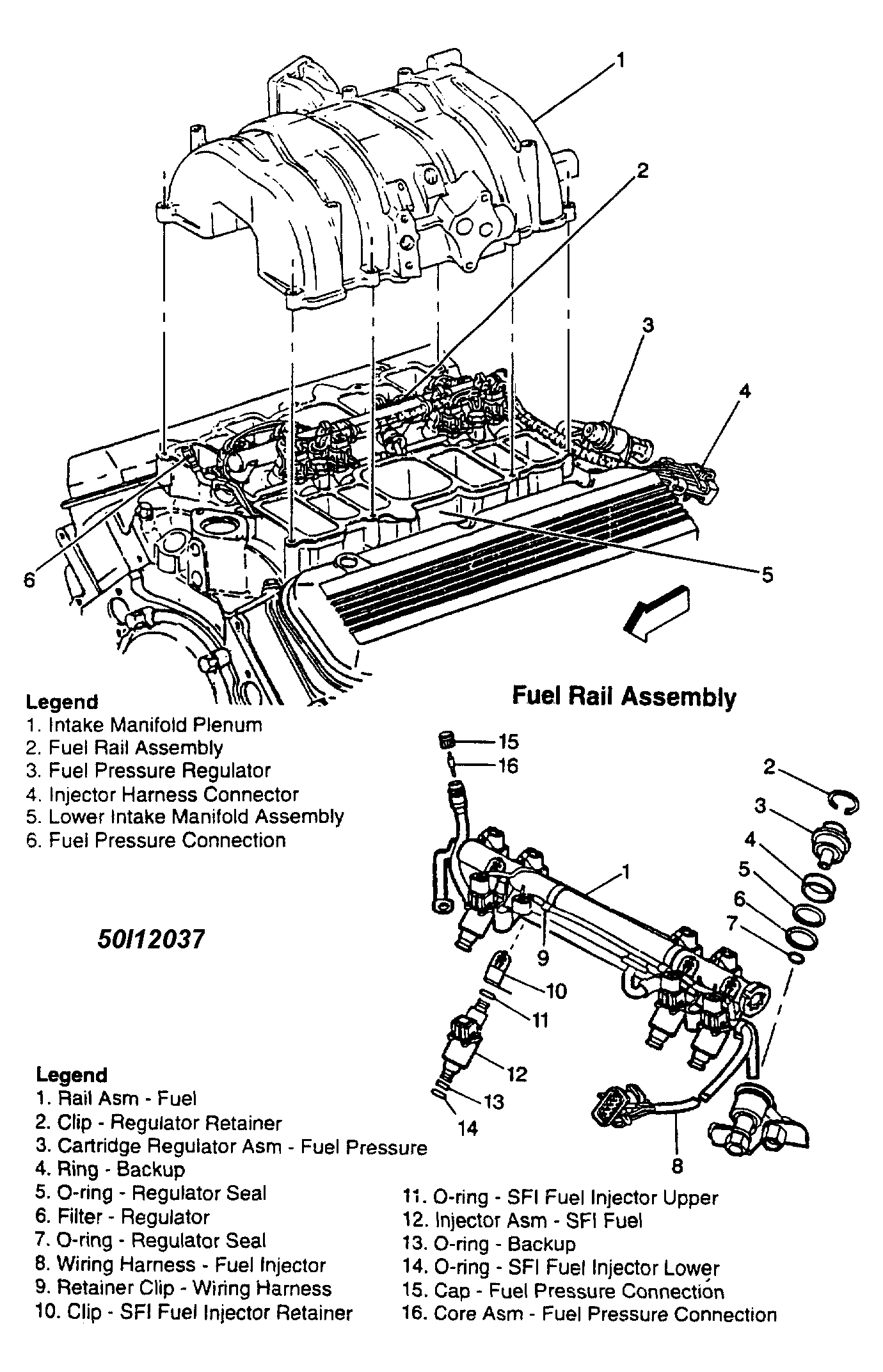
Fig 4: SMPI Fuel Injection Components (7.4L)
G50I12037Courtesy of GENERAL MOTORS CORP.
Fig 5: SMPI Throttle Body (7.4L)
G50J12038Courtesy of GENERAL MOTORS CORP.
Fig 6: Air Cleaner Restriction Indicator
G50A12039Courtesy of GENERAL MOTORS CORP.