lemon-mirror:
Home >> GMC >> 2003 >> Envoy RWD >> Repair and Diagnosis (Single Page) >> Engine Performance >> Remove, Overhaul & Install >> Engine Controls - Removal & Installation >> Computerized Engine Controls >> Powertrain Control Module >> Installation

Powertrain Control Module: Installation

Install PCM to intake manifold plenum. Connect harness connectors to PCM. Tighten PCM harness connector bolts to specification. See TORQUE SPECIFICATIONS . Reconnect negative battery cable. If NEW PCM has been installed, PCM MUST be programmed. See PROGRAMMING .



NOTE: Use the correct fastener in the correct location. Replacement fasteners must be the correct part number for that application. Fasteners requiring replacement or fasteners requiring the use of thread locking compound or sealant are identified in the service procedure. Do not use paints, lubricants, or corrosion inhibitors on fasteners or fastener joint surfaces unless specified. These coatings affect fastener torque and joint clamping force and may damage the fastener. Use the correct tightening sequence and specifications when installing fasteners in order to avoid damage to parts and systems.
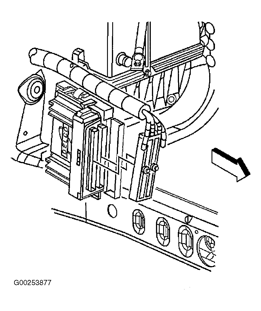
  1. Connect the PCM electrical connectors. See Fig 4.
  2. Tighten the PCM electrical connector bolts. Tighten the bolts to specification. See TORQUE SPECIFICATIONS .
  3. Install the PCM. See Fig 3.
  4. Ensure that the PCM mounting tabs are engaged.
  5. Secure the spring latch to the PCM.
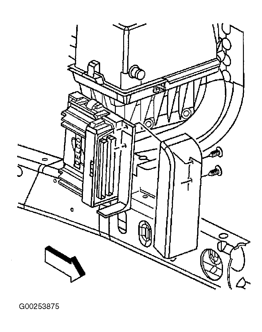
  6. Install the PCM cover and cover retainers if previously removed. See Fig 2.
  7. Connect the cooling fan electrical connector. See Fig 1.
  8. Connect the negative battery cable.
  9. If the PCM was replaced the replacement PCM must be programmed. See PROGRAMMING .
Fig 1: Removing & Installing PCM (1 Of 4)
G00253874Courtesy of GENERAL MOTORS CORP.
Fig 2: Removing & Installing PCM (2 Of 4)
G00253875Courtesy of GENERAL MOTORS CORP.
Fig 3: Removing & Installing PCM (3 Of 4)
G00253876Courtesy of GENERAL MOTORS CORP.
Fig 4: Removing & Installing PCM (4 Of 4)
G00253877Courtesy of GENERAL MOTORS CORP.