lemon-mirror:
Home >> GMC >> 2003 >> Envoy RWD >> Repair and Diagnosis >> Engine Performance >> System >> Engine Controls - System & Component Testing - 4.2L >> Component Locations

Component Locations

NOTE: For component locations refer to COMPONENT LOCATIONS  table or illustrations. See Fig 1 -Fig 10 .
COMPONENT LOCATIONS

Component Location
A/C Low Pressure Switch Right Rear Of Engine Compartment, On Accumulator
A/C Refrigerant Pressure Sensor On High Pressure Hose Connection To Compressor
A/C Relay In Underhood Fuse/Relay Block
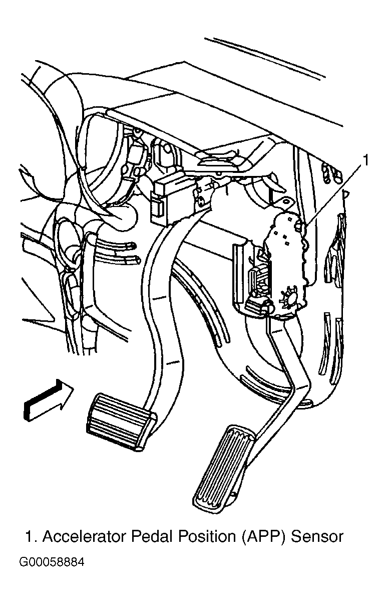
Accelerator Pedal Position Sensor On Accelerator Bracket
Body Control Module Attached To Rear Fuse Block, Beneath Left Rear Seat
Camshaft Actuator Solenoid Assembly On Upper Right Of Engine Block
Camshaft Position Sensor Upper Right Front Of Engine Block, Below Valve Cover
Crankshaft Position Sensor Below Starter
Data Link Connector Below Instrument Panel, Above Accelerator Pedal
Engine Coolant Temperature Sensor On Left Front Of Engine Block, Near Generator
Engine Oil Level/Temp Sensor Right Side Of Engine Block
EVAP Canister Purge Solenoid Left Side Of Engine Block
EVAP Canister Vent Solenoid Rear Of Fuel Tank
Fuel Pump Relay In Underhood Fuse/Relay Block
Fuel Tank Pressure Sensor Top Left Rear Of Fuel Tank
HO2S 1 On Right Side Exhaust Manifold
HO2S 2 In Exhaust Pipe, Near Transmission
Intake Air Temperature Sensor In Air Intake Duct
Knock Sensor Below Starter Motor
Knock Sensor, Rear Behind A/C Compressor
Manifold Absolute Pressure Sensor Top Left Of Engine
Powertrain Control Module Mounted To Upper Left Of Engine
Throttle Actuator Control Attached To Throttle Shaft, Part Of Throttle Body Assembly
Underhood Fuse/Relay Block Above Left Front Inner Wheelwell
Vehicle Communication Interface Module Under Right Rear Seat
Vehicle Speed Sensor Attached To Output Shaft At Left Rear Of Transfer Case
Fig 1: Locating Accelerator Pedal Position Sensor
G00058884Courtesy of GENERAL MOTORS CORP.
Fig 2: Locating Camshaft Position Sensor & Camshaft Actuator Solenoid Assembly
G00028588Courtesy of GENERAL MOTORS CORP.
Fig 3: Locating Crankshaft Position Sensor, Knock Sensor & EVAP Canister Purge Solenoid
G00028590Courtesy of GENERAL MOTORS CORP.
Fig 4: Locating ECT Sensor & PCM Connectors
G00028589Courtesy of GENERAL MOTORS CORP.
Fig 5: Locating Fuel Tank Pressure Sensor & EVAP Canister Vent Solenoid
G00058885Courtesy of GENERAL MOTORS CORP.
Fig 6: Locating Heated Oxygen Sensor No. 1
G00058881Courtesy of GENERAL MOTORS CORP.
Fig 7: Locating Heated Oxygen Sensor No. 2
G00058882Courtesy of GENERAL MOTORS CORP.
Fig 8: Locating Intake Air Temperature Sensor, MAP Sensors & Throttle Actuator Control Motor
G00028587Courtesy of GENERAL MOTORS CORP.
Fig 9: Locating Ignition Coils No. 1 & 6, & Fuel Injector Harness Connector
G00058877Courtesy of GENERAL MOTORS CORP.
Fig 10: Locating Vehicle Speed Sensor
G00058883Courtesy of GENERAL MOTORS CORP.