lemon-mirror:
Home >> GMC >> 2005 >> Jimmy Part Time, Automatic >> Repair and Diagnosis >> Brakes >> Traction Control >> Antilock Brake System >> Component Locator >> ABS Component Views

ABS Component Views

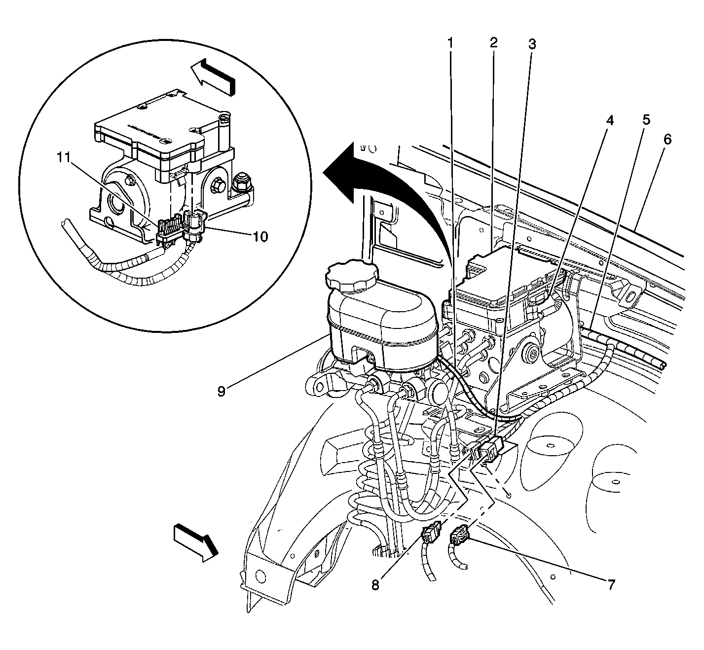
Fig 1: Electronic Brake Control Module (EBCM)
GM591461Courtesy of GENERAL MOTORS CORP.
Callout Component Name
1 Brake Fluid Level Switch Connector
2 Electronic Brake Control Module (EBCM)
3 C114
4 Pump Motor
5 Body Harness
6 LF Fender
7 C114
8 C109
9 Brake Master Cylinder
10 Electronic Brake Control Module (EBCM) Connector C2
11 Electronic Brake Control Module (EBCM) Connector C1
Fig 2: Forward Wiring Sensor
GM259030Courtesy of GENERAL MOTORS CORP.
Callout Component Name
1 Wheel Speed Sensor (WSS) - LF
2 Ground G106
3 Ground G118
4 Wheel Speed Sensor (WSS) - RF