lemon-mirror:
Home >> GMC >> 2006 >> Sierra 1500 HD, 4WD >> Repair and Diagnosis >> Brakes >> Antilock Brake System With Traction Control System >> Repair Instructions >> Electronic Brake Control Module Replacement >> Installation Procedure

Installation Procedure

    IMPORTANT:
    • Do not reuse the old mounting screws. Always install new mounting screws with the new EBCM.
    • Do not use RTV or any other type of sealant on the EBCM gasket or mating surfaces.
    Fig 1: Installing EBCM
    GM925878Courtesy of GENERAL MOTORS CORP.
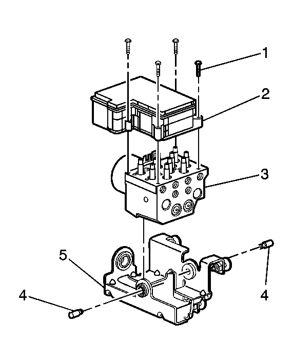
  1. Install the EBCM to the BPMV.
  2. NOTE: Refer to Fastener Notice .
    Fig 2: Exploded View Of EBCM & BPMV Components
    GM925574Courtesy of GENERAL MOTORS CORP.
  3. Install the new EBCM screws (1).

    Tighten:  Tighten the screws to 5 N.m (39 lb in) in an X-pattern.

  4. Lower the vehicle.
  5. Connect the negative battery cable. Refer to Battery Negative Cable Disconnect/Connect Procedure (Single Battery) or Battery Negative Cable Disconnect/Connect Procedure (Auxiliary Battery) .
  6. If a new EBCM was installed, the EBCM must be programmed. Refer to Service Programming System (SPS) .
  7. Turn the ignition to the ON position. DO NOT start the engine.
  8. Perform the Diagnostic System Check - Vehicle .