lemon-mirror:
Home >> GMC >> 2015 >> Canyon SL >> Repair and Diagnosis >> Engine Performance >> System >> Data Communication System >> Schematic Wiring Diagrams >> Data Communication Wiring Schematics >> Linear Interconnect Network

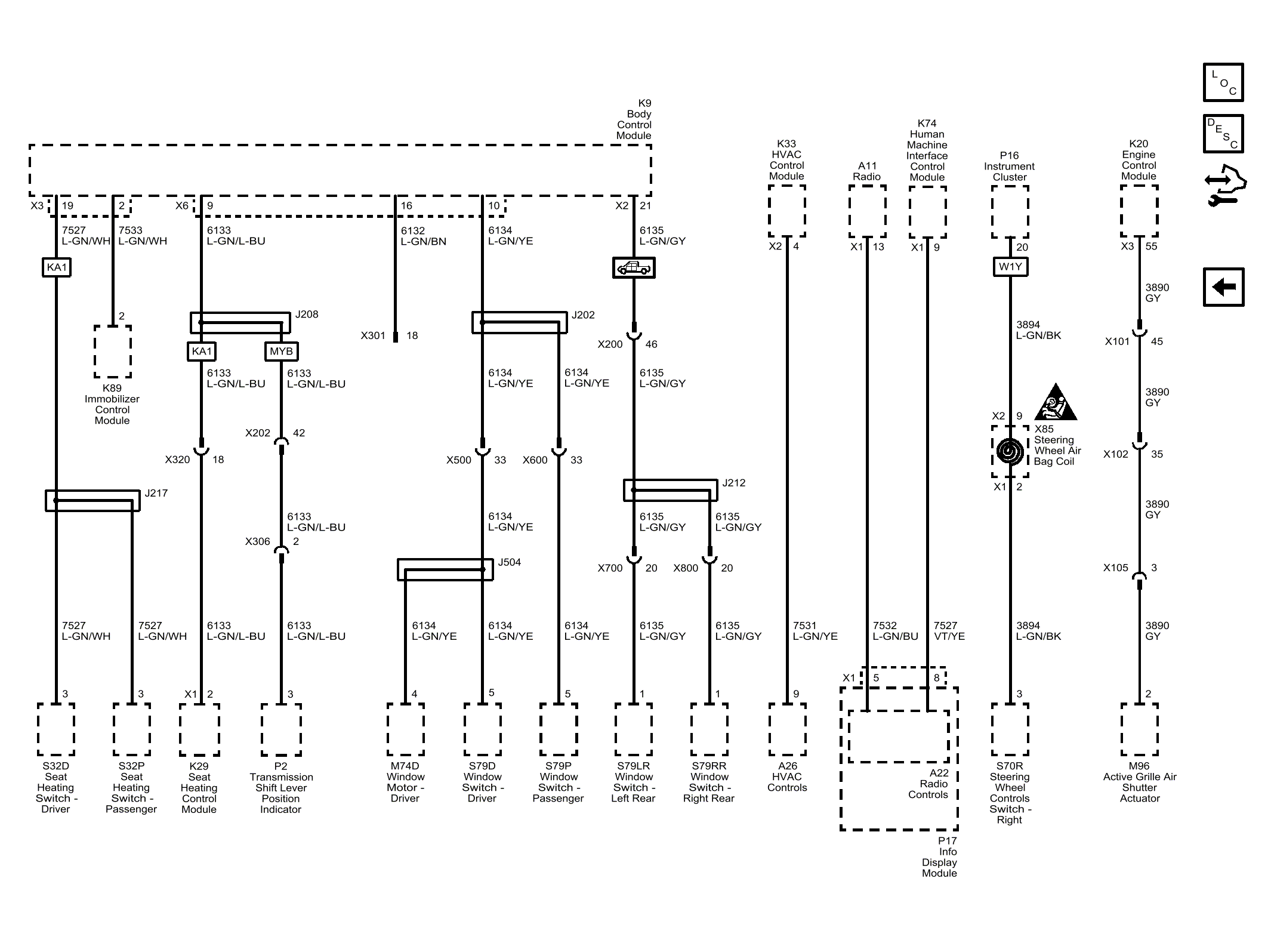
Linear Interconnect Network

Fig 1: Linear Interconnect Network
GM3826908Courtesy of GENERAL MOTORS COMPANY