lemon-mirror:
Home >> GMC >> 2015 >> Canyon SL >> Repair and Diagnosis >> Engine Performance >> System >> Data Communication System >> Schematic Wiring Diagrams >> Data Communication Wiring Schematics >> MOST Communication Bus

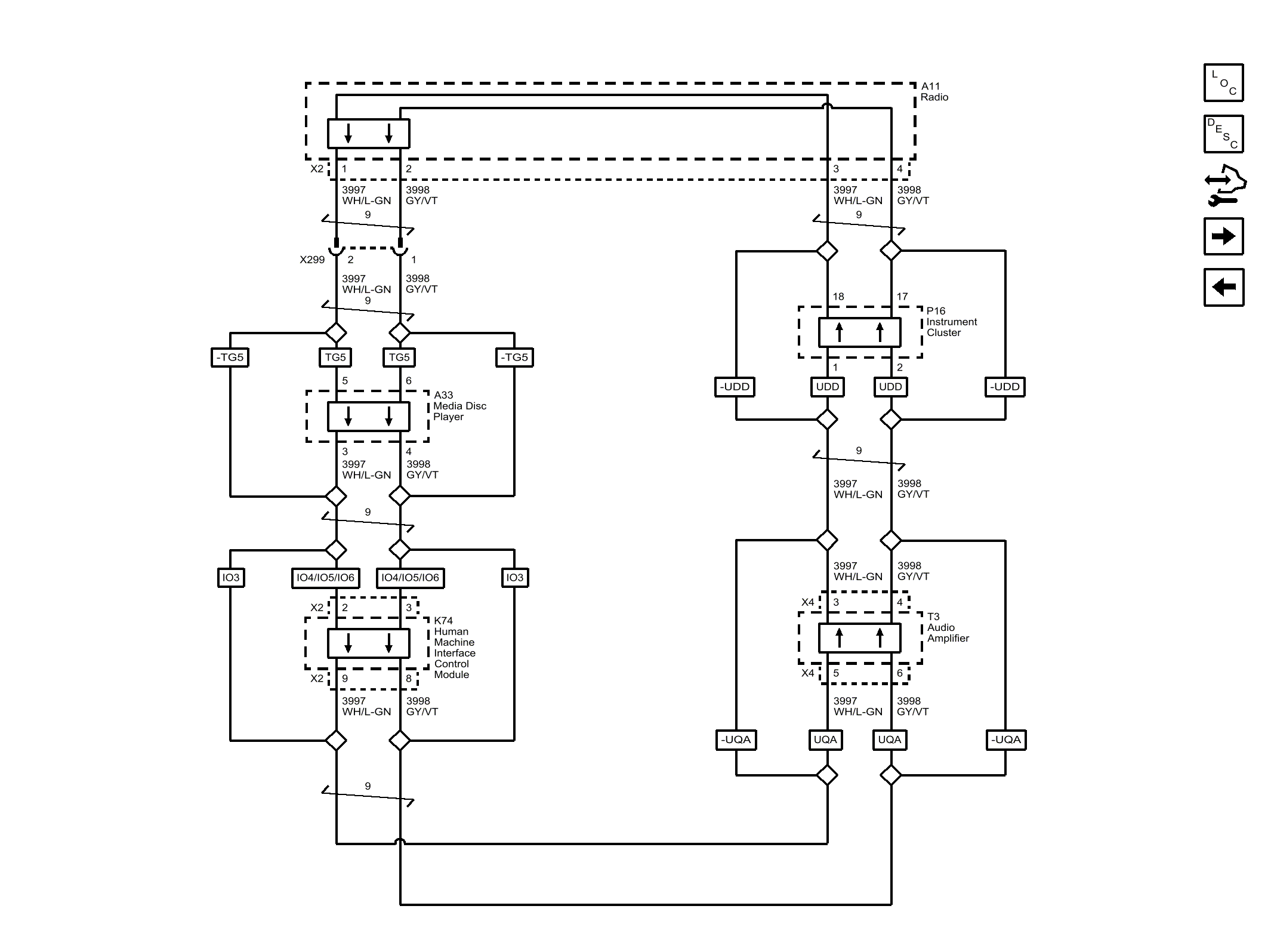
MOST Communication Bus

Fig 1: MOST Communication Bus
GM3826901Courtesy of GENERAL MOTORS COMPANY