lemon-mirror:
Home >> GMC >> 2017 >> Acadia SL >> Repair and Diagnosis >> Transmission >> Automatic Trans >> Shift Lock Control System >> Schematic Wiring Diagrams >> Shift Lock Control Wiring Schematics >> Shift Lock Control

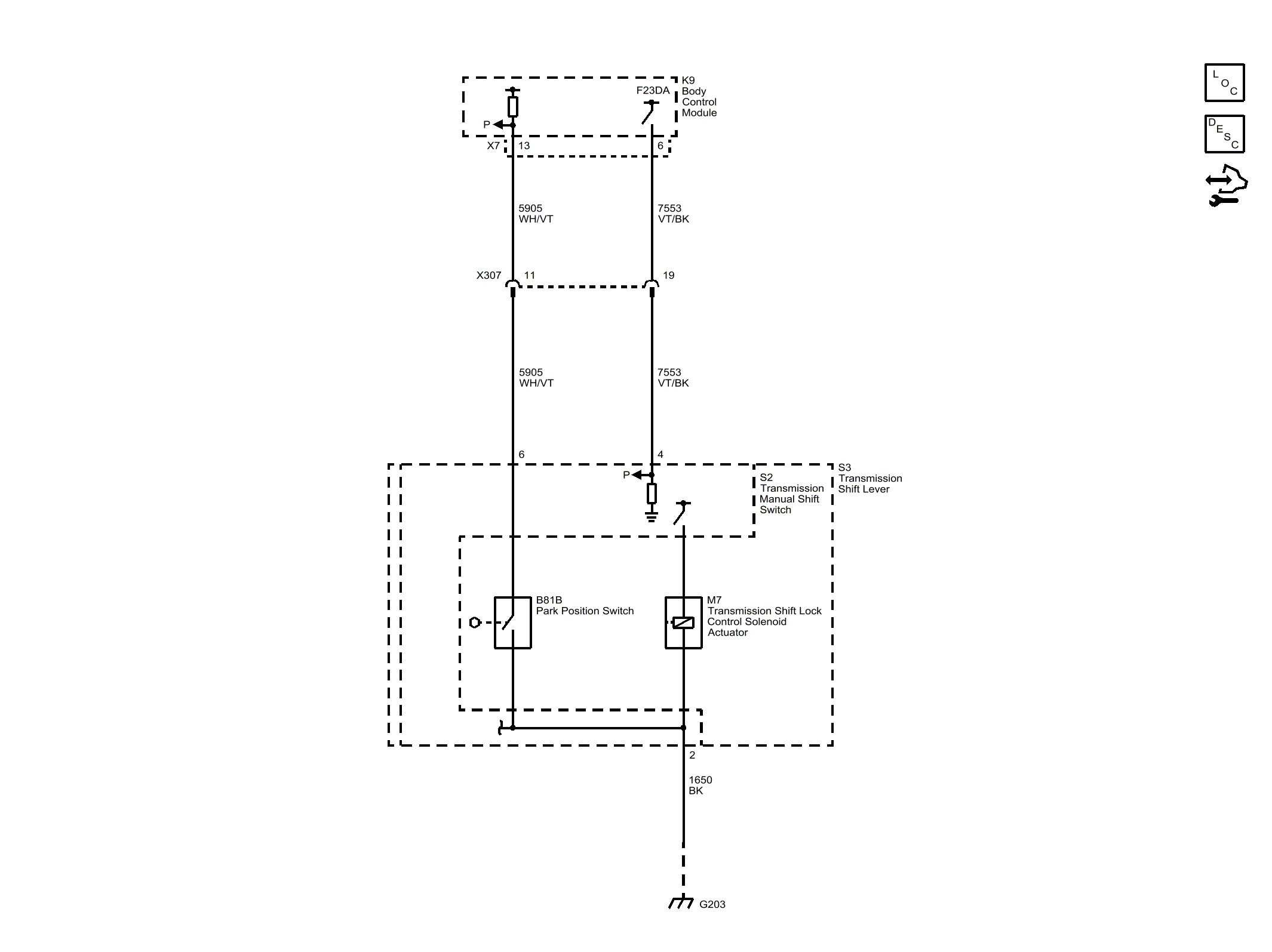
Shift Lock Control

Fig 1: Shift Lock Control
GM4373479Courtesy of GENERAL MOTORS COMPANY