lemon-mirror:
Home >> Genesis >> 2017 >> G80 3.8, AWD >> Repair and Diagnosis >> Engine Performance >> Engine Control Systems >> Engine Control System - 3.8L >> Engine Control Module (ECM) >> Schematic Diagrams >> Circuit Diagram

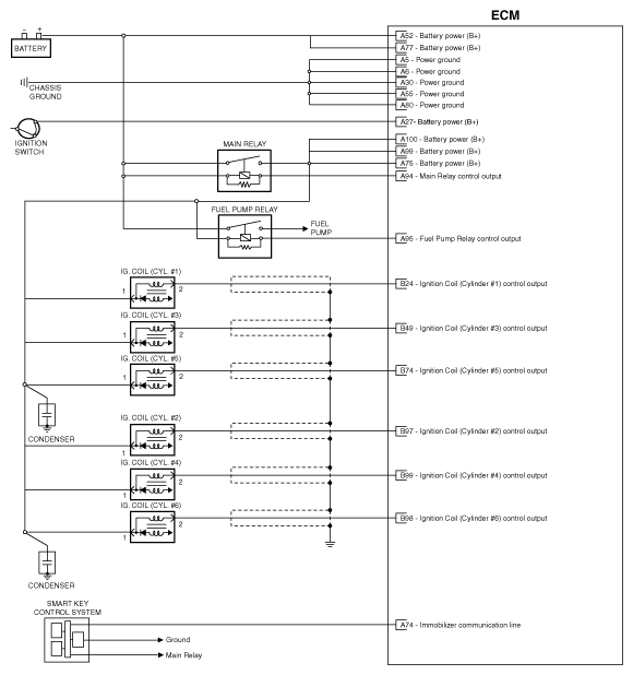
Circuit Diagram

G11354976Courtesy of
G11354977Courtesy of
G11354978Courtesy of
G11354979Courtesy of
G11354980Courtesy of