lemon-mirror:
Home >> Genesis >> 2017 >> G80 5.0 Ultimate >> Repair and Diagnosis >> Engine Performance >> Engine Control Systems >> Engine Control System - 5.0L >> Engine Control Module >> Schematic Diagrams >> Circuit Diagram

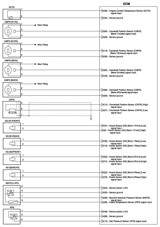
Circuit Diagram

G11336608
G11336609
G11336610
G11336611
G11336612