lemon-mirror:
Home >> Genesis >> 2017 >> G90 5.0 Ultimate, AWD >> Repair and Diagnosis >> Body & Frame >> Windows >> Power Windows >> Power window Motor >> Components and Components Location >> Components

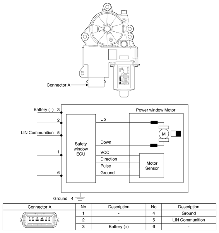
Components and Components Location: Components

Fig 1: Locating Power Window Motor Connector
G11406310Courtesy of HYUNDAI MOTOR AMERICA