lemon-mirror:
Home >> Genesis >> 2021 >> G90 5.0 Ultimate, AWD >> Repair and Diagnosis >> Body & Frame >> Windows >> Power Windows >> Power Window Motor >> Components And Components Location >> Components

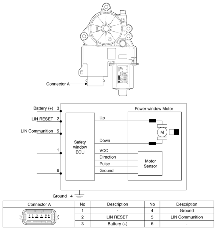
Components And Components Location: Components

G14236182Courtesy of HYUNDAI MOTOR AMERICA